Запчасти Case IH 2090 (9-520) - SWIVEL SEAT ASSEMBLY, SUSPENSION PARTS, LATE PRODUCTION (CONTD) (09) - CHASSIS/ATTACHMENTS

Схема запчастей Case IH 2090 - (9-520) - SWIVEL SEAT ASSEMBLY, SUSPENSION PARTS, LATE PRODUCTION (CONTD) (09) - CHASSIS/ATTACHMENTS
33
38
21
32
23
29
1
17
5
36
52
7
11
28
10
6
34
5
30
35
8
4
37
15
19
2
17
3
27
22
51
20
24
20
16
50
18
FIT
1:1
100%

Артикул

Название

Примечание

Количество

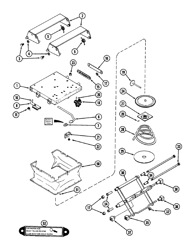
A161408

SEAT

AND SUSPENSION ASSEMBLY, Includes: Ref. 1 - 52, 1 - 54 on Figure 9-516, 1 - 52 on Figure 9-518 and 1 - 35 on Figure 59-522

1шт.

1

A47761

PLATE

- upper, suspension assembly

1шт.

2

A47379

LINK

- cross, seat mounting

2шт.

3

A45473

STEP BOLT

BOLT - shoulder, 1/2 inch NC

4шт.

4

193-77

LOCK WASHER,Int Tooth, 1/2"

WASHER, LOCK, Int Tooth, 1/2"

4шт.

5

A47384

SPRING

- torsion

2шт.

6

A47764

LEVER

- height adjusting

1шт.

7

A47767

CAP

- lever

1шт.

8

A47381

LATCH

- height adjusting

1шт.

10

138-2070

PIN,5/32" x 3/4", Coiled

1шт.

11

A47382

SPRING

- latch return

1шт.

15

A47383

LINK

- notched, right side

1шт.

16

A45474

LINK

- plain, left side (Order D82860)

1шт.

17

131-1402

THIN NUT,1/2"-13, GB, Thin

NUT, LOCK, 1/2"-13, GB, Thin

6шт.

18

A47763

KNOB

ASSEMBLY - weight adjusting

1шт.

19

A45513

GEAR

- weight adjusting spinner

1шт.

20

138-2024

PIN,5/32" x 1", Coiled

2шт.

21

A45531

BRACKET

- shaft

1шт.

22

111-107

CARRIAGE BOLT,Short NK, 1/4"-20 x 1/2", G2

BOLT - round head square neck, 1/4 NC x 1/2 inch (Grade 2)

2шт.

23

131-1351

FLANGE NUT,Flg, 1/4"-20

NUT, LOCK, Flg, 1/4"-20

2шт.

24

A45505

GEAR

- weight adjusting

1шт.

27

A45504

SPRING WASHER

- spring

1шт.

28

A45497

SPRING

- conical, weight suspension

1шт.

29

A45530

PAD

- spring

1шт.

30

A47759

ARM

ASSEMBLY - weight suspension

1шт.

32

A47070

INDICATOR

- ride adjustment

1шт.

33

A47762

SHAFT

- bearing

2шт.

34

A47760

BUSHING

TUBE - bearing

4шт.

35

A45512

BLOCK

- slider, 1-3/16 inch (30 mm)

1шт.

36

A45516

BLOCK

- slider, 2-3/16 inch (56 mm)

1шт.

37

A45515

BLOCK

- slider, 1-9/16 inch (40 mm)

1шт.

38

P0045517A

WASHER

- slider, 2-9/16 inch (65 mm)

1шт.

50

A47359

BOOT

COVER - suspension

1шт.

51

151-705

CLIP,Rd 1/2" Hd, 1/4" Hole

- cover fastener, 1/4 inch

23шт.

52

A47778

DECAL

- ride adjusting

1шт.

Выбрано товаров: 35