Запчасти Case IH 2090 (9-530) - SEAT, CLOTH, WITHOUT SWIVEL (CONTD) (09) - CHASSIS/ATTACHMENTS

Схема запчастей Case IH 2090 - (9-530) - SEAT, CLOTH, WITHOUT SWIVEL (CONTD) (09) - CHASSIS/ATTACHMENTS
20
23
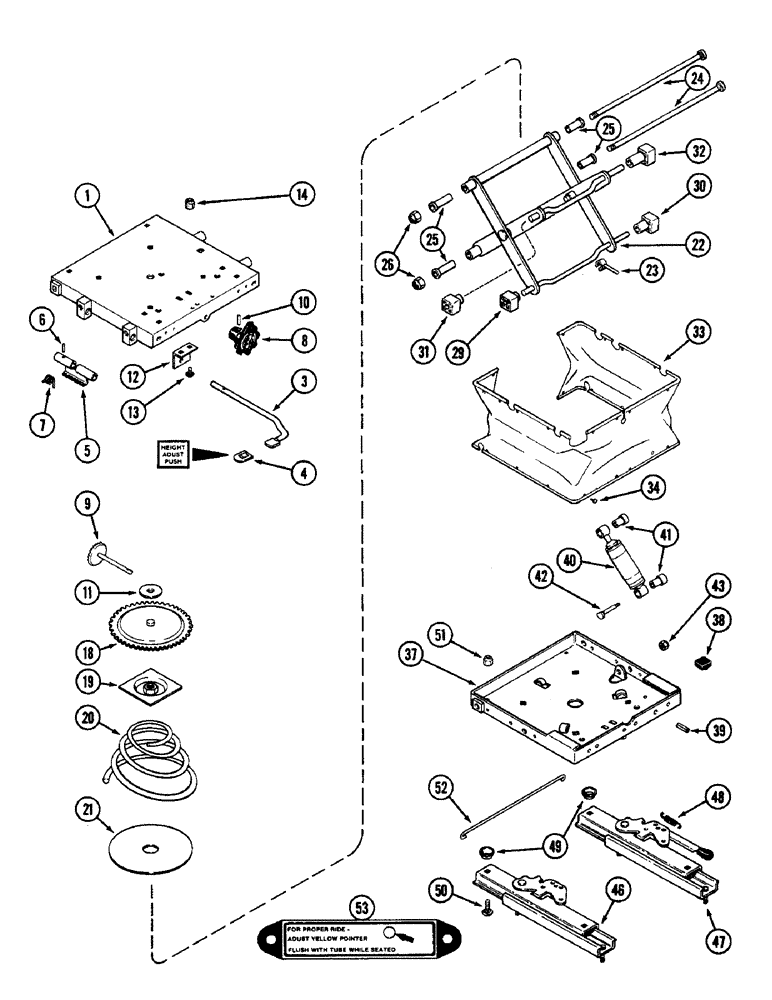
42
40
13
41
39
1
52
31
47
53
6
43
3
49
10
4
8
30
29
12
50
5
22
37
25
38
25
51
18
9
19
26
32
11
48
46
14
24
34
7
21
33
FIT
1:1
100%

Артикул

Название

Примечание

Количество

A163314

SEAT

AND SUSPENSION ASSEMBLY, Includes: Ref. 1 - 53 and 1 - 32 on Figure 9-528

1шт.

1

A47761

PLATE

BASE - suspension, upper

1шт.

3

A47764

LEVER

- height adjusting

1шт.

4

A47767

CAP

- lever

1шт.

5

A47381

LATCH

- height adjusting

1шт.

6

138-2070

PIN,5/32" x 3/4", Coiled

1шт.

7

A47382

SPRING

- latch return

1шт.

8

A47763

KNOB

- weight adjusting

1шт.

9

A45513

GEAR

- weight adjusting

1шт.

10

138-2024

PIN,5/32" x 1", Coiled

1шт.

11

A47386

WASHER

- thrust

1шт.

12

A45531

BRACKET

- shaft

1шт.

13

111-107

CARRIAGE BOLT,Short NK, 1/4"-20 x 1/2", G2

BOLT - round head square neck, 1/4 NC x 1/2 inch NC (Grade 2)

2шт.

14

131-1351

FLANGE NUT,Flg, 1/4"-20

NUT, LOCK, Flg, 1/4"-20

2шт.

18

A45505

GEAR

- weight adjusting

1шт.

19

A45504

SPRING WASHER

- spring

1шт.

20

A45497

SPRING

- weight suspension

1шт.

21

A45530

PAD

- spring

1шт.

22

A47759

ARM

ASSEMBLY - weight

1шт.

23

A47070

INDICATOR

- ride adjustment

1шт.

24

A47762

SHAFT

- bearing

2шт.

25

A47760

BUSHING

TUBE - bearing

4шт.

26

131-1402

THIN NUT,1/2"-13, GB, Thin

NUT, LOCK, 1/2"-13, GB, Thin

2шт.

29

A45512

BLOCK

- slider, 1-3/16 inch (30 mm)

1шт.

30

A45516

BLOCK

- slider, 2-3/16 inch (56 mm)

1шт.

31

A45515

BLOCK

- slider, 1-9/16 inch (40 mm)

1шт.

32

A45517

BLOCK

- slider, 2-9/16 inch (65 mm)

1шт.

33

A47359

BOOT

COVER - suspension

1шт.

34

151-705

CLIP,Rd 1/2" Hd, 1/4" Hole

- cover fastener, 1/4 inch

21шт.

37

A48181

BASE

- suspension, lower

1шт.

38

A45054

BUMPER,Neoprene

- seat

2шт.

39

138-134

LOCK PIN,1/4" x 1", Slotted

PIN, 1/4" x 1", Slotted

1шт.

40

A45503

SHOCK ABSORBER

- seat

1шт.

41

A45501

BUSHING,0.504" ID x 0.87" OD x 1.417"

BEARING - shock absorber

2шт.

42

A45056

STEP BOLT

BOLT - shoulder

1шт.

43

131-203

LOCK NUT,3/8"-16, GB, LH

NUT - hex lock, 3/8 inch NC

1шт.

46

A45523

SLIDE

ASSEMBLY - seat mounting, right, Includes: spring

1шт.

47

A45522

SLIDE

ASSEMBLY - seat mounting, left, Includes: lever and spring

1шт.

48

L35503

SPRING

- latch return (Replaces A45060)

1шт.

49

S115782

BUSHING

SPACER - slide (Order A45111)

4шт.

50

111-220

CARRIAGE BOLT,Short NK, 5/16"-18 x 7/8", G2

BOLT - slide to base, round head square neck, 5/16 NC x 7/8 inch

2шт.

50

A47171

CARRIAGE BOLT

BOLT - slide to base, round head square neck, full thread, 5/16 NC x 7/8 inch

2шт.

51

131-464

LOCK NUT,5/16"-18, G8

NUT - hex jam lock, 5/16 inch NC

4шт.

52

A48182

ROD

- latch connecting

1шт.

53

N6856

DECAL

- ride adjusting (Order A47778)

1шт.

Выбрано товаров: 45