Запчасти Case IH 2090 (2-26) - CYLINDER HEAD AND COVER, 504BD DIESEL ENGINE (02) - ENGINE

Схема запчастей Case IH 2090 - (2-26) - CYLINDER HEAD AND COVER, 504BD DIESEL ENGINE (02) - ENGINE
2
27
9
3
34
7
24
33
4
26
14
11
23
15
19
13
20
15
6
22
32
5
18
8
1
16
10
23
38
12
17
37
FIT
1:1
100%

Артикул

Название

Примечание

Количество

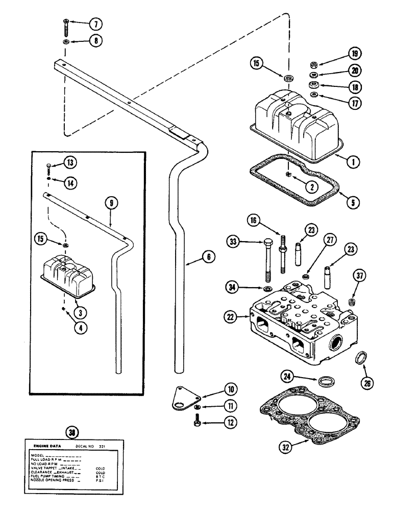
1

A166170

COVER

COVER ASSEMBLY - cylinder head, Includes: Ref. 2

3шт.

2

131-114

SPRING NUT,Rtnr, 1/4" - 20, 0.25" High

NUT - Tinnerman, 1/4 inch NC

1шт.

3

A58929

COVER

COVER ASSEMBLY - cylinder head (If equipped), Includes: Ref. 4

3шт.

4

131-114

SPRING NUT,Rtnr, 1/4" - 20, 0.25" High

NUT - Tinnerman, 1/4 inch NC

1шт.

5

REF

INSTRUCTION

GASKET - cover

3шт.

6

A166157

TUBE

SPARE PART TUBE - breather

1шт.

7

182-587

SCREW,Cross Pan Hd, 1/4"-20 x 2 1/2"

BOLT - pan head, 1/4 NC x 2-1/2 inch

3шт.

8

A166102

WASHER,6.45mm ID x 12.7mm OD x 0.81mm Thk

WASHER - breather tube bolt

3шт.

9

A59053

TUBE

TUBE - breather (If equipped)

1шт.

10

A59054

BRACKET

BRACKET - breather tube to oil pan

1шт.

11

195-525

WASHER,3/8", SAE

WASHER - spacer, 13/32 x 13/16 x 1/16 inch (10 x 21 x 2 mm)

1шт.

12

193-527

WASHER,Hex, 3/8" - 16 x 1 1/4"

BOLT - hex Sems, 3/8 NC x 1-1/4 inch

2шт.

13

113-12

BOLT,Hex, 1/4" - 20 x 2-1/2", Gr 5

BOLT - hex, 1/4 NC x 2-1/2 inch

3шт.

14

A166102

WASHER,6.45mm ID x 12.7mm OD x 0.81mm Thk

GASKET - breather tube bolt

3шт.

15

A58635

GASKET,17.27mm ID x 32mm OD x 6.6mm Thk

GASKET - tube to cover, 11/16 x 1-1/4 x 1/4 inch (17 x 32 x 6 mm)

3шт.

16

A67121

STUD

STUD - special, 7/16 NC x 6-1/16 inch

6шт.

17

A142098

GROMMET

GROMMET - cover stud (Replaces A23684 gasket)

6шт.

18

A156097

WASHER,11.94mm ID x 31.22mm OD x 1.32mm Thk

WASHER - cover stud (Replaces A23683)

6шт.

19

129-104

NUT,7/16"-14, G5

NUT, 7/16"-14, G5

6шт.

20

195-529

WASHER,7/16", SAE

WASHER - 15/32 x 59/64 x 1/16 inch (12 x 23 x 2 mm)

6шт.

22

A67352

HEAD (CYLINDER)

HEAD ASSEMBLY - cylinder (Casting no. A138337), Includes: Ref. 23 - 27

3шт.

22

AR148939

REMAN-CYLINDER HEAD

Cylinder Head

3шт.

22

AC148939

CORE-CYLINDER HEAD

Return Number

3шт.

23

A41783

GUIDE

GUIDE - intake and exhaust valves

4шт.

24

A58619

INSERT

INSERT - exhaust valves

2шт.

26

A34124

PLUG,Cup, 1 5/8", Stainless

PLUG - cup type, 1-5/8 inch (41 mm)

2шт.

27

A58620

PLUG,Cup, 3/4", Stainless

PLUG - cup type, 3/4 inch (19 mm)

3шт.

32

A138397

CYLINDER HEAD GASKET

GASKET - cylinder head (With fire rings) (A142483 J I Case installed)

3шт.

33

A76638

BOLT

BOLT - hex, 5/8 NC x 6 inch

30шт.

34

A58629

BEARING WASHER,16.66mm ID x 25.4mm OD x 3.04mm Thk

WASHER - 5/8 x 1 x 1/8 inch (16 x 25 x 3 mm)

30шт.

37

221-1843

PLUG

PLUG - hex socket head, 3/8 inch PT

5шт.

38

321-3972

DECAL

DECAL - engine specification

1шт.

Выбрано товаров: 32