Запчасти Case IH 2090 (9-594) - CAB, HEATER (09) - CHASSIS/ATTACHMENTS

Схема запчастей Case IH 2090 - (9-594) - CAB, HEATER (09) - CHASSIS/ATTACHMENTS
8
5
23
19
20
1
10
15
16
8
6
22
8
23
8
21
7
24
4
9
11
8
18
17
2
8
14
3
FIT
1:1
100%

Артикул

Название

Примечание

Количество

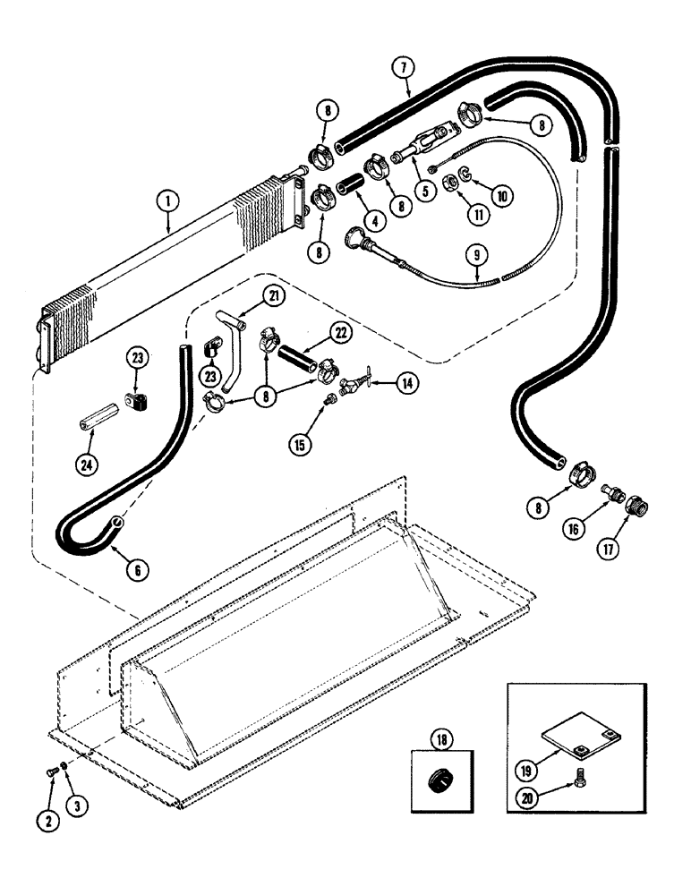
1

F63680

CORE

- heater

1шт.

2

113-1

BOLT,Hex, 1/4" - 20 x 1/2", Gr 5

4шт.

3

192-19

LOCK WASHER,Helical Spring, 0.256" ID, CST, ZND

WASHER, LOCK, 1/4"

4шт.

4

NSS

NOT SOLD SEPARAT

HOSE - core to valve, 2 inch black (51 mm) (Order A42610)

1шт.

5

F63865

VALVE

- control, heater

1шт.

6

NSS

NOT SOLD SEPARAT

HOSE - valve outlet, black, 77 inch (1956 mm) (Order A42610)

1шт.

7

NSS

NOT SOLD SEPARAT

HOSE - core inlet black with red, 81 inch (2057 mm) (Order A45610)

1шт.

8

214-253

HOSE CLAMP,#10, 0.56" - 1.06", Type F Worm

CLAMP - hose, 9/16 x 1-1/16 inch (14 x 27 mm)

8шт.

9

A42614

CABLE

ASSEMBLY - heat control, See Figure 9-598, Includes: Ref. 10 & 11

1шт.

10

92-6

LOCK WASHER,3/8"

1шт.

11

87016560

JAM NUT,Jam, 3/8"-16, G5

1шт.

A42610

LARGE HOSE

HOSE - 5/8 ID (16 mm) x 1 inch OD (25 mm) x 50 ft roll (15 M) (Cut to desired length)

1шт.

14

A16764

VALVE

- shut off

1шт.

15

221-1089

REDUCER,Hex, 1/2" x 3/8" NPT

BUSHING - reducer, 1/2 PT x 3/8 inch PT

1шт.

16

217-153

FITTING,5/8" Hose Barb x 1/2" Male NPTF

CONNECTOR - hose to water pump

1шт.

17

221-1093

REDUCER,Hex, 3/4" x 1/2" NPT

BUSHING - reducer, 3/4 to 1/2 inch (19 to 13 mm)

1шт.

18

353-496

PLUG

GROMMET - heater hose (In frame) (Replaces F64307) (Order F64485)

2шт.

19

F98190

PLATE

- hose support (Order F98238)

1шт.

20

113-207

BOLT,Hex, 3/8" - 16 x 1", Gr 5

2шт.

21

A149953

TUBE

- heater hose

1шт.

22

NSS

NOT SOLD SEPARAT

HOSE - tube to manifold, 3-1/2 inch (119 mm) (Order A42610)

1шт.

23

515-23159

CLAMP,5/8", Insul, 3/8" Bolt

- hose to exhaust manifold

1шт.

23

A160691

CLAMP

- hose to throttle bracket

2шт.

24

A164486

NUT

- heater tube spacer

1шт.

Выбрано товаров: 24