Запчасти Case IH 2090 (9-600) - CAB, AIR CONDITIONING COOLING SYSTEM (09) - CHASSIS/ATTACHMENTS

Схема запчастей Case IH 2090 - (9-600) - CAB, AIR CONDITIONING COOLING SYSTEM (09) - CHASSIS/ATTACHMENTS
4
5
9
1
19
16
17
10
25
22
11
21
15
20
18
15
23
6
24
2
FIT
1:1
100%

Артикул

Название

Примечание

Количество

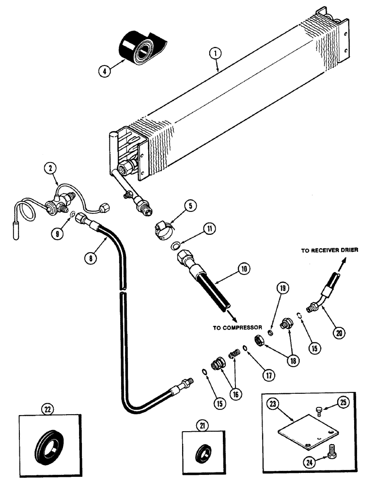
1

F63870

EVAPORATOR

- evaporator

1шт.

2

F64389

VALVE

- expansion

1шт.

4

345-37

TAPE

- insulation, 2-1/2 x 12 x 1/2 inch (63 x 305 x 3 mm)

1шт.

5

214-256

HOSE CLAMP,#20, 0.81" - 1.75", Type F Worm

CLAMP - insulation, 1-3/16 to 1-3/4 inch (30 to 44 mm)

1шт.

8

F64304

HOSE

- high side, 5/16 ID x 153 inch long (8 x 3886 mm) (To coupling)

1шт.

9

222-993

GASKET,3/8 Tube, Fl, Copper

2шт.

10

F64305

HOSE

- low side, 1/2 ID x 153 inch long (12 mm x 3886 mm) (To compressor)

1шт.

11

222-996

GASKET,3/4 Tube, Fl, Copper

- copper, 3/4 inch tube x 45 degree flare

1шт.

15

A61195

O-RING,0.364" ID x 0.5" OD

- 23/64 x 1/2 x 1/16 inch (9 x 13 x 2 mm)

2шт.

16

A42663

COUPLING,1/2" - 20 NPT

COUPLING ASSEMBLY - high side to receiver-drier hose, Includes: Ref. 17

1шт.

17

A42665

O-RING,0.239" ID x 0.375" OD x 0.07"

- coupling piston 1/4 x 3/8 x 1/16 inch (6 x 10 x 3 mm)

1шт.

18

A61196

COUPLING, BREAK AWAY

COUPLING ASSEMBLY - receiver-drier hose to cab, Includes: Ref. 19

1шт.

19

A42667

GASKET

- coupling

1шт.

20

A145898

HOSE

- to receiver, Serial Range: --receiver-drier

1шт.

21

353-478

PLUG

GROMMET - hose, 41/64 inch ID (16 mm) (In frame) (Replaces F64308) (Order F64486)

1шт.

22

353-496

PLUG

GROMMET - hose, 1 inch ID (25 mm) (In frame) (Replaces F64307) (Order F64485)

1шт.

23

F98238

PLATE

- hose support

1шт.

24

113-207

BOLT,Hex, 3/8" - 16 x 1", Gr 5

2шт.

25

187-570

SELF-TAP SCREW,Slotted Pan Hd, #10 x 1/2"

SCREW - round head self-tapping, no. 10 x 1/4 inch

1шт.

Выбрано товаров: 19