Запчасти Case IH 2090 (9-606) - CAB, WINDSHIELD WIPER, CAB SERIAL NUMBER 12022944 AND AFTER (09) - CHASSIS/ATTACHMENTS

Схема запчастей Case IH 2090 - (9-606) - CAB, WINDSHIELD WIPER, CAB SERIAL NUMBER 12022944 AND AFTER (09) - CHASSIS/ATTACHMENTS
13
3
4
2
19
15
11
8
5
17
21
7
28
29
20
6
12
9
26
10
16
14
25
1
27
FIT
1:1
100%

Артикул

Название

Примечание

Количество

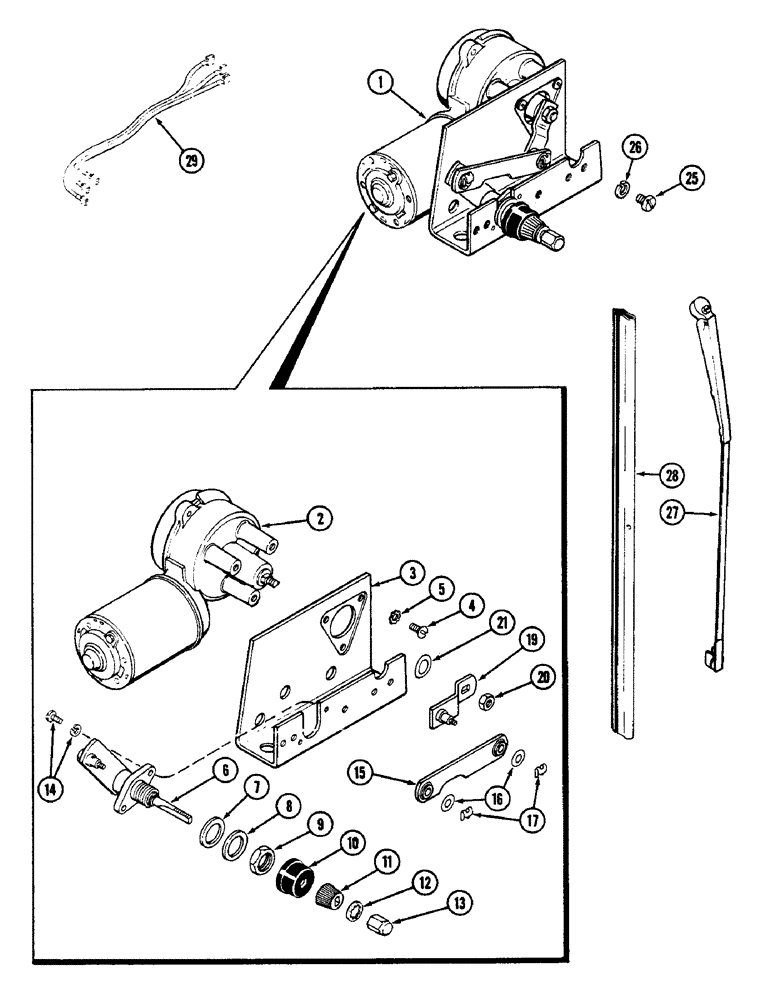
1

F96764

WIPER

ASSEMBLY - windshield (Replaces F98108), Includes: Ref. 2 - 21

1шт.

2

NSS

NOT SOLD SEPARAT

MOTOR - wiper (Order F96764)

1шт.

3

NSS

NOT SOLD SEPARAT

BRACKET - (Order F96764)

1шт.

4

174-214

SCREW,Sl Rnd Hd, 1/4" - 28 x 5/8"

- round head, 1/4 NF x 5/8 inch

3шт.

5

193-57

LOCK WASHER,Ext Tooth, 1/4"

WASHER, LOCK, Ext Tooth, 1/4"

3шт.

D71415

SHAFT

ASSEMBLY - wiper arm, Includes: Ref. 6 - 13

1шт.

6

NSS

NOT SOLD SEPARAT

SHAFT AND PIVOT - (Order D71415)

1шт.

7

D71417

SPECIAL WASHER

WASHER - fiber

1шт.

8

D71418

WASHER

- steel

1шт.

9

D71419

NUT

- shaft

1шт.

10

D71420

CAP

BOOT - rubber

1шт.

11

D71421

TOOL

DRIVER - knurled, wiper arm

1шт.

12

193-87

LOCK WASHER,Ext-Int Tooth, 1/2"

WASHER - internal Shakeproof, 5/16 inch

1шт.

13

D71422

NUT

- arm fastener

1шт.

14

D71416

SCREW

- shaft assembly, round head includes washer (No. 10-32 x 5/16 inch)

2шт.

15

D71427

LINK,85.85mm L

- motor to shaft pivot

1шт.

16

A22431

WASHER

- link clip

2шт.

17

D71414

CLIP

- link to drive arm and shaft

2шт.

19

F64210

LEVER

ARM - drive

1шт.

20

F44452

LOCK NUT

- lock, arm to motor shaft

1шт.

21

D71411

WASHER

- spring

1шт.

25

182-548

SCREW,Slotted Pan Hd, 1/4"-28 x 3/8"

- mounting, pan head slotted, 1/4 x 3/8 inch

2шт.

26

192-19

LOCK WASHER,Helical Spring, 0.256" ID, CST, ZND

WASHER, LOCK, 1/4"

2шт.

27

A165060

WIPER ARM

ARM - wiper blade, 18 inch (457 mm) black (Replaces F43789)

1шт.

28

A165059

WIPER

BLADE - wiper, 20 inch (508 mm) black (Replaces L35261)

1шт.

29

F64530

ELECTRICAL WIRE

WIRE - adapter (Prior to cab serial no. 12022944 to adopt cab harness to wiper terminal connectors)

1шт.

Выбрано товаров: 26