Запчасти Case IH 2090 (4-080) - ENGINE HARNESS, P.I.N. 9919621 AND AFTER (04) - ELECTRICAL SYSTEMS

Схема запчастей Case IH 2090 - (4-080) - ENGINE HARNESS, P.I.N. 9919621 AND AFTER (04) - ELECTRICAL SYSTEMS
10
7
22
12
3
6
27
15
21
2
20
16
18
9
13
26
4
8
1
5
24
25
14
FIT
1:1
100%

Артикул

Название

Примечание

Количество

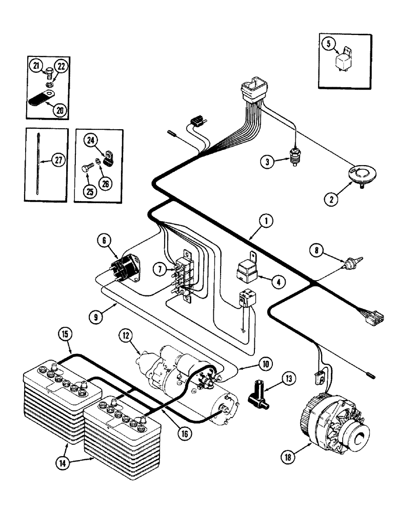
1

A167436

HARNESS

- engine (Replaces A165317)

1шт.

2

A154782

SWITCH

- air cleaner restriction, See Figure 2-12

1шт.

3

D65446

SENDER UNIT

SENDER - engine water temperature, See Figure 2-04

1шт.

4

A167492

RELAY

- cab electrical

1шт.

5

A167627

RELAY

- cab electrical (Used with A165317 harness) (Order A167492)

1шт.

6

A39079

SOLENOID

- ignition, See Figure 4-110

1шт.

7

A160983

BREAKER

- circuit, 20 and 150 ampere, See Figure 4-110

1шт.

8

A66737

SWITCH, PRESSURE

SWITCH - engine oil pressure

1шт.

9

A147210

ELECTRICAL WIRE

WIRE - starter to solenoid (Battery terminal)

1шт.

10

A163000

ELECTRICAL WIRE

WIRE - starter to solenoid (Switch terminal)

1шт.

12

REF

INSTRUCTION

STARTER, See Figure 4-116

1шт.

13

A153796

BOLT

COVER - starter terminal insulator

1шт.

14

REF

INSTRUCTION

BATTERY - 12 volt low maintenance, See Figure 4-112

2шт.

15

A149182

CABLE

- battery, negative, See Figure 4-112 (Order A162285)

1шт.

16

A149179

CABLE

- battery, positive, See Figure 4-112 (Order A162287)

1шт.

18

REF

INSTRUCTION

ALTERNATOR, See Figure 4-132

1шт.

20

A37179

CLIP

- wire, alternator, Serial Range: wires-engine

1шт.

21

113-205

BOLT,Hex, 3/8" - 16 x 5/8", Gr 5

1шт.

22

92-6

LOCK WASHER,3/8"

1шт.

24

515-2295

CLAMP,3/8", Insul, 5/16" Bolt

CLIP - wire, harness to front end casting

1шт.

25

113-206

BOLT,Hex, 3/8" - 16 x 3/4", Gr 5, Full Thd

1шт.

26

192-21

LOCK WASHER,3/8"

WASHER, LOCK, 3/8"

1шт.

27

L18337

CABLE TIE,9.95"-12.1" lg

STRAP - tie, 15 inch, nylon

4шт.

27

T54520

STRAP

- nylon, 11 inch long (279 mm) (Order A169433)

5шт.

Выбрано товаров: 24