Запчасти Case IH 2090 (4-098) - CAB HEADLINER WIRING, CAB SERIAL NUMBER 12008153 THROUGH 12045750 (04) - ELECTRICAL SYSTEMS

Схема запчастей Case IH 2090 - (4-098) - CAB HEADLINER WIRING, CAB SERIAL NUMBER 12008153 THROUGH 12045750 (04) - ELECTRICAL SYSTEMS
10
6
21
13
1
23
2
12
7
20
3
16
15
9
8
11
5
18
4
17
22
18
14
FIT
1:1
100%

Артикул

Название

Примечание

Количество

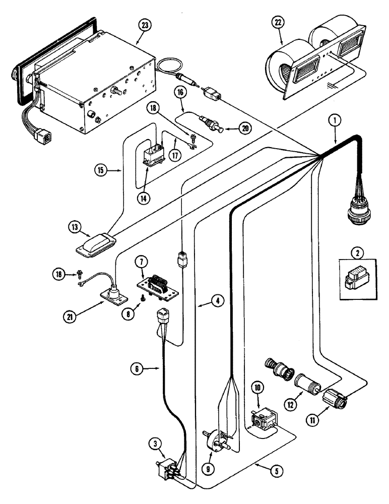
1

F64546

HARNESS

ASSEMBLY - headliner wiring (Cab serial no. 12022944 through 12045750) (Order F98195)

1шт.

2

F64478

HARNESS

ASSEMBLY - headliner wiring (Prior to cab serial no. 12022944)

1шт.

3

REF

INSTRUCTION

SWITCH - blower, See Figure 9-602

1шт.

4

F64443

ELECTRICAL WIRE

WIRE - switch to blower motor, red 88 inch (2 235 mm)

1шт.

5

A42624

ELECTRICAL WIRE

WIRE - blower switch to air conditioning switch, black 6 inch (152 mm)

1шт.

6

F64222

HARNESS

- wire, blower switch resistor (Cab serial no. 12008153 through 12045750)

1шт.

7

F44900

RESISTOR

- voltage (Cab serial no. 12008153 through 12045750)

1шт.

8

187-579

SELF-TAP SCREW,Hex Wash Hd, #10 x 1/2"

SCREW - self-tapping, no. 10-16 x 1/2 inch

1шт.

9

F43359

SWITCH

- wiper, See Figure 9-602

1шт.

10

REF

INSTRUCTION

SWITCH - air conditioning, See Figure 9-602

1шт.

11

F63738

CIGAR LIGHTER

SHELL - lighter socket, See Figure 9-602

1шт.

12

F63530

SOCKET/RECEPTACLE

SOCKET - lighter, See Figure 9-602

1шт.

13

REF

INSTRUCTION

LAMP - dome, See Figure 9-578

1шт.

14

F64130

SWITCH

- dome lamp, See Figure 9-578

1шт.

15

F64126

ELECTRICAL WIRE

WIRE - switch to lamp, black 4 inch (102 mm)

1шт.

16

F64127

ELECTRICAL WIRE

WIRE - switch to door switch, white 70 inch (1 778 mm)

1шт.

17

F64476

WIRE - switch to ground, black 15 inch (381 mm)

1шт.

18

187-1088

SELF-TAP SCREW,Hex Wash Hd, #10 x 1/2"

SCREW - Phillips pan head, self-tapping, no. 10-16 x 1/2 inch

1шт.

20

F63895

SWITCH

- lamp, door opening

1шт.

21

REF

INSTRUCTION

LAMP - console, See Figure 9-578

1шт.

22

REF

INSTRUCTION

BLOWER ASSEMBLY, See Figure 9-588

1шт.

23

REF

INSTRUCTION

RADIO, See Figure 9-608

1шт.

Выбрано товаров: 22