Запчасти Case IH 2090 (4-150) - REAR FLOOD LAMP ATTACHMENT (04) - ELECTRICAL SYSTEMS

Схема запчастей Case IH 2090 - (4-150) - REAR FLOOD LAMP ATTACHMENT (04) - ELECTRICAL SYSTEMS
22
4
3
5
12
24
8
25
23
9
21
10
6
2
11
20
FIT
1:1
100%

Артикул

Название

Примечание

Количество

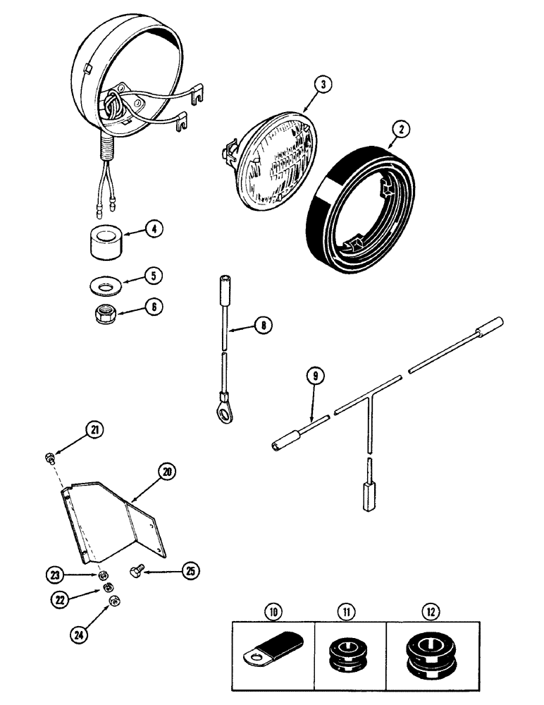
A160600

LAMP

ATTACHMENT - rear flood lamp, Includes: Ref. 2 - 12

1шт.

A145495

LAMP

ASSEMBLY, Includes: Ref. 2 - 4

1шт.

2

A25213

RETAINER

- bulb

1шт.

3

A47179

BULB

- sealed beam (No. H7606)

1шт.

4

D37048

BUSHING

- pivot

1шт.

5

D37049

WASHER

- mounting

1шт.

6

129-125

NUT,1/2"-20, G5

1шт.

8

A147343

ELECTRICAL WIRE

WIRE - ground (With 3/8 inch eyelet)

1шт.

8

A147344

ELECTRICAL WIRE

WIRE - ground (With 1/2 inch eyelet) (Not used this application)

1шт.

9

A142935

HARNESS

- front (Not used this application)

1шт.

10

A22880

CLIP

- wire

1шт.

11

A61144

GROMMET,1/2" ID x 13/16" Groove Dia, Str Cut

- wire (In front cab post)

1шт.

12

L13765

GROMMET

- wire (In rear guard)

1шт.

20

A147801

LINING

LINER - fender, left rear (Right hand shown)

1шт.

20

A147802

LINING

LINER - fender, right rear

1шт.

21

113-1

BOLT,Hex, 1/4" - 20 x 1/2", Gr 5

Fender liners Hex, 1/4"-20 x 1/2", G5, Full Thd

4шт.

22

192-19

LOCK WASHER,Helical Spring, 0.256" ID, CST, ZND

WASHER, LOCK, , Fender liners 1/4"

4шт.

23

195-518

WASHER,1/4", SAE

- 9/32 x 5/8 x 1/16 inch (7 x 16 x 2 mm), fender liners

4шт.

24

7770

NUT,Hex, 1/4 - 20, Cl 5

1/4"-20, G5, Fender liners

4шт.

25

187-1036

SELF-TAP SCREW,Hex Washer, 1/4" - 20 x 1/2"

SCREW - hex self-tapping, 1/4 x 1/2 inch, fender liners

4шт.

Выбрано товаров: 20