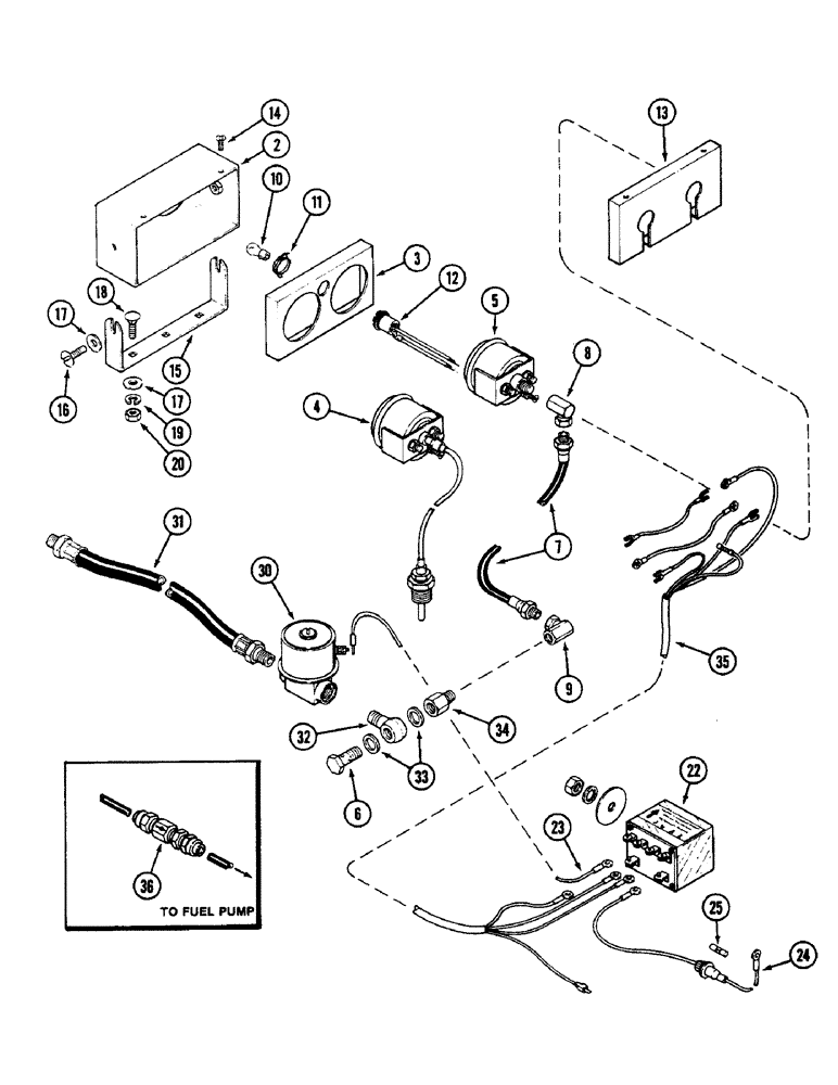
Запчасти Case IH 2090 (4-158) - ENGINE AUTOMATIC SHUTOFF KIT (04) - ELECTRICAL SYSTEMS

Схема запчастей Case IH 2090 - (4-158) - ENGINE AUTOMATIC SHUTOFF KIT (04) - ELECTRICAL SYSTEMS
9
12
36
17
10
13
2
6
14
16
34
23
11
22
4
18
17
35
7
8
31
5
15
24
32
3
25
20
30
33
19
FIT
1:1
100%

Артикул

Название

Примечание

Количество

A163347

KIT

SHUTOFF KIT - engine automatic (Machinery item), Includes: Ref. 2 - 36

1шт.

2

A47906

PANEL

- gauge

1шт.

3

A47908

PLATE

- gauge holder

1шт.

4

A47911

GAUGE

ASSEMBLY - water temperature

1шт.

5

A47910

GAUGE

ASSEMBLY - oil pressure

1шт.

6

A47945

BOLT

CONNECTOR BOLT - oil pressure, hollow

1шт.

7

A47943

HOSE,0.078" Thk x 0.468" ID, -906, Cl 6, 90 Duro

- oil pressure, 90 inch long (2 286 mm)

1шт.

8

218-933

ELBOW,90 Degree, 1/8" NPTF Male x 1/8" NPSM Fem Sw

- 90 degree, 1/8 inch PT

1шт.

9

218-1403

FITTING

ELBOW - 90 degree, 1/8 inch PT

1шт.

10

B50213

BULB

- light, no. 53

1шт.

11

A47916

CLAMP

- retaining

1шт.

12

A47915

SOCKET

ASSEMBLY - light

1шт.

13

A47907

COVER

- panel, rear

1шт.

14

182-525

SCREW,Sl Pan Hd, #10 - 32 x 3/8"

- pan head, no. 6 NC x 3/8 inch

2шт.

15

A47909

BRACKET

- panel mounting

1шт.

16

163-9

SCREW,Hex, #10 - 32 x 1/2"

- hex, no. 10 NF x 1/2 inch

2шт.

17

195-518

WASHER,1/4", SAE

- 9/32 x 5/8 x 5/64 inch (7 x 16 x 2 mm)

4шт.

18

111-108

CARRIAGE BOLT,Short NK, 1/4"-20 x 3/4", G2

BOLT - round head, 1/4 NC x 3/4 inch (Replaces 111-112)

2шт.

19

192-19

LOCK WASHER,Helical Spring, 0.256" ID, CST, ZND

WASHER, LOCK, 1/4"

2шт.

20

7770

NUT,Hex, 1/4 - 20, Cl 5

1/4"-20, G5

2шт.

22

A47925

SWITCH

ASSEMBLY - magnetic

1шт.

23

A47926

WIRE - switch to fuel valve, 79 inch long (2 007 mm)

1шт.

24

A47927

ELECTRICAL WIRE

WIRE AND FUSE HOLDER ASSEMBLY - switch to ignition switch, Includes: Ref. 25

1шт.

25

223-14

FUSE,10 Amp, Type SFE

- wire, SFE 14 ampere

1шт.

30

A47917

VALVE

ASSEMBLY - fuel

1шт.

31

A47946

HOSE

- fuel, 15-3/8 inch long (391 mm)

1шт.

32

A47919

FITTING

- banjo type

1шт.

33

A27928

WASHER,14.22mm ID x 19.18mm OD x 2.06mm Thk

- banjo fitting, copper

2шт.

34

A47944

ADAPTER

- extension

1шт.

35

A47913

HARNESS

ASSEMBLY - wire

1шт.

36

A48232

VALVE

- check

1шт.

Выбрано товаров: 31