Запчасти Case IH 2094 (7-246) - BRAKE VALVE ASSEMBLY (07) - BRAKES

Схема запчастей Case IH 2094 - (7-246) - BRAKE VALVE ASSEMBLY (07) - BRAKES
36
13
32
5
17
19
22
15
4
46
34
1
48
25
51
48
16
40
9
30
24
47
21
44
10
2
23
31
20
3
49
12
37
45
33
50
41
18
11
FIT
1:1
100%

Артикул

Название

Примечание

Количество

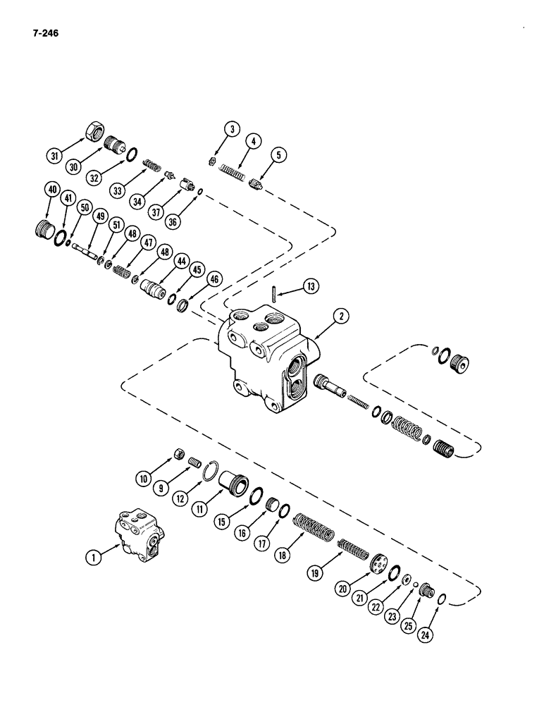
1

G105128

VALVE, BRAKE

VALVE ASSEMBLY - power brake, Includes: Refs. 2 - 51 and 53 - 63 on fig. 7-248

1шт.

2

NSS

NOT SOLD SEPARAT

BODY - valve (Order G105128) (Reference No. 105060)

1шт.

3

A58439

RETAINER

WASHER - retainer

1шт.

4

G101155

SPRING

- low pressure

1шт.

5

G101106

VALVE POPPET

VALVE - poppet

1шт.

9

178-457

SET SCREW,Hex Soc, 3/8"-16 x 3/4"

SCREW - hex socket head, oval point, 3/8 NC x 3/4 inch

1шт.

10

25-146

JAM NUT,Jam, 3/8"-16, G5

- hex jam, 3/8 inch NC

1шт.

11

G100761

RETAINER

- spring

1шт.

12

G100769

RING

- retaining, spring retainer

1шт.

13

138-14

LOCK PIN,1/16" x 1", Slotted

Pin, 1/16" x 1", Slotted

1шт.

15

A58602

O-RING,0.103" Thk x 0.924" ID, -119, Cl 5, 75 Duro

- retainer

1шт.

16

G100762

PISTON

- relief valve

1шт.

17

A17526

O-RING,0.614" ID x 0.754" OD x 0.7"

- relief piston

1шт.

18

G100760

SPRING

- outer, 11/16 inch O.D. (17 mm)

1шт.

19

G100759

SPRING

- inner, 7/16 inch O.D. (11 mm)

1шт.

20

G102877

GUIDE

- spring

1шт.

21

R15365

O-RING,0.989" ID x 1.129" OD x 0.07"

- spring guide

1шт.

22

G100588

WASHER

- guide

1шт.

23

211-259

BALL,5/16" Dia

- pressure relief, 5/16 inch diameter (8 mm)

1шт.

24

D26872

O-RING

- relief valve seat (Order A18414)

1шт.

25

G35351

SEAT

- ball

1шт.

30

G104393

PLUG

- locking relief valve

1шт.

31

218-1278

BHD LOCK NUT,Blkhd, 3/4"-16

NUT - lock, relief valve plug

1шт.

33

G104395

SPRING

- 3/8 inch O.D. (10 mm)

1шт.

34

G104392

SPOOL

POPPET - pilot relief

1шт.

36

G103122

O-RING,0.064" Thk x 0.239" ID, -902, Cl 6, 90 Duro

seat 2-1, .239" ID x .064" Thk

1шт.

37

G104394

PLUG

SEAT - ball, poppet

1шт.

40

G100940

PLUG

- brake equalizer

1шт.

41

237-6010

O-RING,0.097" Thk x 0.755" ID, -910, Cl 6, 90 Duro

- 3/4 x 5/8 x 3/32 inch (19 x 16 x 2 mm)

1шт.

44

G105031

PISTON

ASSEMBLY - pressure equalizer

1шт.

45

A18414

O-RING,0.07" Thk x 0.489" ID, -14, Cl 5, 75 Duro

- piston

1шт.

46

G100797

RING

- seal

1шт.

47

G105033

SPRING

- equalizer

1шт.

48

G100941

WASHER

- spring

2шт.

49

G105032

PISTON PIN

PIN - piston pin

1шт.

50

T30271

O-RING,0.07" Thk x 0.114" ID, -6, Cl 5, 75 Duro

- piston pin

1шт.

51

A59947

SNAP RING,0.453", Int, #45

Ring, Snap, 0.453", Int, #45

1шт.

32

218-5006

O-RING,0.087" Thk x 0.644" ID, -908, Cl 6, 90 Duro

8-1, 90 Duro, .644" ID x .087" Thk, plug

1шт.

Выбрано товаров: 38