Запчасти Case IH 2094 (8-324) - REMOTE CONTROL VALVE, WITH LOAD CHECK (08) - HYDRAULICS

Схема запчастей Case IH 2094 - (8-324) - REMOTE CONTROL VALVE, WITH LOAD CHECK (08) - HYDRAULICS
45
48
59
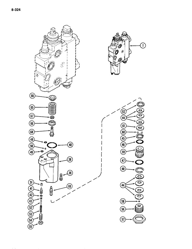
1
38
50
55
43
62
53
67
41
46
69
57
52
61
66
39
66
56
58
51
44
68
44
60
40
47
49
54
65
49
42
FIT
1:1
100%

Артикул

Название

Примечание

Количество

A162851

LOCK VALVE

VALVE ASSEMBLY - remote control (Continued from Figure 8-322), Includes: Refs. 38 - 69, 75 - 91 on fig. 8-326 and 1 - 37 on Fig. 8-322

1шт.

1

A46913

BODY

ASSEMBLY - remote hydraulic control valve (Continued from Figure 8-322)

1шт.

38

A46922

HOUSING

ASSEMBLY - detent

1шт.

39

61-416

HEX SOC SCREW,1/4"-20 x 1"

SCREW - cap, socket head, 1/4 NC x 1 inch

3шт.

A47572

KIT

- seal, detent housing, Includes: Refs. 40 - 49

1шт.

40

A59066

O-RING,1.239" ID x 1.379" OD

- 1-1/4 x 1-3/8 x 1/16 inch (32 x 35 x 2 mm)

1шт.

41

A47192

SPOOL

POPPET - pilot

1шт.

42

A51274

O-RING,0.145" ID x 0.285" OD

- 5/32 x 9/32 x 1/16 inch (4 x 7 x 2 mm)

1шт.

43

D54860

RING

- backup

1шт.

44

D78437

WASHER

- dished

7шт.

45

A47100

RING

- backup

1шт.

46

R15366

O-RING,7/8" ID x 1" OD x 1/16"

- 7/8 x 1 x 1/16 inch (2 x 25 x 2 mm)

1шт.

47

R15365

O-RING,0.989" ID x 1.129" OD x 0.07"

- 1 x 1-1/8 x 1/16 inch (25 x 28 x 2 mm)

1шт.

48

A52208

SEAL,25.98mm ID x 28.73mm OD x 1.32mm Thk

RING - backup (Replaces C14656)

1шт.

49

A138385

O-RING,0.07" Thk x 0.301" ID, -11, Cl 6, 90 Duro

- 5/16 x 7/16 x 1/16 inch (8 x 11 x 2 mm)

2шт.

50

A47658

PLUG

- orifice

1шт.

51

A46924

SEAT

- pilot

1шт.

52

A47104

PIN

- spring guide

1шт.

53

D78468

SPRING

- pilot

1шт.

54

A47173

SCREW,3/8" - 24 x 0.96"

- adjusting, 3/8 NF x 31/32 inch

1шт.

55

86585245

SPECIAL NUT,JAM, 5/8" - 18

- hex, 3/8 inch NF

1шт.

56

A47211

PLUG

- detent adjusting

1шт.

57

A47175

LOCK NUT

NUT - lock

1шт.

58

A47206

FILTER

- float

1шт.

59

A47207

PISTON

- float

1шт.

60

211-256

BALL

- chrome steel, 7/32 inch diameter (6 mm)

7шт.

61

A47198

RETAINER

- ball

1шт.

62

D78438

WASHER

- detent, spring washer

1шт.

65

A47177

SPRING

- detent, 1 O.D. x 2-1/2 inch free length (25 x 64 mm)

1шт.

66

A47197

RETAINER

REATINER - spring

2шт.

67

A47199

BUSHING

SPACER - detent

1шт.

68

A46923

COUPLING, BREAK AWAY

COUPLER - detent

1шт.

69

A47190

SHAFT

- pivot, detent

1шт.

Выбрано товаров: 33