Запчасти Case IH 2094 (8-326) - REMOTE CONTROL VALVE, WITH LOAD CHECK (08) - HYDRAULICS

Схема запчастей Case IH 2094 - (8-326) - REMOTE CONTROL VALVE, WITH LOAD CHECK (08) - HYDRAULICS
79
83
82
81
82
76
81
89
86
85
76
78
86
75
91
85
77
77
84
84
90
78
79
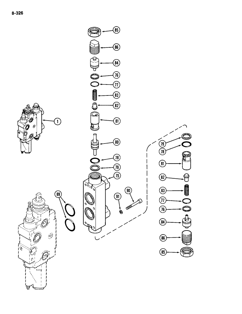
1
80
83
FIT
1:1
100%

Артикул

Название

Примечание

Количество

1

A162851

LOCK VALVE

VALVE ASSEMBLY - remote control, Continued from Figure 8-324, Includes: Refs. 75 - 91, 1 - 37 on Fig. 8-322 and 38 - 69 on fig. 8-324

1шт.

A46914

BODY

LOAD CHECK ASSEMBLY - valve, Includes: Refs. 75 - 86

1шт.

75

NSS

NOT SOLD SEPARAT

BODY - load check valve (Order A46914)

1шт.

76

N7509

RING

- backup

2шт.

77

A15888

O-RING,0.801" ID x 0.941" OD x 0.07"

2шт.

78

A141835

O-RING,0.07" Thk x 0.926" ID, -21, Cl 6, 90 Duro

2шт.

79

R31052

O-RING,15/16" ID x 1-1/16" OD x 3/64"

RING - backup

2шт.

80

A46915

SPOOL

- load check

1шт.

81

A46916

SEAT

- load check

2шт.

82

A46917

SPOOL

POPPET - load check

2шт.

83

A46918

SPRING

- poppet

2шт.

84

A46919

RETAINER

- spring

2шт.

85

A46920

NUT

- lock, 1-1/6 inch

2шт.

86

A46921

PLUG

- load check

2шт.

89

G34001

O-RING,0.103" Thk x 1.424" ID, -127, Cl 6, 90 Duro

2шт.

90

61-432

HEX SOC SCREW,1/4"-20 x 2"

SCREW, Hex Soc Hd, 1/4"-20 x 2"

6шт.

91

192-402

LOCK WASHER

WASHER - lock, 1/4 inch

6шт.

Выбрано товаров: 17