Запчасти Case IH 2094 (4-092) - A167155 ALTERNATOR (04) - ELECTRICAL SYSTEMS

Схема запчастей Case IH 2094 - (4-092) - A167155 ALTERNATOR (04) - ELECTRICAL SYSTEMS
FIT
1:1
100%

Артикул

Название

Примечание

Количество

1

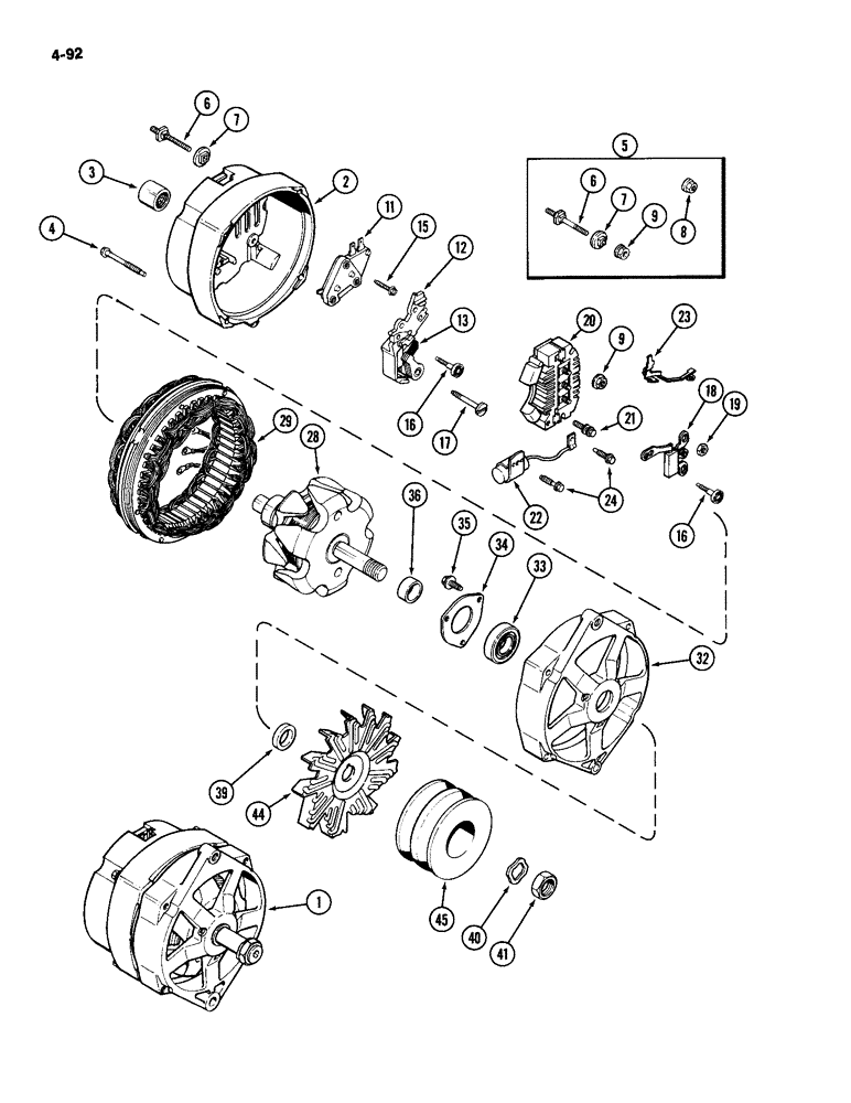
A167155

ALTERNATOR ASSEMBLY - 72 ampere, Delco-Remy No. 11051673 (J I Case Installed) (Order A46938, A43384 and L59716), Includes: Refs. 2 - 41

1шт.

1

A47444

REMAN-ALTERNATOR

Alternator - engine, remanufactured, Includes: Refs. 2 - 41

1шт.

1

A47445

CORE-ALTERNATOR

Return Number - use this P/N to return alternator core for credit, Includes: Refs. 2 - 41

1шт.

1

A46938

ALTERNATOR

ALTERNATOR ASSEMBLY - engine, new (Service only), Includes: Refs. 2 - 41

1шт.

1

A46932

ALTERNATOR

ALTERNATOR - 12 Volt 63 ampere

1шт.

1

103799A1R

REMAN-ALTERNATOR

Remanufactured Alternator, 12 volts, 63 ampere,

1шт.

1

103799A1C

CORE-ALTERNATOR

Return Part Number, 12 volts 63 ampere

1шт.

1

87297244

REMAN-ALTERNATOR

Remanufactured Alternator Option

1шт.

1

87297245

CORE-ALTERNATOR

Return Part Number

1шт.

1

87297246

REMAN-ALTERNATOR

Reman For New PN A46932

1шт.

1

87297247

CORE-ALTERNATOR

Return Part Number

1шт.

1

146466C91

ALTERNATOR

Alternator, 12 VOLT, 80 AMP

1шт.

1

104023A1R

REMAN-ALTERNATOR

Remanufactured 12 VOLT, 80 AMP Alternator

1шт.

1

104023A1C

CORE-ALTERNATOR

Return Part Number, 12 VOLT, 80 AMP Alternator

1шт.

1

A47625

ALTERNATOR

ALTERNATOR - 12 Volt 72 ampere

1шт.

1

103804A1GV

ALTERNATOR

Value, 12V, 72A

1шт.

1

103804A1R

REMAN-ALTERNATOR

Reman For New PN A47625

1шт.

1

103804A1C

CORE-ALTERNATOR

Return Part Number

1шт.

2

A47595

FRAME

FRAME ASSEMBLY - slip ring end

1шт.

3

A47578

ROLLER BEARING,0.6694" ID x 0.937" OD x 0.73"

BEARING - roller

1шт.

4

163-6

SCREW,Hex, #10 - 24 x 1 3/4"

BOLT - hex, through No. 10-24 x 1-3/4 inch

4шт.

5

A47597

TERMINAL CONNECTOR

TERMINAL KIT - battery, Includes: Refs. 6 - 9

1шт.

6

NSS

NOT SOLD SEPARAT

STUD - terminal

1шт.

7

NSS

NOT SOLD SEPARAT

INSULATOR - terminal

1шт.

8

NSS

NOT SOLD SEPARAT

NUT ASSEMBLY - terminal

1шт.

9

NSS

NOT SOLD SEPARAT

NUT ASSEMBLY - terminal

1шт.

11

A45213

REGULATOR

REGULATOR - voltage

1шт.

12

A47042

HOLDER

HOLDER ASSEMBLY - brush, Includes: Ref. 13

1шт.

13

A47626

COMMUTATOR BRUSH

BRUSH - alternator (Order A47987)

2шт.

15

A47043

SCREW,#8 - 32 x 21"

SCREW - brush holder, grounded

1шт.

16

A45223

SCREW,Spcl, #8 - 32 x 1 1/8"

SCREW - brush holder, insulated

1шт.

17

A47581

SCREW,#8 - 32 x 1.43"

SCREW - brush holder, retaining

1шт.

18

A48339

DIODE

DIODE - trio

1шт.

19

129-16

NUT,#8-32

NUT, , Diode to rectifier bridge #8-32

3шт.

20

A46942

ELEC CONNECTOR

RECTIFIER BRIDGE - alternator

1шт.

21

A45221

SCREW,Hex Wshr Hd, #8 - 32 x 0.99"

SCREW - rectifier bridge attacking

1шт.

22

A47734

CAPACITOR

CAPACITOR - alternator

1шт.

23

A46931

TERMINAL CONNECTOR

TERMINAL - relay

1шт.

24

A45228

SELF-TAP SCREW,Hex Wash Hd, #8-32 x .59", Spc

SCREW - capacitor bracket

2шт.

28

A46935

ROTOR

ROTOR ASSEMBLY - alternator

1шт.

29

A46934

STATOR

STATOR ASSEMBLY - alternator

1шт.

32

A46933

FRAME

FRAME - drive end

1шт.

33

A49389

BEARING ASSY

BEARING - ball, drive end (Replaces A47579)

1шт.

34

R15101

PLATE

PLATE - bearing retainer

1шт.

35

A46941

SCREW,Hex Washer, #10 - 24 x 0.52"

SCREW - bearing plate retaining

3шт.

36

A48261

COLLAR

COLLAR - rotor shaft, inner

1шт.

39

A47580

COLLAR

COLLAR - rotor shaft, outer

1шт.

40

R16171

SPRING WASHER

WASHER - lock, pulley nut

1шт.

41

A25546

NUT

NUT - pulley and fan retaining

1шт.

44

A43384

FAN

FAN - alternator ventilating

1шт.

45

A45231

PULLEY

PULLEY - drive, single groove

1шт.

45

L59716

PULLEY

drive, double groove

1шт.

Выбрано товаров: 52