Запчасти Case IH 2094 (4-106) - ENGINE AUTOMATIC SHUTOFF KIT (04) - ELECTRICAL SYSTEMS

Схема запчастей Case IH 2094 - (4-106) - ENGINE AUTOMATIC SHUTOFF KIT (04) - ELECTRICAL SYSTEMS
25
3
18
20
19
20
1
15
5
6
7
14
27
28
26
16
18
2
17
4
27
8
21
19
FIT
1:1
100%

Артикул

Название

Примечание

Количество

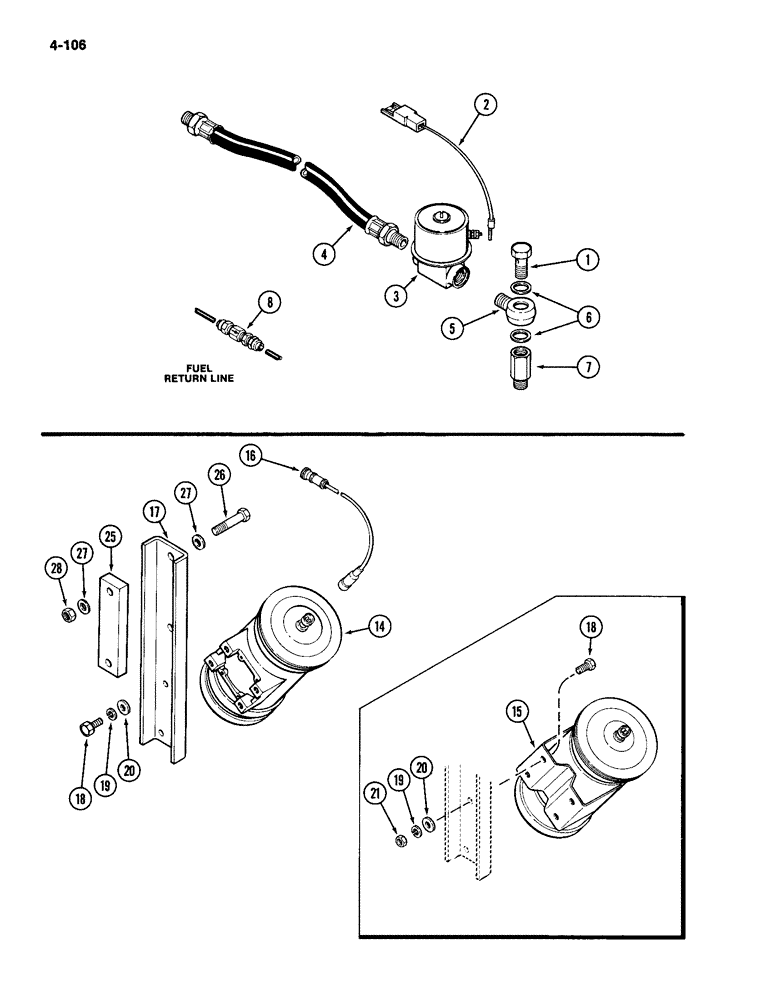
A165226

SHUTOFF KIT - engine automatic (Machinery Item), Includes: Refs. 1 - 8

1шт.

1

A47945

BOLT

CONNECTOR BOLT - oil pressure, hollow

1шт.

2

A165227

ELECTRICAL WIRE

WIRE - switch to firewall connector

1шт.

3

A47917

VALVE

ASSEMBLY - fuel

1шт.

4

A47946

HOSE

- fuel, 15-3/8 inch long (391 mm)

1шт.

5

A47919

FITTING

- banjo type

1шт.

6

A27928

WASHER,14.22mm ID x 19.18mm OD x 2.06mm Thk

- banjo fitting, copper

2шт.

7

A47944

ADAPTER

- extension

1шт.

8

A48232

VALVE

- check

1шт.

A67547

GROUND SPEED ATTACHMENT - (Machinery Item), Includes: Refs. 14 - 28

1шт.

14

A177139

RELAY

SENSOR - ground speed, attachment

1шт.

15

A169110

SENSOR

- ground speed (Order A177139), attachment

1шт.

16

A167862

HARNESS

- sensor, ground speed attachment

1шт.

17

A167568

BRACKET

- mounting, sensor, ground speed attachment

1шт.

18

113-207

BOLT,Hex, 3/8" - 16 x 1", Gr 5

- hex, 3/8 NC x 3/4 inch, ground speed attachment

2шт.

19

192-21

LOCK WASHER,3/8"

WASHER, LOCK, , Ground speed attachment 3/8"

2шт.

20

195-525

WASHER,3/8", SAE

- 13/32 x 13/16 x 1/16 inch (10 x 21 x 2 mm), ground speed attachment

2шт.

21

129-103

NUT,Hex, 3/8" - 16, Gr 5

NUT, (Used with A169110 sensor), ground speed attachment 3/8"-16, G5

2шт.

25

A167577

PLATE

- sensor clamp, ground speed attachment

1шт.

26

814-16070

BOLT,Hex, M16 x 2 x 70mm, Cl 8.8

ground speed attachment Hex, M16 x 70, 8.8

2шт.

27

895-11016

WASHER,17.5mm ID x 30mm OD x 3mm Thk

Flat, Ground speed attachment M16 x 30 x 3

4шт.

28

825-1116

NUT,M16, Cl 8

Ground speed attachment M16, Cl 8

2шт.

Выбрано товаров: 22