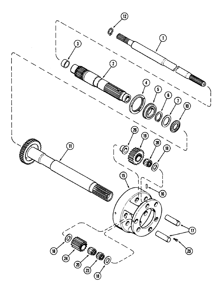
Запчасти Case IH 2096 (6-168) - POWER SHIFT TRANSMISSION, CLUTCH PLANETARY, PRIOR TO TRANSMISSION SERIAL NUMBER 16264559 (06) - POWER TRAIN

Схема запчастей Case IH 2096 - (6-168) - POWER SHIFT TRANSMISSION, CLUTCH PLANETARY, PRIOR TO TRANSMISSION SERIAL NUMBER 16264559 (06) - POWER TRAIN
16
18
7
11
15
5
20
26
4
17
2
18
18
25
20
6
1
19
10
3
23
24
12
FIT
1:1
100%

Артикул

Название

Примечание

Количество

1

A168389

SHAFT

- input, power and PTO drive front (51.4 in. long)

1шт.

2

A168048

SHAFT

ASSEMBLY - drive, pinion, Includes: Ref. 3

1шт.

3

A156939

BUSHING,31.83mm ID x 35.88mm OD x 19.05mm L

- support, PTO shaft

1шт.

4

A146603

RETAINER

- bearing, carrier

1шт.

5

A63109

BEARING, BALL

BEARING - ball, carrier (Includes snap ring)

1шт.

6

A7611

SNAP RING,#175, Ext

Ring, Snap, #175, Ext

1шт.

7

A54021

WASHER

RACE - thrust, 2-1/2 inch (64 MM)

1шт.

10

A154648

THRUST BEARING,44.5mm ID x 66.04mm OD x 2.69mm W

BEARING - flanged, needle thrust

1шт.

11

A159531

SHAFT

- drive, planetary input, 22.65"

1шт.

12

F62235

SNAP RING,#112, Ext

Ring, Snap, #112, Ext

1шт.

15

A159572

CARRIER

- planetary

1шт.

16

138-92

LOCK PIN,3/16" x 3/4", Slotted

PIN, 3/16" x 3/4", Slotted

6шт.

17

A63107

PIN

- gear, planetary

6шт.

18

A58070

WASHER,25.45mm ID x 44.45mm OD x 0.76mm Thk

RACE - thrust, planetary gear, 1-3/4 inch (44 MM)

9шт.

19

A63105

GEAR

- planetary, short, 36 teeth, 1-1/4 inch long (32 MM)

3шт.

20

A62543

NEEDLE BEARING,25.39mm ID x 33.36mm OD x 31.56mm W

BEARING - roller, planetary gear

6шт.

23

A58077

ROLLER BEARING,25.395 mm ID x 33.3578 mm OD x 25.21 mm

BEARING - roller, planetary gear, short

3шт.

24

A63108

GEAR

- planetary (Long)

3шт.

25

62-410

HEX SOC SCREW,1/4"-28 x 5/8"

SCREW - hex socket head, 1/4 NF x 5/8 inch

3шт.

26

A140877

SPACER,25.65mm ID x 31.88mm OD x 27.9mm L

- flanged, short gear

3шт.

Выбрано товаров: 20