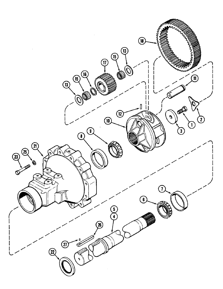
Запчасти Case IH 2096 (6-202) - REAR AXLE, HOUSING AND PLANETARY GEARS, 96 INCH (2438 MM) LONG AXLE, 3-7/8 INCH (98 MM) DIAMETER, (06) - POWER TRAIN

Схема запчастей Case IH 2096 - (6-202) - REAR AXLE, HOUSING AND PLANETARY GEARS, 96 INCH (2438 MM) LONG AXLE, 3-7/8 INCH (98 MM) DIAMETER, (06) - POWER TRAIN
1
13
18
27
15
9
3
17
12
11
4
25
13
2
26
15
8
5
16
10
7
21
6
23
22
FIT
1:1
100%

Артикул

Название

Примечание

Количество

1

26-1436

BOLT,Hex, 7/8" - 9 x 2-1/4", Gr 8

- hex, 7/8 NC x 2-1/4 inch (Grade 8)

2шт.

2

A63221

PLATE

- lock, bearing

2шт.

3

A63220

PLATE

- retaining, rear axle

2шт.

4

A179761

SHAFT

- rear axle, 96 inch long (2438 MM)

2шт.

5

A179760

SHAFT

- rear axle, 102 inch long (3048 MM)

1шт.

6

A63216

ROLLER BEARING,89.98mm ID x 44mm W

CONE - bearing, outer

2шт.

7

A63214

CUP

- bearing, outer

2шт.

8

A50324

BEARING CUP

CUP - bearing, inner

2шт.

9

PA34339

NUT

CONE - bearing, inner

2шт.

10

A168153

CARRIER

- planetary gear

2шт.

11

A168244

PIN,41.94mm OD x 138.2mm L

- planetary gear, with 3/8 inch hole (10 MM)

6шт.

12

138-2066

PIN,3/8" x 1 1/2", Coiled

6шт.

13

A67116

WASHER

- planetary pin roller, 3 inch (76 MM)

12шт.

15

A47252

ROLLER BEARING

BEARING KIT - roller, planetary gear (Pack of 38)

1шт.

16

A67117

SPACER

- roller bearing separator, 2-13/64 inch (56 MM)

6шт.

17

A168175

GEAR

- planetary, rear axle

6шт.

18

A151934

GEAR

- planetary, ring

2шт.

21

A179983

HOUSING

- rear axle

2шт.

22

A63218

OIL SEAL

- oil, rear axle

2шт.

23

26-1072

BOLT,Hex, 5/8" - 11 x 4-1/2", Gr 8

- hex, 5/8 NC x 4-1/2 inch (Grade 8)

24шт.

25

A64303

WASHER

- 1-1/16 inch (27 MM)

24шт.

26

A34890

BUCKET TOOTH KEY

KEY - rear axle shaft, 6 inch long (152 MM)

2шт.

27

138-127

LOCK PIN,1/4" x 1/2", Slotted

PIN, 1/4" x 1/2", Slotted

2шт.

Выбрано товаров: 23