Запчасти Case IH 2096 (8-268) - HYDRAULICS, GEAR AND PISTON PUMP ASSEMBLY (08) - HYDRAULICS

Схема запчастей Case IH 2096 - (8-268) - HYDRAULICS, GEAR AND PISTON PUMP ASSEMBLY (08) - HYDRAULICS
22
4
9
25
18
19
8
6
10
2
3
12
5
16
17
26
1
7
24
23
20
21
15
11
FIT
1:1
100%

Артикул

Название

Примечание

Количество

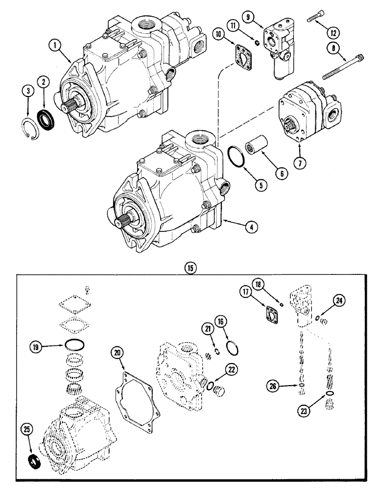
1

A166504

PUMP

ASSEMBLY - hydraulic, complete, Includes: Ref. 2 - 26 and parts in Figures 8-270 - 8-276

1шт.

1346425C1

REMAN-HYD PUMP

2096 (PRIOR TO S/N 17897500) (1/84-12/86)

1шт.

1346426C1

CORE-HYDRAULIC PUMP

Return Number

1шт.

2

A47480

SEAL,25.35mm ID x 44.78mm OD x 7.57mm Thk

- oil

1шт.

3

A44937

SNAP RING,#175, Ext

Ring, Snap, #175, Ext

1шт.

4

NSS

NOT SOLD SEPARAT

PUMP ASSEMBLY - piston type (See Figure 8-270)

1шт.

5

F98069

O-RING

- seal

1шт.

6

A47312

COUPLING, BREAK AWAY

COUPLING - drive, gear pump to piston pump

1шт.

7

REF

INSTRUCTION

PUMP ASSEMBLY - gear type (See Figure: 8-274)

1шт.

8

A47412

SCREW,M8 x 100mm

- metric, gear pump to piston pump

2шт.

9

REF

INSTRUCTION

COMPENSATOR ASSEMBLY - pump (See Figure: 8-276)

1шт.

10

A49436

GASKET

-, Serial Range: compensator-pump

1шт.

11

A138385

O-RING,0.07" Thk x 0.301" ID, -11, Cl 6, 90 Duro

- compensator

1шт.

12

165-26

HEX SOC SCREW,#10 - 24 x 1 1/4"

SCREW - socket head, no. 10-24 x 1-1/4 inch

4шт.

15

A47567

KIT

- seal and gasket, complete pump, Includes: Ref. 16 - 26, see items in Figures 8-270 - 8-276

1шт.

16

F98069

O-RING

- gear pump to piston pump

1шт.

17

A49436

GASKET

-, Serial Range: compensator-pump

1шт.

18

A138385

O-RING,0.07" Thk x 0.301" ID, -11, Cl 6, 90 Duro

- compensator

1шт.

19

S5730

O-RING,0.103" Thk x 2.05" ID, -137, Cl 5, 75 Duro

- yoke cover, piston pump

2шт.

20

A47280

GASKET,0.53mm Thk

- cylinder block to body, piston pump

1шт.

21

H756783

O-RING,0.103" Thk x 0.487" ID, -112, Cl 6, 90 Duro

- 1/2 x 11/16 x 3/32 inch (13 x 17 x 2 MM)

1шт.

22

237-6010

O-RING,0.097" Thk x 0.755" ID, -910, Cl 6, 90 Duro

- 3/4 x 61/64 x 3/32 inch (19 x 24 x 2 MM)

1шт.

23

A65918

O-RING,0.551" ID x 0.691" OD

- 9/16 x 11/16 x 1/16 inch (14 x 17 x 2 MM)

1шт.

24

218-5003

O-RING,0.072" Thk x 0.351" ID, -904, Cl 6, 90 Duro

- 11/32 x 1/2 x 5/64 inch (9 x 13 x 2 MM)

1шт.

25

A47480

SEAL,25.35mm ID x 44.78mm OD x 7.57mm Thk

- oil

1шт.

26

A49435

O-RING

- rubber

1шт.

Выбрано товаров: 26