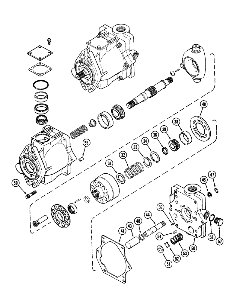
Запчасти Case IH 2096 (8-272) - HYDRAULICS, GEAR AND PISTON PUMP ASSEMBLY (CONTD) (08) - HYDRAULICS

Схема запчастей Case IH 2096 - (8-272) - HYDRAULICS, GEAR AND PISTON PUMP ASSEMBLY (CONTD) (08) - HYDRAULICS
45
55
53
32
40
51
52
56
57
43
34
31
47
58
39
33
50
38
48
59
54
41
36
44
FIT
1:1
100%

Артикул

Название

Примечание

Количество

A166504

PUMP

ASSEMBLY - hydraulic, complete, Includes: Ref. 31 - 59 in this figure and parts in Figures 8-268, 8-270, 8-274 and 8-276

1шт.

1346425C1

REMAN-HYD PUMP

2096 (PRIOR TO S/N 17897500) (1/84-12/86)

1шт.

1346426C1

CORE-HYDRAULIC PUMP

Return Number

1шт.

31

A47299

WASHER

- spring, front

1шт.

Part of Block Kit, P/N N8303

1шт.

32

A47298

SPRING

- cylinder block

1шт.

Part of Block Kit, P/N N8303

1шт.

33

A47300

SPRING WASHER

WASHER - spring, rear

1шт.

Part of Block Kit, P/N N8303

1шт.

34

D27833

SNAP RING,1.625", Int, #162

Ring, Snap, , cylinder block 1.625", Int, #162

1шт.

Part of Block Kit, P/N N8303

1шт.

A47303

KIT

- spacer, rear bearing, Includes: Ref. 36

1шт.

36

NSS

NOT SOLD SEPARAT

SPACER - 0.139 inch (3.53 mm)

1шт.

36

NSS

NOT SOLD SEPARAT

SPACER - 0.142 inch (3.61 mm)

1шт.

36

NSS

NOT SOLD SEPARAT

SPACER - 0.145 inch (3.68 mm)

1шт.

36

NSS

NOT SOLD SEPARAT

SPACER - 0.148 inch (3.76 mm)

1шт.

36

NSS

NOT SOLD SEPARAT

SPACER - 0.151 inch (3.84 mm)

1шт.

36

NSS

NOT SOLD SEPARAT

SPACER - 0.154 inch (3.91 mm)

1шт.

36

NSS

NOT SOLD SEPARAT

SPACER - 0.157 inch (3.99 mm)

1шт.

36

NSS

NOT SOLD SEPARAT

SPACER - 0.160 inch (4.06 mm)

1шт.

36

NSS

NOT SOLD SEPARAT

SPACER - 0.163 inch (4.14 mm)

1шт.

36

NSS

NOT SOLD SEPARAT

SPACER - 0.166 inch (4.22 mm)

1шт.

36

NSS

NOT SOLD SEPARAT

SPACER - 0.169 inch (4.29 mm)

1шт.

38

FB14849

BEARING CUP

- bearing, 1-31/32 inch O.D. (50 mm)

1шт.

39

FB14850

ROLLER BEARING

CONE - bearing, 27/32 inch ID (21 mm)

1шт.

40

A47302

PLATE

- wafer

1шт.

41

A47280

GASKET,0.53mm Thk

- body

1шт.

A47305

KIT

ROD KIT - piston, Includes: Ref. 43 - 45

1шт.

43

NSS

NOT SOLD SEPARAT

PISTON - rod (Reference no. A47338)

1шт.

44

NSS

NOT SOLD SEPARAT

ROD - piston (Reference no. A47339)

1шт.

45

A47340

RING

- snap, piston rod

1шт.

47

H756783

O-RING,0.103" Thk x 0.487" ID, -112, Cl 6, 90 Duro

- 1/2 x 11/16 x 3/32 inch (13 x 17 x 2mm)

1шт.

48

A47479

BUSHING

SPACER - piston limit

1шт.

50

A49434

PIPE

BLOCK - valve

1шт.

51

A47306

PLUG

SEAT - valve block

1шт.

52

A47307

VALVE

- check

1шт.

53

A47308

SPRING

- valve block

1шт.

54

A47309

PIN

- headless, 1/4 x 1/2 inch

1шт.

55

A47301

PIN

- housing to valve body

2шт.

56

221-1849

PLUG

- 1/8-27 inch PT

1шт.

57

86512512

PLUG,7/8" - 14 ORB

Valve body Hex Hd, 7/8"-14 ORB

1шт.

58

237-6010

O-RING,0.097" Thk x 0.755" ID, -910, Cl 6, 90 Duro

- 3/4 x 61/64 x 3/32 inch (19 x 24 x 2 mm)

1шт.

59

166-47

12 PT SCREW,Flg, 3/8" - 16 x 1 1/2", Gr 8

SCREW - 12 point head, 3/8 NC x 1-1/2 inch

6шт.

A47567

KIT

- seal and gasket, pump (See Figure 8-268)

1шт.

N8303

KIT

BLOCK KIT - rotating, Includes Refs. 31 through 34 in this figure and parts in Figure 8-270

1шт.

Выбрано товаров: 45