Запчасти Case IH 2096 (8-286) - REMOTE HYDRAULICS, REMOTE ATTACHMENT, NUMBER THREE CIRCUIT WITHOUT LOAD CHECK (08) - HYDRAULICS

Схема запчастей Case IH 2096 - (8-286) - REMOTE HYDRAULICS, REMOTE ATTACHMENT, NUMBER THREE CIRCUIT WITHOUT LOAD CHECK (08) - HYDRAULICS
11
7
3
27
23
31
16
16
20
24
29
15
12
20
17
12
28
19
14
22
30
31
1
32
21
2
6
10
9
13
18
FIT
1:1
100%

Артикул

Название

Примечание

Количество

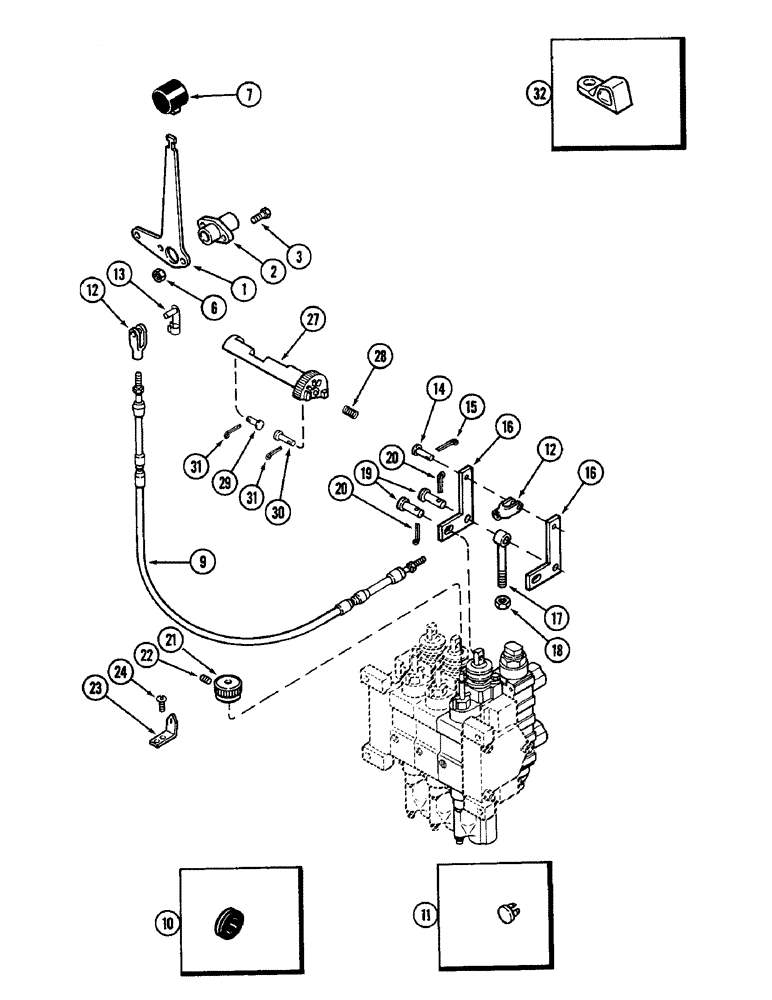
A180262

ATTACHMENT - remote hydraulics, no. 3 circuit (Replaces A67588) (Machinery item), Includes: Ref. 1 - 31 in this figure and parts in Figure 8-288

1шт.

1

A141392

LEVER

- control, inner

1шт.

2

A160500

BUSHING,15.95mm ID x 25.4mm OD x 55.37mm L

BEARING - lever

1шт.

3

113-3

BOLT,Hex, 1/4" - 20 x 3/4", Gr 5

2шт.

6

131-1180

LOCK NUT,1/4"-20, GA

NUT, LOCK, 1/4"-20, GA

2шт.

7

A177438

KNOB

- hand lever (Black)

1шт.

9

A177635

CABLE

- control, Serial Range: lever-bellcrank

1шт.

10

A145925

GROMMET

- control cable (In cab floor) (Order A145925)

1шт.

11

A67295

PLUG

- cable retaining, 9/16 inch diameter head (14 MM) (In mounting bracket)

2шт.

11

A162961

PLUG

- cable retaining, 3/4 inch diameter head (19 MM)

1шт.

12

213-1

ADJUSTABLE CLEVIS,#10-32

YOKE - cable

2шт.

13

A149683

PIN

- yoke

1шт.

14

A67313

PIN

- bellcrank

1шт.

15

132-329

COTTER PIN,1/16" x 3/4"

1/16" x 3/4"

2шт.

16

A145598

LEVER

- bellcrank

2шт.

17

A145597

EYE

- pivot, bellcrank

1шт.

18

25-146

JAM NUT,Jam, 3/8"-16, G5

- hex jam, 3/8 inch NC

1шт.

19

141-54

CLEVIS PIN,3/8" x 1 1/16"

2шт.

20

132-320

COTTER PIN,3/32" x 3/4"

PIN, SPLIT (COTTER), 3/32" x 3/4"

2шт.

21

A160814

KNOB

- flow control

1шт.

22

178-1108

SET SCREW,Hex Soc, #10-32 x 5/8"

SCREW - socket head cone point, no. 10-32 x 5/8 inch

1шт.

23

A64179

INDEX

- flow control knob (If equipped)

1шт.

24

187-1037

SELF-TAP SCREW,Slotted Pan Hd, #8 x 3/8"

SCREW - round head self-tapping, no. 8 x 3/8 inch (If equipped)

2шт.

27

A162861

QUADRANT

- lock, remote

1шт.

28

A164976

SPRING

- lock, remote

1шт.

29

A67313

PIN

- clevis, quadrant

1шт.

30

A167543

PIN,4.72mm OD x 19.99mm L

- clevis

1шт.

31

132-329

COTTER PIN,1/16" x 3/4"

1/16" x 3/4"

2шт.

32

A141542

LEVER

TAB - lock, float

1шт.

Выбрано товаров: 29