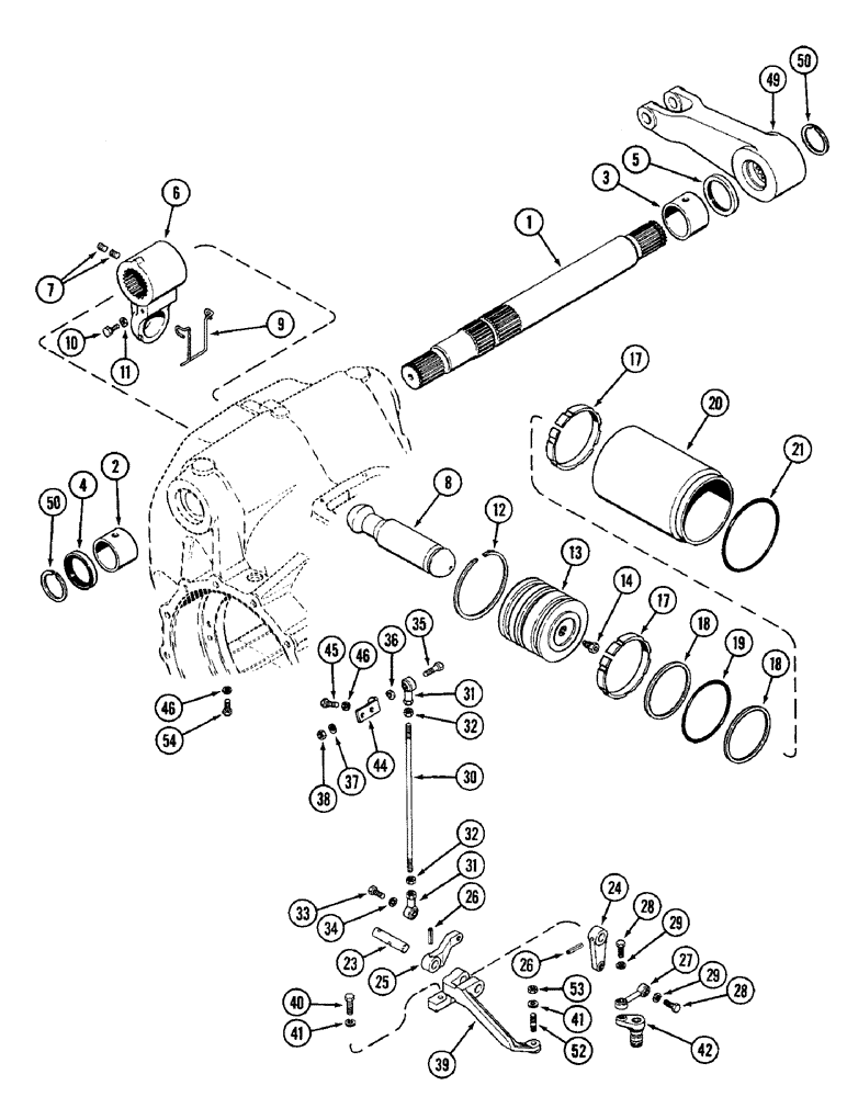
Запчасти Case IH 2096 (8-322) - HITCH ROCKSHAFT AND PISTON (08) - HYDRAULICS

Схема запчастей Case IH 2096 - (8-322) - HITCH ROCKSHAFT AND PISTON (08) - HYDRAULICS
20
2
49
33
32
17
29
46
12
27
6
29
5
32
31
53
3
26
11
30
37
41
10
25
41
44
46
28
24
23
34
9
19
18
1
21
17
51
50
13
26
45
4
52
42
8
39
36
28
14
50
35
18
54
7
31
38
FIT
1:1
100%

Артикул

Название

Примечание

Количество

1

A163097

ROCKSHAFT

- lift arm, hitch

1шт.

2

A141198

BUSHING,60.47mm ID x 65.24mm OD x 50.93mm L

- right hand, 2-3/8 inch (50 MM) ID

1шт.

3

A141199

BUSHING,70mm ID x 74.8mm OD x 51mm L

- left hand, 2-3/4 inch (70 MM) ID

1шт.

4

A32304

OIL SEAL,60.33mm ID x 85.8mm OD x 11.91mm Thk

- oil, right hand, 2-3/8 inch (50 MM) ID

1шт.

5

A32305

OIL SEAL,69.85mm ID x 92.2mm OD x 11.91mm Thk

- oil, left hand, 2-3/4 inch (70 MM)

1шт.

6

A161618

ARM

- rockshaft, piston rod

1шт.

7

84-88

SET SCREW,Hex Soc, 1/2"-20 x 1/2"

SCREW - set, socket head cup point, 1/2 NF x 1/2 inch

2шт.

8

A139101

ROD

- piston

1шт.

9

A60497

SPRING

- rod

1шт.

10

113-207

BOLT,Hex, 3/8" - 16 x 1", Gr 5

2шт.

11

196-5

WASHER,13/32" x 1 1/16" x .095", HDN

- flat, 13/32 x 1-1/16 x 3/16 inch (10 x 27 x 5 MM)

2шт.

12

A32292

CIRCLIP

RING - snap, cylinder liner

1шт.

13

A164774

PISTON

- rockshaft

1шт.

14

A164785

VALVE

- safety, thermal

1шт.

17

A32219

RING,126.62mm ID x 133.35mm OD x 15.88mm Thk

- wear, piston

2шт.

18

A32293

RING,121.94mm ID x 133.93mm OD x 2.97mm Thk

- backup, piston seal

2шт.

19

A32294

O-RING,4.725" ID x 5.275" OD x 0.275"

- piston seal

1шт.

20

A147755

SLEEVE

LINER - cylinder

1шт.

21

A32295

O-RING,5.725" ID x 6.275" OD x 0.275"

- liner seal

1шт.

23

A162698

SHAFT

- lever, sensing

1шт.

24

A162078

LEVER

- sensing, inner

1шт.

25

A162077

LEVER

- sensing, outer

1шт.

26

138-2040

PIN,1/4" x 1 1/2", Coiled

2шт.

27

A162073

LINK

- follow up, lever

1шт.

28

13-616

BOLT,Hex, 3/8" - 16 x 1", Gr 5, Full Thd

2шт.

29

193-30

LOCK WASHER,Int Tooth, 3/8"

WASHER, LOCK, Int Tooth, 3/8"

2шт.

30

A162072

ROD

- adjusting, lever

1шт.

31

A32398

BALL JOINT

BEARING - rod end

2шт.

32

25-156

JAM NUT,Jam, 3/8"-24, G5

- hex jam, 3/8 inch NF

2шт.

33

13-616

BOLT,Hex, 3/8" - 16 x 1", Gr 5, Full Thd

1шт.

34

193-30

LOCK WASHER,Int Tooth, 3/8"

WASHER, LOCK, Int Tooth, 3/8"

1шт.

35

13-620

BOLT,Hex, 3/8" - 16 x 1-1/4", Gr 5, Full Thd

1шт.

36

A32395

WASHER

SPACER - rod end

1шт.

37

193-30

LOCK WASHER,Int Tooth, 3/8"

WASHER, LOCK, Int Tooth, 3/8"

1шт.

38

25-106

NUT,3/8"-16, G5

- hex, 3/8 inch NC

1шт.

39

A164777

SUPPORT

- lever

1шт.

40

113-2263

PREV TORQUE BOLT,Locking, 3/8"-16 x 1 1/4", G5

BOLT - hex lock, 3/8 NC x 1-1/4 inch

1шт.

41

92-6

LOCK WASHER,3/8"

2шт.

42

A162080

LEVER

- follow up, draft sensing

1шт.

44

A163052

BRACKET

- adjusting rod lever

1шт.

45

13-616

BOLT,Hex, 3/8" - 16 x 1", Gr 5, Full Thd

2шт.

46

92-6

LOCK WASHER,3/8"

3шт.

49

A177253

LIFT ARM

ARM - lift, rockshaft to draft arm

2шт.

50

A32300

SNAP RING,#225, 2.174", Ext

RING - snap, lift arm

2шт.

52

A29717

STUD

- support

1шт.

53

25-116

NUT,Hex, 3/8"-24, G5

- hex, 3/8 inch NF

1шт.

54

13-612

BOLT,Hex, 3/8" - 16 x 3/4", Gr 5, Full Thd

To plug unused hole Hex, 3/8"-16 x 3/4", G5, Full Thd

1шт.

Выбрано товаров: 0