Запчасти Case IH 2096 (9-364) - CLOTH SEAT, WITH ISOLATOR (09) - CHASSIS/ATTACHMENTS

Схема запчастей Case IH 2096 - (9-364) - CLOTH SEAT, WITH ISOLATOR (09) - CHASSIS/ATTACHMENTS
21
11
29
32
13
55
12
43
38
45
30
46
39
8
10
25
1
7
53
37
49
25
31
5
4
18
47
22
51
50
3
14
48
23
20
34
9
26
41
24
6
42
17
52
40
33
19
FIT
1:1
100%

Артикул

Название

Примечание

Количество

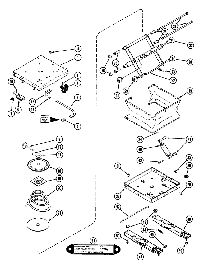
A177452

SEAT

AND SUSPENSION ASSEMBLY, Includes: Ref. 1 - 53 in this figure and parts in Figures 9-360 and 9-362

1шт.

1

A47761

PLATE

BASE - suspension, upper

1шт.

3

A47764

LEVER

- adjusting, height

1шт.

4

N6858

HOUSING

CAP - lever

1шт.

5

A47381

LATCH

- adjusting, height

1шт.

6

138-2024

PIN,5/32" x 1", Coiled

1шт.

7

A47382

SPRING

- return, latch

1шт.

8

N6855

KNOB

- adjusting, weight (Order A47763)

1шт.

9

A45513

GEAR

- adjusting, weight

1шт.

10

138-73

LOCK PIN,5/32" x 3/4", Slotted

PIN, , Spiral 5/32" x 3/4", Slotted

1шт.

11

D82834

WASHER

- thrust

1шт.

12

A45531

BRACKET

- shaft

1шт.

13

111-107

CARRIAGE BOLT,Short NK, 1/4"-20 x 1/2", G2

BOLT - round head square neck, 1/4 NC x 1/2 inch (Grade 2)

2шт.

14

131-1351

FLANGE NUT,Flg, 1/4"-20

NUT, LOCK, Flg, 1/4"-20

2шт.

17

138-77

LOCK PIN,5/32" x 1", Slotted

PIN, 5/32" x 1", Slotted

1шт.

18

A45505

GEAR

- adjusting, weight

1шт.

19

A45504

SPRING WASHER

- spring

1шт.

20

A45497

SPRING

- suspension, weight

1шт.

21

A45530

PAD

- spring

1шт.

22

N6872

ARM

ASSEMBLY - weight (Order A47759)

1шт.

23

A49160

INDICATOR

- adjustment, ride

1шт.

24

N6871

SHAFT

- bearing (Order A47762)

2шт.

25

N6873

TUBE,0.501" ID x 0.63" OD x 2" L

- bearing (Order A47760)

4шт.

26

131-1182

LOCK NUT,1/2"-13, GA

NUT - hex lock, 1/2 inch NC

2шт.

29

A45512

BLOCK

- slider, 1-3/16 inch (30 MM)

1шт.

30

A45516

BLOCK

- slider, 2-3/16 inch (56 MM)

1шт.

31

A45515

BLOCK

- slider, 1-9/16 inch (40 MM)

1шт.

32

P0045517A

WASHER

- slider, 2-9/16 inch (65 MM)

1шт.

33

A47359

BOOT

COVER - suspension

1шт.

34

151-705

CLIP,Rd 1/2" Hd, 1/4" Hole

- fastener, 1/4 inch

21шт.

37

A48181

BASE

- suspension, lower

1шт.

38

A45054

BUMPER,Neoprene

- seat

2шт.

39

138-134

LOCK PIN,1/4" x 1", Slotted

PIN, 1/4" x 1", Slotted

1шт.

40

D82835

SHOCK ABSORBER

- seat

1шт.

41

A45501

BUSHING,0.504" ID x 0.87" OD x 1.417"

BEARING - shock absorber

2шт.

42

A45056

STEP BOLT

BOLT - shoulder

1шт.

43

131-179

LOCK NUT,3/8"-16, GA

NUT - hex lock, 3/8 inch NC

1шт.

45

A45481

HANDLE

GRIP - lever, plastic

1шт.

46

A45523

SLIDE

ASSEMBLY - seat mounting, left hand (Includes spring, Ref. 48

1шт.

47

A49653

SLIDE

ASSEMBLY - seat mounting, right hand (Includes lever and spring, Ref. 48

1шт.

48

L35503

SPRING

- return, latch

1шт.

49

S115782

BUSHING

SPACER - slide (Order A45111)

4шт.

50

111-220

CARRIAGE BOLT,Short NK, 5/16"-18 x 7/8", G2

BOLT - slide to base, round head square neck, 5/16 NC x 7/8 inch

2шт.

50

A47171

CARRIAGE BOLT

BOLT - round head square neck, 5/16 NC x 7/8 inch (Full thread)

2шт.

51

131-351

LOCK NUT,5/16"-18, GA

NUT - hex lock, 5/16 inch NC

4шт.

52

A48182

ROD

- connecting, latch

1шт.

53

N6856

DECAL

- adjusting, ride

1шт.

55

131-205

LOCK NUT,5/16"-18

NUT - hex lock, 5/16 inch NC

4шт.

Выбрано товаров: 48