Запчасти Case IH 2096 (9-368) - VINYL SEAT, WITHOUT SWIVEL (09) - CHASSIS/ATTACHMENTS

Схема запчастей Case IH 2096 - (9-368) - VINYL SEAT, WITHOUT SWIVEL (09) - CHASSIS/ATTACHMENTS
10
13
1
45
40
34
35
30
31
23
21
42
41
18
50
19
20
9
4
36
5
8
22
15
33
32
43
14
39
17
2
12
44
7
38
11
18
6
3
FIT
1:1
100%

Артикул

Название

Примечание

Количество

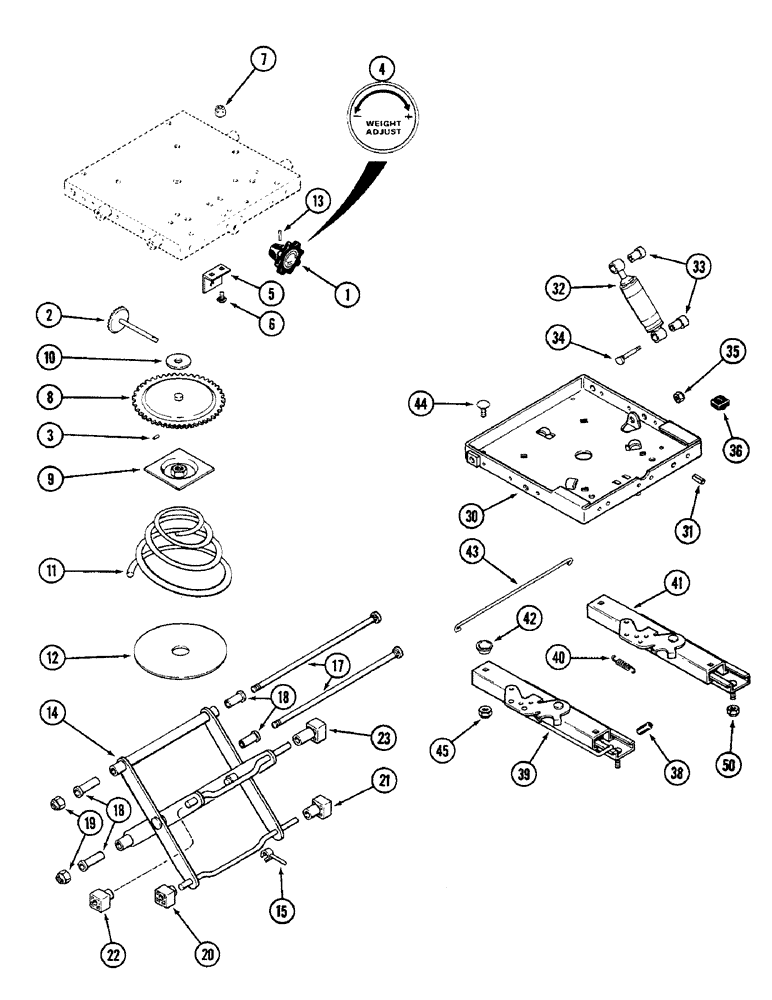
A177457

SEAT

AND SUSPENSION ASSEMBLY - vinyl without swivel, Includes: Ref. 1 - 45 in this figure and parts in Figure 9-366

1шт.

1

A45508

BUTTON

KNOB - adjustment, weight

1шт.

2

A45513

GEAR

AND SHAFT - adjustment, weight

1шт.

3

138-77

LOCK PIN,5/32" x 1", Slotted

PIN, 5/32" x 1", Slotted

1шт.

4

A45511

DECAL

- adjustment, weight

1шт.

5

A45531

BRACKET

- shaft

1шт.

6

111-107

CARRIAGE BOLT,Short NK, 1/4"-20 x 1/2", G2

BOLT - round head square neck, 1/4 NC x 1/2 inch

2шт.

7

131-1351

FLANGE NUT,Flg, 1/4"-20

NUT, LOCK, Flg, 1/4"-20

2шт.

8

A45505

GEAR

AND SHAFT - suspension plate

1шт.

9

A45504

SPRING WASHER

- spring

1шт.

10

D82834

WASHER

- thrust

1шт.

11

A45497

SPRING

- conical

1шт.

12

A45530

PAD

- spring

1шт.

13

138-2024

PIN,5/32" x 1", Coiled

1шт.

14

N6872

ARM

ASSEMBLY - suspension (Order A47759)

1шт.

15

A49160

INDICATOR

- ride height

1шт.

17

N6871

SHAFT

- bearing (Order A47762)

2шт.

18

N6873

TUBE,0.501" ID x 0.63" OD x 2" L

- bearing (Order A47760)

4шт.

19

131-1182

LOCK NUT,1/2"-13, GA

NUT - hex lock, 1/2 inch NC

4шт.

20

A45512

BLOCK

- slider, 1-3/16 inch (30.16 MM)

1шт.

21

A45516

BLOCK

- slider, 2-3/16 inch (55.56 MM)

1шт.

22

A45515

BLOCK

- slider, 1-9/16 inch (39.69 MM)

1шт.

23

A45517

BLOCK

- slider, 2-9/16 inch (65.09 MM)

1шт.

30

A48181

BASE

- lower

1шт.

31

138-134

LOCK PIN,1/4" x 1", Slotted

PIN, 1/4" x 1", Slotted

1шт.

32

D82835

SHOCK ABSORBER

- seat (Order A45503)

1шт.

33

A45501

BUSHING,0.504" ID x 0.87" OD x 1.417"

BEARING - shock absorber

2шт.

34

A45056

STEP BOLT

BOLT - shoulder

1шт.

35

131-179

LOCK NUT,3/8"-16, GA

NUT - hex lock, 3/8 inch NC

1шт.

36

A45054

BUMPER,Neoprene

- seat

2шт.

38

A45481

HANDLE

GRIP - lever, plastic

1шт.

39

A49653

SLIDE

ASSEMBLY - seat mounting, right hand (Includes: handle and Ref. 40 spring

1шт.

40

L35503

SPRING

- return, slide

1шт.

41

A45523

SLIDE

ASSEMBLY - seat mounting, left hand, includes spring

1шт.

L35503

SPRING

- return, slide

1шт.

42

A45111

SPACER

- slides (Supplied with slides)

4шт.

43

A48182

ROD

- connecting, latch

1шт.

44

111-220

CARRIAGE BOLT,Short NK, 5/16"-18 x 7/8", G2

BOLT - round head square neck, 5/16 NC x 7/8 inch

2шт.

45

131-351

LOCK NUT,5/16"-18, GA

NUT - hex lock, 5/16 inch NC

4шт.

50

131-205

LOCK NUT,5/16"-18

NUT - hex lock, 5/16 inch NC

4шт.

Выбрано товаров: 40