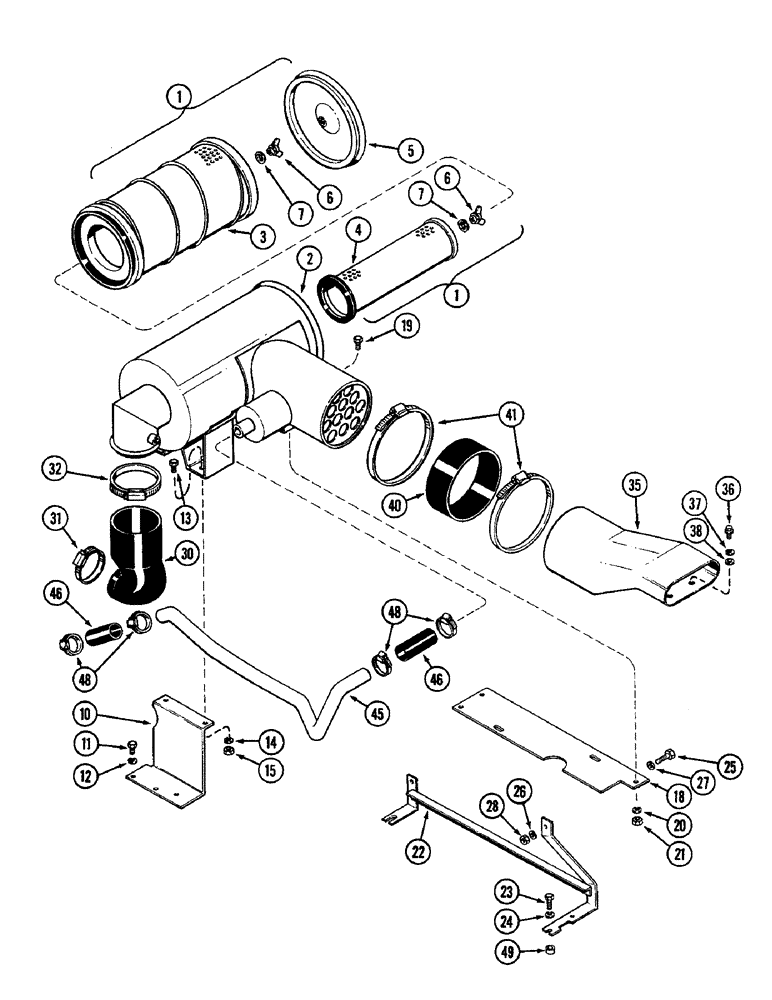
Запчасти Case IH 2096 (2-008) - AIR INDUCTION SYSTEM, 6TA-590 DIESEL ENGINE (02) - ENGINE

Схема запчастей Case IH 2096 - (2-008) - AIR INDUCTION SYSTEM, 6TA-590 DIESEL ENGINE (02) - ENGINE
12
20
48
37
3
31
36
7
30
6
24
22
11
46
21
2
5
1
23
18
19
41
7
40
25
35
27
4
49
26
48
10
15
45
13
1
38
6
14
28
46
32
FIT
1:1
100%

Артикул

Название

Примечание

Количество

1

A171948

CLEANER

ASSEMBLY - air, Includes: Ref. 2 - 7

1шт.

2

NSS

NOT SOLD SEPARAT

BODY - air cleaner

1шт.

3

A171253

FILTER, ELEMENT

ELEMENT - primary (14 pleats per inch)

1шт.

3

A172234

FILTER, ELEMENT

ELEMENT - primary (Alternate) (9 pleats per inch)

1шт.

4

A171254

FILTER, ELEMENT

ELEMENT - safety

1шт.

5

A49468

COVER

ASSEMBLY - element

1шт.

6

D78354

WING NUT

NUT ASSEMBLY - wing, Includes: Ref. 7

2шт.

7

D37976

GASKET,14.61mm ID x 27.43mm OD x 3.3mm Thk

- washer

1шт.

10

A180114

SUPPORT

- mounting, air cleaner (Replaces A170495)

1шт.

11

814-10020

BOLT,Hex, M10 x 1.5 x 20mm, Cl 8.8, Full Thd

3шт.

12

892-1110

LOCK WASHER,M10

WASHER - lock, M10

3шт.

13

814-10020

BOLT,Hex, M10 x 1.5 x 20mm, Cl 8.8, Full Thd

4шт.

14

892-1110

LOCK WASHER,M10

WASHER - lock, M10

4шт.

15

825-1110

NUT,M10, Cl 8

hex M10, Cl 8

4шт.

18

A180931

SUPPORT

- mounting, air cleaner and muffler (Replaces A177379)

1шт.

19

814-10025

BOLT,Hex, M10 x 1.5 x 25mm, Cl 8.8, Full Thd

2шт.

20

892-1110

LOCK WASHER,M10

WASHER - lock, M10

2шт.

21

825-1110

NUT,M10, Cl 8

hex M10, Cl 8

2шт.

22

A180197

BRACKET

- air cleaner and harness (Replaces A177228)

1шт.

23

814-10035

BOLT,Hex, M10 x 1.5 x 35mm, Cl 8.8, Full Thd

2шт.

24

892-1110

LOCK WASHER,M10

WASHER - lock, M10

2шт.

25

814-10030

BOLT,Hex, M10 x 1.5 x 30mm, Cl 8.8, Full Thd

1шт.

26

892-1110

LOCK WASHER,M10

WASHER - lock, M10

1шт.

27

895-11010

WASHER,11mm ID x 20mm OD x 2mm Thk

1шт.

28

825-1110

NUT,M10, Cl 8

hex M10, Cl 8

1шт.

30

A180067

INTAKE AIR HOSE,103.00 mm ID, 75.00 mm ID x 145.00 mm, SAE J200

- Cleaner to turbocharger (Replaces A176083) 103.00 mm ID, 75.00 mm ID x 145.00 mm, SAE J200

1шт.

31

214-262

HOSE CLAMP,#44, 2.31" - 3.25", Type F Worm

CLAMP - hose, 2-5/16 to 2-1/4 inch

1шт.

32

214-269

HOSE CLAMP,#72, 4.06" - 5", Type F Worm

CLAMP - hose, 5 to 4-1/16 inch

1шт.

35

A176082

DUCT

- intake, air

1шт.

36

113-113

BOLT,Hex, 5/16" - 18 x 7/8", Gr 5

2шт.

37

192-20

LOCK WASHER,Helical Spring, 0.318" ID, CST, ZND

WASHER, LOCK, 5/16"

2шт.

38

195-103

WASHER,5/16"

- flat, 3/8 x 7/8 x 5/64 inch (10 x 22 x 2 MM)

2шт.

40

A170581

INTAKE AIR HOSE,167.00 mm ID x 65.00 mm, SAE J200

- Cleaner inlet 167.00 mm ID x 65.00 mm, SAE J200

1шт.

41

214-282

HOSE CLAMP,#112, 6.62" - 7.5", Type F Worm

CLAMP - hose, 6-5/8 to 7-1/2 inch

2шт.

45

A177770

TUBE

- aspirator

1шт.

46

A161681

HOSE,31.80 mm ID x 95.20 mm, SAE 20R1 Class A per SAE J20E

- Aspirator tube (Order A19633 and cut to length) 31.80 mm ID x 95.20 mm, SAE 20R1 Class A per SAE J20E

2шт.

48

214-256

HOSE CLAMP,#20, 0.81" - 1.75", Type F Worm

CLAMP - hose, 1-3/16 to 1-3/4 inch

4шт.

49

A169245

SPACER

- bracket (Used without air conditioning)

1шт.

Выбрано товаров: 38