Запчасти Case IH 2096 (9-406) - STEPS, TWO POST ROPS RIGHT SIDE MOUNTED (09) - CHASSIS/ATTACHMENTS

Схема запчастей Case IH 2096 - (9-406) - STEPS, TWO POST ROPS RIGHT SIDE MOUNTED (09) - CHASSIS/ATTACHMENTS
3
23
8
34
2
12
18
2
4
15
5
36
35
10
5
9
38
19
25
4
33
11
1
31
29
17
30
28
24
3
22
16
FIT
1:1
100%

Артикул

Название

Примечание

Количество

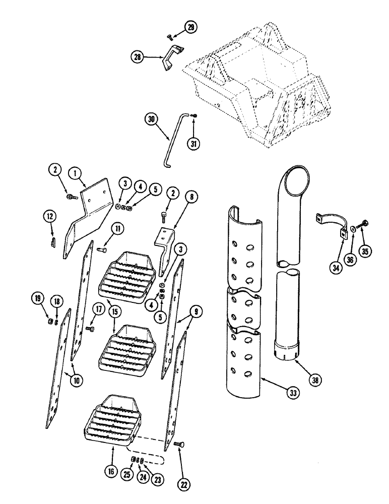
A67657

STEP ATTACHMENT - right side mounted (Machinery item), Includes: Ref. 1 - 36

1шт.

1

A181137

BRACKET

- mounting, rear

1шт.

2

113-209

BOLT,Hex, 3/8" - 16 x 1-1/2", Gr 5

4шт.

3

195-104

WASHER,3/8"

- flat, 7/16 x 1 x 5/64 inch (11 x 25 x 2 MM)

2шт.

4

192-21

LOCK WASHER,3/8"

WASHER, LOCK, 3/8"

4шт.

5

129-103

NUT,Hex, 3/8" - 16, Gr 5

NUT, 3/8"-16, G5

4шт.

8

A181138

BRACKET

- mounting, front

1шт.

9

A177259

PLATE ASSY.

PLATE - side, step front

2шт.

10

A177273

PLATE

- side, step rear

2шт.

11

A181426

CLEVIS

PIN - clevis

4шт.

12

A33497

LINCH PIN,4.76mm OD Pin

PIN - lock, klick

4шт.

15

A181776

STEP

- tread, foot

2шт.

16

A181777

STEP

- tread, foot

1шт.

17

113-268

BOLT,Hex, 3/8" - 16 x 1", Gr 8, Full Thd

- hex, 3/8 NC x 1 inch

4шт.

18

192-21

LOCK WASHER,3/8"

WASHER, LOCK, 3/8"

4шт.

19

129-103

NUT,Hex, 3/8" - 16, Gr 5

NUT, 3/8"-16, G5

4шт.

22

118-141

PLOW BOLT,3/8"-16 x 1 1/2", G5

BOLT - plow, 3/8 NC x 1-1/2 inch

12шт.

23

195-104

WASHER,3/8"

- flat, 7/16 x 1 x 5/64 inch (11 x 25 x 2 MM)

12шт.

24

192-21

LOCK WASHER,3/8"

WASHER, LOCK, 3/8"

12шт.

25

129-103

NUT,Hex, 3/8" - 16, Gr 5

NUT, 3/8"-16, G5

12шт.

28

F64547

HANDLE

- rear, fender

1шт.

29

182-586

SCREW,Cross Pan Hd, 1/4"-20 x 1 1/4"

- Phillips pan head, 1/4 NC x 1-1/2 inch

2шт.

30

A143834

HANDLE

- entrance, platform

1шт.

31

121-123

BOLT,Hex Serr, 5/16" - 18 x 3/4"

(Order 113-103 and 195-521) Hex Flg, 5/16"-18 x 3/4", Serr

2шт.

A181703

GUARD

ASSEMBLY - extension, exhaust, Includes: Ref. 33 - 36

1шт.

33

NSS

NOT SOLD SEPARAT

GUARD - extension, exhaust (Reference no. A181139)

1шт.

34

A181626

CLAMP

- guard, exhaust

6шт.

35

113-209

BOLT,Hex, 3/8" - 16 x 1-1/2", Gr 5

6шт.

36

195-104

WASHER,3/8"

- flat, 7/16 x 1 x 5/64 inch (11 x 25 x 2 MM)

6шт.

38

A181140

EXTENSION

- exhaust

1шт.

Выбрано товаров: 30