Запчасти Case IH 2096 (9-414) - CAB, DOOR AND LATCH (09) - CHASSIS/ATTACHMENTS

Схема запчастей Case IH 2096 - (9-414) - CAB, DOOR AND LATCH (09) - CHASSIS/ATTACHMENTS
10
18
6
7
4
26
14
16
12
13
2
11
30
20
19
21
5
17
9
22
1
8
3
FIT
1:1
100%

Артикул

Название

Примечание

Количество

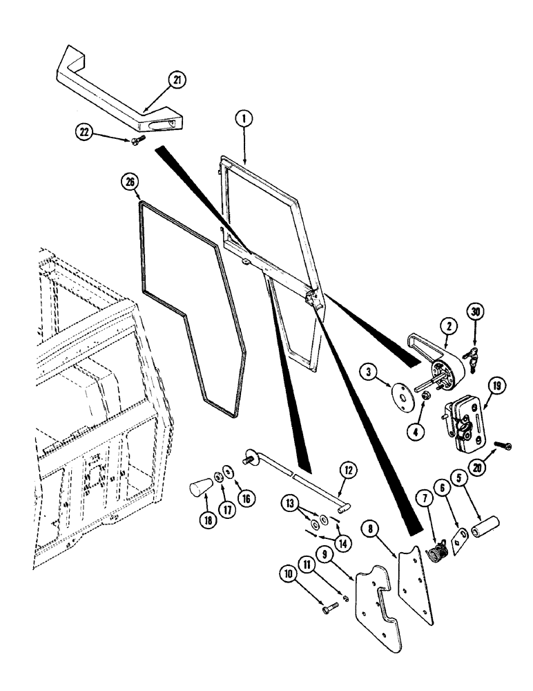
F97066

DOOR

ASSEMBLY - complete (Includes glass), Includes: Ref. 1 - 26

1шт.

Order glass and moulding from Figure 9-422.

1шт.

1

NSS

NOT SOLD SEPARAT

DOOR - cab (Order F97066)

1шт.

2

F66158

HANDLE - outer (Order F66157)

1шт.

3

F64342

GASKET,1.6mm Thk

- handle

1шт.

4

86625057

NUT,#10-24, GB

NUT, LOCK, #10-24, GB

2шт.

5

F64358

SPACER

- latch shaft

1шт.

6

F64371

ARM

- latch

1шт.

7

F64338

SPRING

- handle, latch

1шт.

8

F98275

COVER ASSY

COVER - latch, door (Order F66086)

1шт.

9

F64624

COVER

- latch, door (Order F66086)

1шт.

10

182-547

SCREW,Cross Pan Hd, 1/4"-20 x 1/2"

- special, 1/4 x 1/2 inch NC

4шт.

11

193-73

LOCK WASHER,Ext-Int Tooth, 1/4"

WASHER - lock special, 1/4 inch

4шт.

12

F98226

ROD

- pull, latch

1шт.

13

F64384

WASHER

- flat, 17/64 x 9/16 x 1/32 inch (7 x 14 x 1 MM)

2шт.

14

132-328

COTTER PIN,1/16" x 1/2"

PIN, SPLIT (COTTER), 1/16" x 1/2"

2шт.

16

F64340

WASHER

- shoulder

1шт.

17

131-1280

JAM NUT,Jam, 1/4"-20

NUT - lock, jam special

1шт.

18

F64341

KNOB

- rod, latch

1шт.

19

F66155

LATCH

ASSEMBLY - rotary, door

1шт.

20

182-555

SCREW,Slotted Pan Hd, 1/4"-20 x 1 1/4"

- special, 1/4 x 1/4 inch NC

4шт.

21

F64890

HANDLE

- door, inner (Order F64547)

1шт.

22

182-582

SCREW,Cross Pan Hd, 1/4"-20 x 3/4"

- pan head, 1/4 x 3/4 inch NC

2шт.

26

F64880

STRIP

- weather, door frame (Order F64773)

1шт.

30

A77313

SET OF 2 KEYS

KEY - door lock (Set of 2) (Also used as ignition key)

1шт.

Выбрано товаров: 25