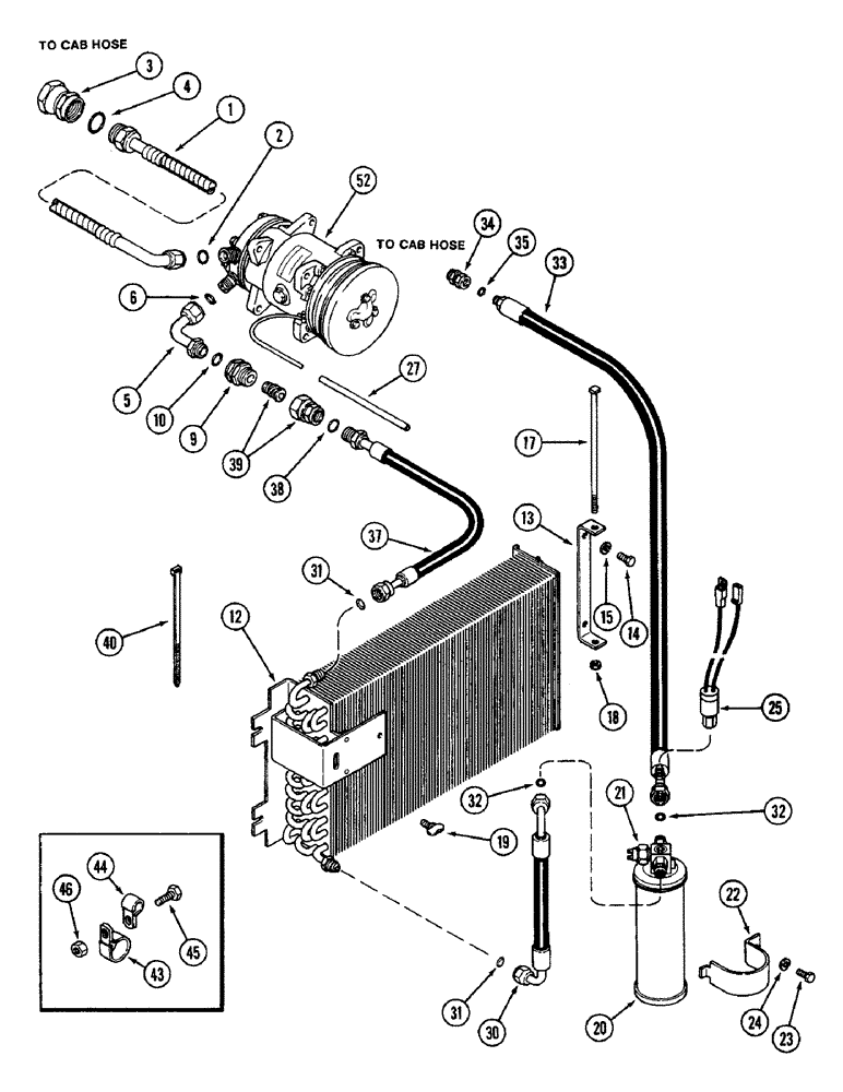
Запчасти Case IH 2096 (9-444) - AIR CONDITIONING, CONDENSER AND RECEIVER- DRIER (09) - CHASSIS/ATTACHMENTS

Схема запчастей Case IH 2096 - (9-444) - AIR CONDITIONING, CONDENSER AND RECEIVER- DRIER (09) - CHASSIS/ATTACHMENTS
24
45
15
31
37
44
19
14
33
2
22
3
5
40
10
9
35
1
39
18
6
38
4
46
20
13
30
12
21
32
43
52
17
25
27
32
23
34
31
FIT
1:1
100%

Артикул

Название

Примечание

Количество

1

A181015

HOSE

- suction (Replaces A177247)

1шт.

2

D26265

O-RING,1.78mm Thk x 14mm ID, 70 Duro

- sealing

1шт.

3

A42664

COUPLING, BREAK AWAY

COUPLING ASSEMBLY - half

1шт.

4

A61197

O-RING,1.78mm Thk x 27mm ID

- sealing

1шт.

5

A177442

TUBE

ASSEMBLY - pressure, high

1шт.

6

N8538

O-RING,0.426" ID x 0.566" OD x 0.07"

- sealing

1шт.

9

A176352

COUPLING, BREAK AWAY

COUPLING ASSEMBLY - half

1шт.

10

T39847

O-RING,1.78mm Thk x 17mm ID

- sealing

1шт.

12

A145889

CONDENSER ASSEMBLY - air conditioner

1шт.

13

A141489

SUPPORT

BRACKET - pivot, condenser

1шт.

14

113-118

BOLT,Hex, 5/16" - 18 x 5/8", Gr 5

2шт.

15

192-20

LOCK WASHER,Helical Spring, 0.318" ID, CST, ZND

WASHER, LOCK, 5/16"

2шт.

17

17-4136

BOLT,Sq Hd, 1/4" - 20 x 8 1/2", Gr 2

- square head, 1/4 NC x 8-1/2 inch

1шт.

18

131-1180

LOCK NUT,1/4"-20, GA

NUT, LOCK, 1/4"-20, GA

1шт.

19

A141485

THUMB SCREW,5/16" - 18 x 5/8"

- thumb

2шт.

20

A76312

RECEIVER-DRYER

RECEIVER-DRIER - freon, Includes: Ref. 21

1шт.

21

A47717

SWITCH

- low pressure

1шт.

22

A61193

CLAMP

- receiver-drier

1шт.

23

113-102

BOLT,Hex, 5/16" - 18 x 3/4", Gr 5

Hex, 5/16"-18 x 3/4", G5, Full Thd

1шт.

24

192-20

LOCK WASHER,Helical Spring, 0.318" ID, CST, ZND

WASHER, LOCK, 5/16"

1шт.

25

A65779

SWITCH

- cut out, high pressure

1шт.

27

A62053

HARNESS

LOOM - wire, clutch (Order A59680 and, Serial Range: cut-length)

1шт.

30

A145911

A/C HOSE

HOSE ASSEMBLY -, Serial Range: condenser-drier

1шт.

31

222-993

GASKET,3/8 Tube, Fl, Copper

Hose 3/8 Tube, Fl, Copper

2шт.

32

A28090

O-RING,0.301" ID x 0.441" OD x 0.07"

-011, 70 Duro, .301" ID x .070" Thk - Drier fitting

2шт.

33

A145898

HOSE

ASSEMBLY -, Serial Range: drier-cab

1шт.

34

A61196

COUPLING, BREAK AWAY

COUPLING ASSEMBLY - half

1шт.

35

N8539

O-RING,0.07" Thk x 0.364" ID, -12, Cl 5, 75 Duro

- coupling

1шт.

37

A176354

HOSE ASSY.

HOSE ASSEMBLY - compressor

1шт.

38

T39847

O-RING,1.78mm Thk x 17mm ID

- sealing hose

1шт.

39

T39884

COUPLING, BREAK AWAY

COUPLING ASSEMBLY - female half

1шт.

40

R38237

STRAP

- tie (Order L18337)

2шт.

43

A177230

CLAMP,1 7/16", Insul, 3/8" Bolt

CLIP - coupling, suction hose

1шт.

44

515-23190

CLAMP,3/4", Insul, 3/8" Bolt

CLIP - hose, high pressure

1шт.

45

814-10030

BOLT,Hex, M10 x 1.5 x 30mm, Cl 8.8, Full Thd

1шт.

46

825-1110

NUT,M10, Cl 8

hex M10, Cl 8

1шт.

52

REF

INSTRUCTION

COMPRESSOR ASSEMBLY - air conditioning (See Figure 9-448)

1шт.

Выбрано товаров: 37