Запчасти Case IH 2096 (9-446) - AIR CONDITIONING, COMPRESSOR MOUNTING AND DRIVE (09) - CHASSIS/ATTACHMENTS

Схема запчастей Case IH 2096 - (9-446) - AIR CONDITIONING, COMPRESSOR MOUNTING AND DRIVE (09) - CHASSIS/ATTACHMENTS
18
5
2
8
20
4
12
14
22
20
13
22
7
13
12
10
21
7
1
6
21
3
11
19
11
19
FIT
1:1
100%

Артикул

Название

Примечание

Количество

1

REF

INSTRUCTION

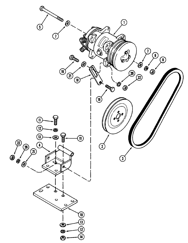
COMPRESSOR - air conditioning (See Figure 9-448)

1шт.

2

A177276

PULLEY

- drive, compressor

1шт.

3

A169970

BELT,0.50" W x 39.25" L

Drive, Compressor 0.50" W x 39.25" L

1шт.

4

A177341

BRACKET

- mounting, compressor

1шт.

5

814-10130

BOLT,Hex, M10 x 1.5 x 130mm, Cl 8.8

- hex, M10 x 130 MM

1шт.

6

892-1110

LOCK WASHER,M10

WASHER - lock, M10

1шт.

7

895-15010

WASHER,11mm ID x 24mm OD x 2mm Thk

2шт.

8

825-1110

NUT,M10, Cl 8

hex M10, Cl 8

1шт.

10

A177345

PLATE

- base, compressor mounting

1шт.

11

814-10035

BOLT,Hex, M10 x 1.5 x 35mm, Cl 8.8, Full Thd

5шт.

12

892-1110

LOCK WASHER,M10

WASHER - lock, M10

5шт.

13

895-15010

WASHER,11mm ID x 24mm OD x 2mm Thk

5шт.

14

825-1110

NUT,M10, Cl 8

hex M10, Cl 8

2шт.

18

K207316

STRAP

- adjusting

2шт.

19

814-10035

BOLT,Hex, M10 x 1.5 x 35mm, Cl 8.8, Full Thd

4шт.

20

892-1110

LOCK WASHER,M10

WASHER - lock, M10

4шт.

21

895-15010

WASHER,11mm ID x 24mm OD x 2mm Thk

4шт.

22

825-1110

NUT,M10, Cl 8

hex M10, Cl 8

4шт.

Выбрано товаров: 18