Запчасти Case IH 2096 (9-454) - REAR WINDOW WIPER (09) - CHASSIS/ATTACHMENTS

Схема запчастей Case IH 2096 - (9-454) - REAR WINDOW WIPER (09) - CHASSIS/ATTACHMENTS
13
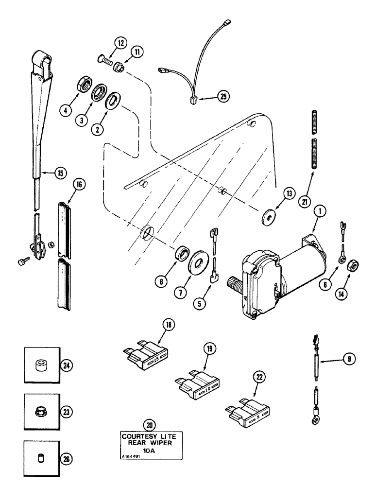
1
22
6
15
2
12
11
16
18
21
4
23
3
26
7
9
20
25
8
5
14
19
24
FIT
1:1
100%

Артикул

Название

Примечание

Количество

A164686

WIPER MOTOR

WIPER KIT - rear window (Machinery item), Includes: Ref. 1 - 22

1шт.

1

F93209

WIPER MOTOR

MOTOR - wiper, Includes: Ref. 2 - 4

1шт.

2

NSS

NOT SOLD SEPARAT

WASHER - leather (Order F93209)

1шт.

3

NSS

NOT SOLD SEPARAT

SPACER - wiper motor (Order F93209)

1шт.

4

NSS

NOT SOLD SEPARAT

NUT - wiper motor (Order F93209)

1шт.

5

A165311

ELECTRICAL WIRE

WIRE - power, wiper motor

1шт.

6

A165075

ELECTRICAL WIRE

WIRE - ground, wiper motor

1шт.

7

A165073

WASHER

- nylon, 1-1/2 inch (33 MM) OD

1шт.

8

A165074

SPACER

- nylon, 7/8 inch (22 MM) OD

1шт.

9

A181164

HARNESS

WIRE - power

1шт.

11

F64198

BUMPER,4.98mm ID x 7.92mm OD x 10.21mm L

- mounting, motor

1шт.

12

179-156

SCREW,Cross Oval Hd, #10 - 24 x 3/4"

- Phillips head, no. 10-24 x 3/4 inch

1шт.

13

A165076

WASHER,7.87mm ID x 25.4mm OD x 3.05mm Thk

- nylon, 5/16 inch (8 MM) ID

1шт.

14

131-1142

LOCK NUT,Hex, #10 - 24, Gr A

NUT, LOCK, #10-24, GA

1шт.

15

T41946

ARM

- wiper blade

1шт.

16

A42580

WIPER BLADE,203.2mm L

BLADE - wiper

1шт.

18

A149801

FUSE,Lt Blue, 15 Amp

- 15 ampere (Light blue) (Not used this application)

1шт.

19

A149800

FUSE,10 Amp

- 10 ampere

1шт.

20

A164491

DECAL

- fuse (Not used this application)

1шт.

21

L77320

CONDUIT

- wire

1шт.

22

A149798

FUSE

- 5 ampere (Tan) (Not used this application)

1шт.

23

F64468

BUSHING

- terminal

1шт.

24

353-701

BUSHING

- harness

1шт.

25

F64723

HARNESS

- wiper, rear

1шт.

26

F64483

COVER

CAP - terminal (Used without wiper)

1шт.

Выбрано товаров: 25