Запчасти Case IH 2096 (6-150) - POWER SHIFT TRANSMISSION, TRANSMISSION HOUSING (06) - POWER TRAIN

Схема запчастей Case IH 2096 - (6-150) - POWER SHIFT TRANSMISSION, TRANSMISSION HOUSING (06) - POWER TRAIN
4
41
16
20
12
27
25
14
17
3
42
14
32
3
2
14
11
24
51
19
50
8
24
23
63
28
21
29
12
4
64
31
6
7
35
1
10
40
12
5
12
49
34
15
5
22
33
13
45
30
46
48
FIT
1:1
100%

Артикул

Название

Примечание

Количество

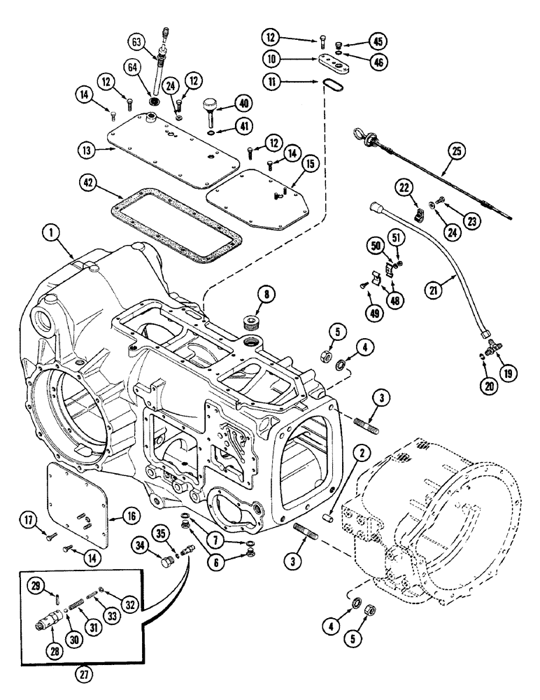
1

A168111

HOUSING

- transmission

1шт.

2

A28269

PIN

- dowel

2шт.

3

A151866

STUD

- 7/8 NF x 4 inch

2шт.

4

193-75

LOCK WASHER,7/8"

WASHER - internal lock, 7/8 inch

2шт.

5

129-129

NUT,7/8"-14, G5

- hex, 7/8 inch NF

4шт.

6

A140222

PLUG

- drain

2шт.

7

A58608

GASKET

- plug

2шт.

8

221-1097

PLUG

- square socket head, 2 inch PT

1шт.

10

A179657

COVER

- outlet, charge pump (Replaces A157626)

1шт.

11

A28318

O-RING,0.139" Thk x 2.484" ID, -230, Cl 5, 75 Duro

- 2-3/4 inch (70 MM)

1шт.

12

13-616

BOLT,Hex, 3/8" - 16 x 1", Gr 5, Full Thd

8шт.

13

A156743

COVER

- transmission top, rear

1шт.

14

13-612

BOLT,Hex, 3/8" - 16 x 3/4", Gr 5, Full Thd

16шт.

15

A179059

COVER

- transmission top, front

1шт.

16

A179060

COVER

- side, transmission

1шт.

The mfg. facility used gasket eliminator but went to Loctite 515 later - a gasket was never used. Loctite 515 is the last recommendation by Engineering for that application. UPDATE: DLR CALLED BACK TO ADVISE THAT P/N FOR THE GASKET USED IS A155916.

1шт.

17

13-616

BOLT,Hex, 3/8" - 16 x 1", Gr 5, Full Thd

6шт.

19

A161146

FITTING

CONNECTOR - dipstick

1шт.

20

218-5008

O-RING,0.116" Thk x 0.924" ID, -912, Cl 6, 90 Duro

- 59/64 x 3/4 x 7/64 inch (23 x 19 x 3 MM)

1шт.

21

A144056

TUBE

- dipstick

1шт.

22

49838

CLAMP

CLIP - tube

1шт.

23

113-206

BOLT,Hex, 3/8" - 16 x 3/4", Gr 5, Full Thd

1шт.

24

195-525

WASHER,3/8", SAE

- flat, 13/32 x 13/16 x 1/16 inch (10 x 21 x 2 MM)

3шт.

25

A144055

DIPSTICK

- oil, spiral, transmission

1шт.

Prior to S/N 10204527, used A154744 (which is flat). After this S/N, used A144055 (which is spiral).

1шт.

27

A60890

VALVE

ASSEMBLY - relief, lubrication oil, Includes: Ref. 28 - 33

1шт.

28

NSS

NOT SOLD SEPARAT

BODY - relief valve

1шт.

29

138-57

LOCK PIN,1/8" x 3/4", Slotted

PIN, 1/8" x 3/4", Slotted

1шт.

30

211-9

BALL,5/16" Dia

- 5/16 inch (8 MM) Diameter (Chrome steel)

1шт.

31

A60889

SPRING

- relief valve

1шт.

32

195-6

WASHER,#6

- shim, 5/32 x 5/16 x 1/32 inch (4 x 8 x 1 MM)

1шт.

33

138-96

LOCK PIN,3/16" x 1", Slotted

PIN, 3/16" x 1", Slotted

1шт.

34

A67369

PLUG

- oil relief valve

1шт.

35

218-5008

O-RING,0.116" Thk x 0.924" ID, -912, Cl 6, 90 Duro

- 5/64 x 3/4 x 7/64 inch (23 x 19 x 3 MM)

1шт.

40

A154691

BREATHER

ASSEMBLY - transmission, Includes: Ref. 41

1шт.

41

A42597

O-RING,0.734" ID x 1.012" OD x 0.139"

- breather

1шт.

42

A144226

GASKET

- cover

1шт.

45

214389

PLUG,3/4" - 16 ORB

Assy, 1/2 tube, Includes Ref. 46 Hex Hd, 3/4"-16 ORB

1шт.

48

A169743

CLAMP

- tube

2шт.

49

113-103

BOLT,Hex, 5/16" - 18 x 1", Gr 5

1шт.

50

192-20

LOCK WASHER,Helical Spring, 0.318" ID, CST, ZND

WASHER, LOCK, 5/16"

1шт.

51

9635082

NUT,5/16" - 18, Gr 5

1шт.

63

A158683

TRANSMITTER

SENSOR - speed

1шт.

64

A75995

SEAL

- sensor

1шт.

A164503

HEATER ASSY.

MAINTAINER transmission heat, service bulletin indicates where to install on this model

1шт.

46

218-5006

O-RING,0.087" Thk x 0.644" ID, -908, Cl 6, 90 Duro

- 41/64 x 13/16 x 3/32 inch (16 x 21 x 2 MM)

1шт.

Выбрано товаров: 46