Запчасти Case IH 2096 (6-002) - POWER SHIFT TRANSMISSION, CLUTCH HOUSING (06) - POWER TRAIN

Схема запчастей Case IH 2096 - (6-002) - POWER SHIFT TRANSMISSION, CLUTCH HOUSING (06) - POWER TRAIN
26
37
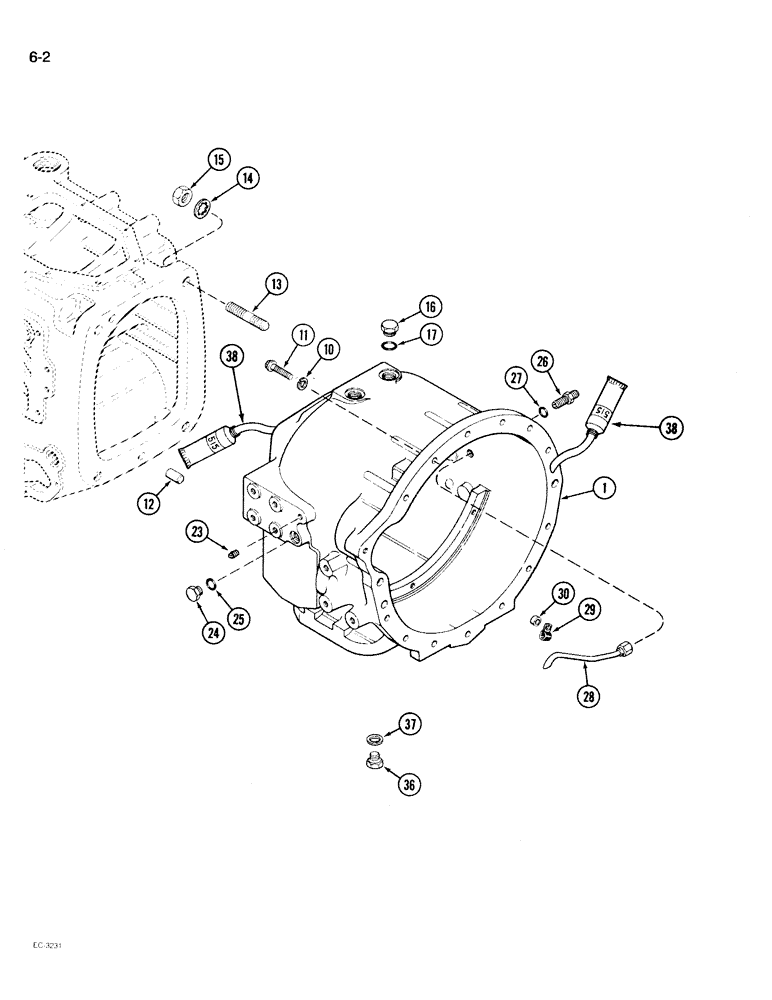
1
28
11
36
14
29
38
17
16
13
25
15
23
30
10
24
27
38
12
FIT
1:1
100%

Артикул

Название

Примечание

Количество

1

A168035

CLUTCH ASSEMBLY

HOUSING - clutch (With brake or MFD)

1шт.

Transmission S/N 16264559 and after

1шт.

1

A168425

HOUSING

- clutch (Without brake or MFD)

1шт.

Transmission S/N 16264559 and after

1шт.

1

A168034

HOUSING

- clutch (With brake or MFD)

1шт.

Prior to Transmission S/N 16264559

1шт.

1

A168424

HOUSING

- clutch (Without brake or MFD)

1шт.

Prior to Transmission S/N 16264559

1шт.

10

892-11014

LOCK WASHER,14.5mm ID x 24.1mm OD x 4.5mm Thk

WASHER, LOCK, M14

16шт.

11

866-14070

12 PT SCREW,Flg, M14 x 70mm, Cl 12.9

BOLT - 12 point head, 14 mm x 70 mm

16шт.

12

A28269

PIN

- dowel

2шт.

13

A151866

STUD

- 7/8 NF x 4 inch

2шт.

14

193-75

LOCK WASHER,7/8"

WASHER - heavy internal tooth lock, 7/8 inch

2шт.

15

25-1114

NUT,7/8"-14, G5

- hex, 7/8 inch NF

2шт.

16

218-5158

PLUG,Hex Hd, 1 1/16"-12 ORB

- hex, 1-1/16-12 inch O-ring boss, Includes: Ref. 17

2шт.

17

237-6012

O-RING,0.116" Thk x 0.924" ID, -912, Cl 6, 90 Duro

- 59/64 ID x 7/8 inch wide

1шт.

23

221-849

PLUG,Hex Soc, 1/8"-27

- hex socket, 1/8 inch PT

1шт.

24

214389

PLUG,3/4" - 16 ORB

Includes Ref. 25 Hex Hd, 3/4"-16 ORB

1шт.

25

218-5346

O-RING,0.116" Thk x 0.863" ID, -911, Cl 6, 90 Duro

- 11/16 inch OD tube

1шт.

26

218-674

FITTING,Blkhd, 3/4"-16, 37 Degree x 3/4"-16, 37 Degree

ADAPTER - straight, 3/4-16 inch flare x bulkhead flare

1шт.

27

237-6008

O-RING,0.087" Thk x 0.644" ID, -908, Cl 6, 90 Duro

8-1, 90 Duro, .644" ID x .087" Thk

1шт.

28

A168594

TUBE

- (C1) clutch lubrication

1шт.

29

49838

CLAMP

- tube retaining

1шт.

30

R12644

BUSHING

SPACER - C1 lubrication tube clamp

1шт.

36

A140222

PLUG

- drain (Used with housings A168424 and A168425)

1шт.

37

A58608

GASKET

- drain plug

1шт.

38

345-118

SEALANT

COMPOUND - gasket eliminator (Loctite 515)

1шт.

Выбрано товаров: 27