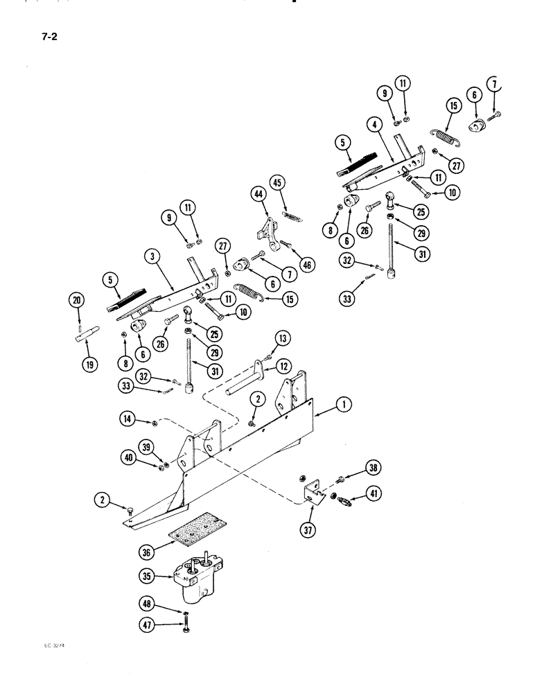
Запчасти Case IH 2096 (7-002) - BRAKE PEDALS AND VALVE (07) - BRAKES

Схема запчастей Case IH 2096 - (7-002) - BRAKE PEDALS AND VALVE (07) - BRAKES
40
31
35
11
32
14
8
13
4
26
41
11
25
29
33
46
45
6
32
29
12
27
31
1
6
47
11
7
15
2
11
48
38
10
26
19
8
27
39
3
15
2
37
6
7
44
25
5
5
20
10
36
6
9
33
9
FIT
1:1
100%

Артикул

Название

Примечание

Количество

1

A143559

BRACKET

COVER - brake and clutch

1шт.

2

281-44910

SELF-TAP SCREW,Hex Wash Hd, 3/8" x 5/8"

SCREW - self-tapping, hex washer head, 3/8 NC x 5/8 inch

8шт.

3

A164687

PEDAL

- brake, right

1шт.

4

A164688

PEDAL

- brake, left

1шт.

5

F9197

PAD

COVER - pedal, rubber

2шт.

6

A77310

SUPPORT,0.754" ID x 1.375" OD x 0.81"

- brake pedal

4шт.

7

413-524

BOLT,Hex, 5/16" - 18 x 1-1/2", Gr 5

- hex, 5/16 NC x 1-1/2 inch, G5

4шт.

8

131-1281

LOCK NUT,Jam, 5/16"-18

NUT - hex, jam, self-locking, 5/16 inch NC

4шт.

9

413-514

BOLT,Hex, 5/16" - 18 x 7/8", Gr 5

(Upper pedal stop) Hex, 5/16"-18 x 7/8", G5, Full Thd

2шт.

10

413-544

BOLT,Hex, 5/16" - 18 x 2-3/4", Gr 5

- hex, 5/16 NC x 2-3/4 inch (Lower pedal stop)

2шт.

11

425-145

JAM NUT,Jam, 5/16"-18, G5

4шт.

12

A59452

SHAFT

- brake pedal

1шт.

13

413-514

BOLT,Hex, 5/16" - 18 x 7/8", Gr 5

1шт.

14

425-145

JAM NUT,Jam, 5/16"-18, G5

8шт.

15

A160874

SPRING

- pedal return

2шт.

19

A164694

PIN

- pedal interlock

1шт.

20

21650R1

LOCK PIN,5/16" x 2 1/2", Slotted

Pin, 5/16" x 2 1/2", Slotted

1шт.

25

A32398

BALL JOINT

LINK - eye, female, 3/8 inch

2шт.

26

413-624

BOLT,Hex, 3/8" - 16 x 1-1/2", Gr 5

- hex, 3/8 NC x 1-1/2 inch

2шт.

27

230-4216

LOCK NUT,3/8"-16, GA

NUT - hex, self-locking, 3/8 inch NC

2шт.

29

425-116

NUT,3/8" - 24, Gr 5

Hex 3/8"-24, G5

2шт.

31

A160653

ROD

- brake

2шт.

32

A67313

PIN

- clevis, brake connector

2шт.

33

32-412

COTTER PIN,1/16" x 3/4"

Pin, Split (Cotter), 1/16" x 3/4"

2шт.

35

REF

INSTRUCTION

VALVE ASSEMBLY - brake master (See Figure 7-008)

1шт.

36

A163161

GASKET

- brake master cylinder

1шт.

37

A169537

BRACKET

- differential lock switch

1шт.

38

413-514

BOLT,Hex, 5/16" - 18 x 7/8", Gr 5

1шт.

39

493-11033

LOCK WASHER,Ext-Int Tooth, 5/16"

WASHER, LOCK, Ext-Int Tooth, 5/16"

1шт.

40

425-145

JAM NUT,Jam, 5/16"-18, G5

1шт.

41

A163160

SWITCH

- brake, differential lock (See Figures 4-002, 4-004)

1шт.

44

A169728

LEVER

- differential lock return

1шт.

45

A164415

SPRING

- lever return

1шт.

46

A67294

BOLT

- adjusting, control lever

1шт.

47

413-632

BOLT,Hex, 3/8" - 16 x 2", Gr 5

3шт.

48

193-46

LOCK WASHER,Ext-Int Tooth, 3/8"

WASHER - internal-external tooth lock, 3/8 inch

3шт.

Выбрано товаров: 36