Запчасти Case IH 2096 (7-006) - BRAKE VALVE ASSEMBLY (07) - BRAKES

Схема запчастей Case IH 2096 - (7-006) - BRAKE VALVE ASSEMBLY (07) - BRAKES
22
24
33
47
36
13
46
50
31
61
41
17
57
16
49
48
45
41
1
12
32
25
15
34
10
56
18
20
51
37
48
23
21
11
58
55
59
60
9
3
53
40
2
40
44
5
4
30
19
FIT
1:1
100%

Артикул

Название

Примечание

Количество

1

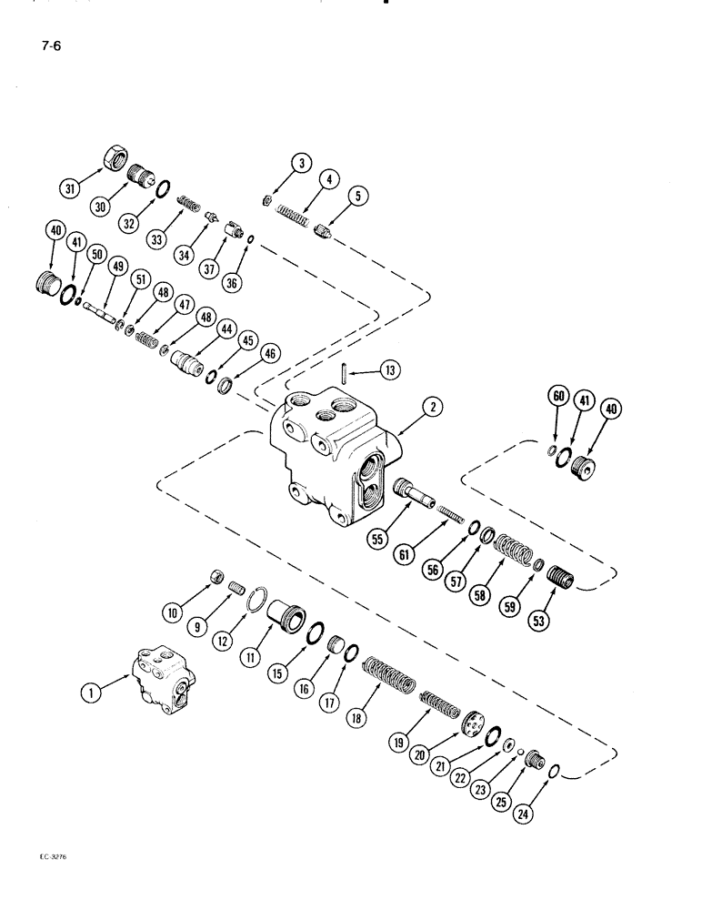
G105128

VALVE, BRAKE

VALVE ASSEMBLY - power brake, Includes: Ref. 2 - 61

1шт.

2

NSS

NOT SOLD SEPARAT

BODY - valve (Order G105128)

1шт.

3

A58439

RETAINER

WASHER - retaining, retard check spring

1шт.

4

G101155

SPRING

- low pressure sump

1шт.

5

G101106

VALVE POPPET

VALVE - poppet

1шт.

9

83-33812

SET SCREW,Hex Soc, 3/8"-16 x 3/4"

SCREW - set, hex socket, 3/8 NC x 3/4 inch

1шт.

10

25-146

JAM NUT,Jam, 3/8"-16, G5

- hex, jam, 3/8 inch NC

1шт.

11

G100761

RETAINER

- spring

1шт.

12

G100769

RING

- retaining, spring

1шт.

13

138-14

LOCK PIN,1/16" x 1", Slotted

Pin, 1/16" x 1", Slotted

1шт.

15

238-5119

O-RING,0.103" Thk x 0.924" ID, -119, Cl 5, 75 Duro

- 15/16 ID x 1/16 inch wide

1шт.

16

G100762

PISTON

- relief valve

1шт.

17

238-5016

O-RING,0.07" Thk x 0.614" ID, -16, Cl 5, 75 Duro

-016, 70 Duro, .614" ID x .070" Thk (Relief piston)

1шт.

18

G100760

SPRING

- brake valve relief

1шт.

19

G100759

SPRING

- brake valve relief

1шт.

20

G102877

GUIDE

- spring

1шт.

21

238-5022

O-RING,0.07" Thk x 0.99" ID, -22, Cl 5, 75 Duro

-022, 70 Duro, .989" ID x .070" Thk

1шт.

22

G100588

WASHER

- guide

1шт.

23

211-259

BALL,5/16" Dia

- 5/16 inch diameter

1шт.

24

A18414

O-RING,0.07" Thk x 0.489" ID, -14, Cl 5, 75 Duro

- 1/2 ID x 1/16 inch wide (Relief valve seat)

1шт.

25

G35351

SEAT

- ball, pressure relief

1шт.

30

G104393

PLUG

- locking relief valve

1шт.

31

218-1278

BHD LOCK NUT,Blkhd, 3/4"-16

NUT - small hex, lock, 3/4 inch NF

1шт.

32

237-6008

O-RING,0.087" Thk x 0.644" ID, -908, Cl 6, 90 Duro

- 15/32 ID x 5/64" wide

1шт.

33

G104395

SPRING

- pilot relief valve

1шт.

34

G104392

SPOOL

POPPET - pilot relief valve

1шт.

36

G103122

O-RING,0.064" Thk x 0.239" ID, -902, Cl 6, 90 Duro

seat 2-1, .239" ID x .064" Thk

1шт.

37

G104394

PLUG

SEAT - poppet

1шт.

40

86625138

PLUG,7/18" - 14

2шт.

41

237-6010

O-RING,0.097" Thk x 0.755" ID, -910, Cl 6, 90 Duro

10-1, 90 Duro, .755" ID x .097" Thk

2шт.

G105029

VALVE ASSEMBLY - pressure equalizer, Includes: equalizer valve piston assembly and Ref. 44 - 51

1шт.

G105030

PISTON ASSEMBLY - equalizer valve, Includes: Ref. 44 - 46

1шт.

44

G105031

PISTON

- pressure equalizer

1шт.

45

238-5014

O-RING,0.07" Thk x 0.489" ID, -14, Cl 5, 75 Duro

- 1/2 ID x 5/8 inch wide

1шт.

46

G100797

RING

- sealing

1шт.

47

G105033

SPRING

- equalizer

1шт.

48

G100941

WASHER

- spring retaining

2шт.

49

G105032

PISTON PIN

PIN - piston

1шт.

50

238-5006

O-RING,0.07" Thk x 0.114" ID, -6, Cl 5, 75 Duro

-006, 70 Duro, .114" ID x .070" Thk

1шт.

51

A59947

SNAP RING,0.453", Int, #45

Ring, Snap, , relief valve 0.453", Int, #45

1шт.

G105034

VALVE ASSEMBLY - pressure regulator, Includes: Ref. 53 - 60

1шт.

53

G105038

SPOOL

- pressure regulator

1шт.

G105035

PISTON ASSEMBLY - pressure regulator, Includes: 55 - 57

1шт.

55

G105037

PISTON

- pressure regulator

1шт.

56

238-5014

O-RING,0.07" Thk x 0.489" ID, -14, Cl 5, 75 Duro

-014, 70 Duro, .489" ID x .070" Thk

1шт.

57

G100797

RING

- sealing

1шт.

58

G105036

SPRING

- piston return

1шт.

59

G102104

WASHER

- orifice

1шт.

60

G100792

RING

- retaining

1шт.

61

G100794

SPRING

- piston retaining

1шт.

Выбрано товаров: 50