Запчасти Case IH 2096 (8-026) - GEAR AND PISTON PUMP ASSEMBLY, PISTON PUMP (CONTD) (08) - HYDRAULICS

Схема запчастей Case IH 2096 - (8-026) - GEAR AND PISTON PUMP ASSEMBLY, PISTON PUMP (CONTD) (08) - HYDRAULICS
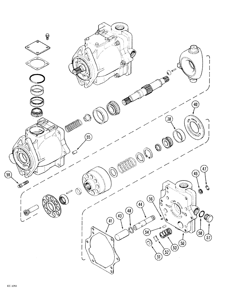
44
41
48
50
40
47
57
52
38
43
55
54
56
51
45
58
59
53
FIT
1:1
100%

Артикул

Название

Примечание

Количество

A166504

PUMP

ASSEMBLY hydraulic, complete, Includes: piston pump assembly and Ref. 38 - 59 and 1 - 36 on Fig. 8-024

1шт.

1346425C1

REMAN-HYD PUMP

2096 S/N 17897500 TO 17897505, 17897510 & AFTER (1/84-12/86)

1шт.

1346426C1

CORE-HYDRAULIC PUMP

Return Number

1шт.

NSS

NOT SOLD SEPARAT

PUMP ASSEMBLY piston, Includes: Ref. 38 - 59 and 1 - 36 on Fig. 8-024

1шт.

38

B14849

CUP

bearing

1шт.

39

B14850

ROLLER BEARING,0.8445" ID x 0.72"

CONE bearing

1шт.

40

A47302

PLATE

wafer

1шт.

41

A47280

GASKET,0.53mm Thk

piston pump housing

1шт.

Part of Seals and Gaskets Service Kit, P/N A47567

1шт.

1263240C1

PACKAGE

KIT service, compensator piston and rod, Includes: Ref. 43 - 45

1шт.

43

NSS

NOT SOLD SEPARAT

PISTON compensator

1шт.

44

NSS

NOT SOLD SEPARAT

ROD piston

1шт.

45

A47340

RING

retaining, piston rod

1шт.

47

H756783

O-RING,0.103" Thk x 0.487" ID, -112, Cl 6, 90 Duro

sealing, piston rod

1шт.

Part of Seals and Gaskets Service Kit, P/N A47567

1шт.

48

A47479

BUSHING

SPACER steel, piston limit

1шт.

50

A49434

PIPE

BLOCK valve

1шт.

51

A47306

PLUG

SEAT valve block

1шт.

52

A47307

VALVE

check

1шт.

53

A47308

SPRING

valve block

1шт.

54

A47309

PIN

PLUG headless, 1/4 x 1/2 inch

1шт.

55

A47301

PIN

locating, pump housing to valve body

2шт.

56

221-1849

PLUG

hex socket, 1/8 inch PT

1шт.

57

86512512

PLUG,7/8" - 14 ORB

Incl. Ref. 58 Hex Hd, 7/8"-14 ORB

1шт.

58

237-6010

O-RING,0.097" Thk x 0.755" ID, -910, Cl 6, 90 Duro

10-1, 90 Duro, .755" ID x .097" Thk

1шт.

Part of Seals and Gaskets Service Kit, P/N A47567

1шт.

59

166-47

12 PT SCREW,Flg, 3/8" - 16 x 1 1/2", Gr 8

SCREW, 12 point, 3/8 NC x 1-1/2 inch, grade 8

6шт.

A47567

KIT

service, seals and gaskets, Includes: Ref. 41, 47 and 58, See Figure 8-022

1шт.

Выбрано товаров: 0