Запчасти Case IH 2096 (8-048) - REMOTE ADD-ON ATTACHMENT, NO. THREE OR NO. FOUR CIRCUIT, WITHOUT LOAD CHECK (CONTD) (08) - HYDRAULICS

Схема запчастей Case IH 2096 - (8-048) - REMOTE ADD-ON ATTACHMENT, NO. THREE OR NO. FOUR CIRCUIT, WITHOUT LOAD CHECK (CONTD) (08) - HYDRAULICS
67
38
37
64
45
68
48
56
60
37
59
66
52
39
54
42
57
49
35
65
60
42
58
47
70
50
53
45
40
55
69
61
41
36
57
63
61
46
62
68
FIT
1:1
100%

Артикул

Название

Примечание

Количество

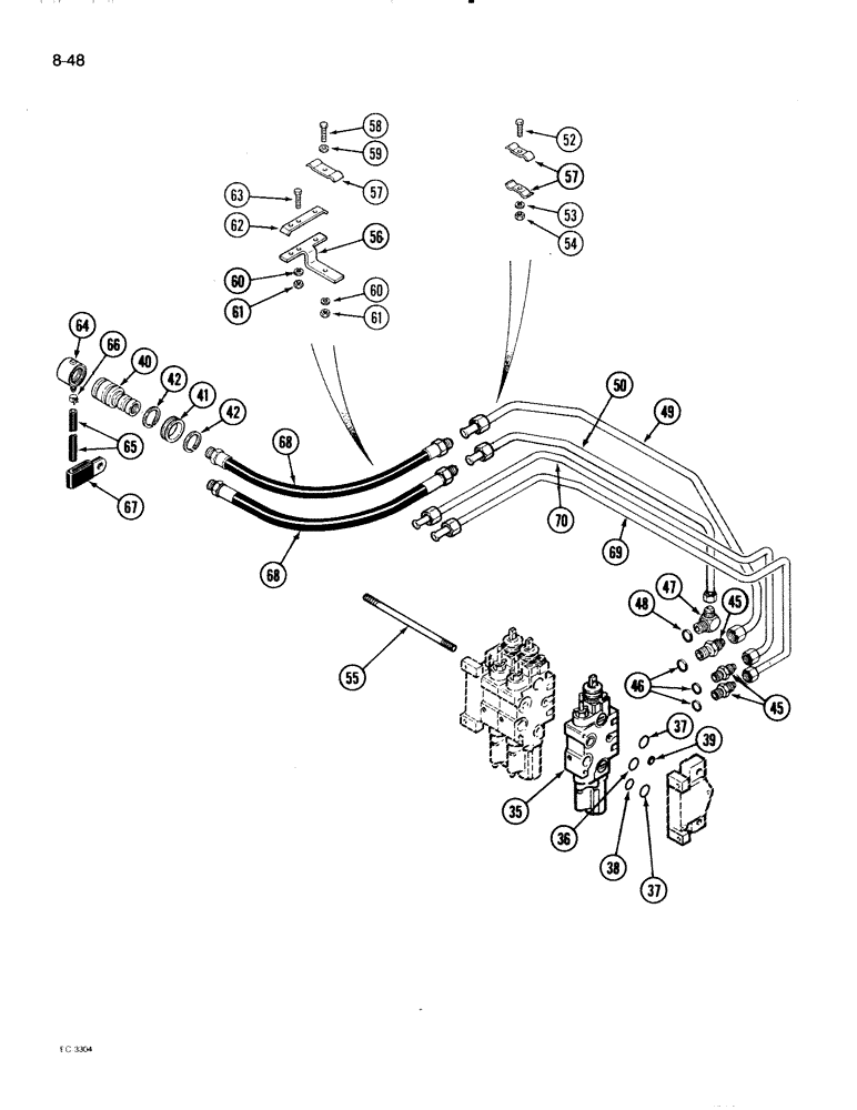
A181930

ATTACHMENT

KIT - remote valve 'add-on' attachment, without load check, Includes: Ref. 35 - 70 and parts in Figure 8-046

1шт.

35

A169029

VALVE

SECTION - valve, remote, without load check (See Figure 8-056) (Use for 3rd or 4th circuit installation)

1шт.

A47576

KIT

- seals and shims, Includes: Ref. 36 - 39

1шт.

36

S6578

O-RING,0.139" Thk x 0.984" ID, -214, Cl 6, 90 Duro

- 1 inch ID

1шт.

37

238-5119

O-RING,0.103" Thk x 0.924" ID, -119, Cl 5, 75 Duro

2шт.

38

238-6210

O-RING,0.139" Thk x 0.734" ID, -210, Cl 6, 90 Duro

- 3/4 ID x 1/8 inch wide

1шт.

39

D77566

SHIM,.0030" Thk

Control valve sections .0030" Thk

3шт.

40

A177478

COUPLING, QUICK, FEM

COUPLING - female, breakaway (See Figure 8-068)

2шт.

41

A139805

RETAINER

- coupling

2шт.

42

A137976

SNAP RING,#150, 1.408", Ext

RING - retaining

4шт.

45

218-5062

HYD CONNECTOR,7/8"-14, 37 Degree x 7/8"-14, O-Ring

ADAPTER - straight, 7/8-14 inch flare x O-ring boss (Use qty 1 with Ref. No. 47 for 3rd cicuit installation, or use qty 2 for 4th circuit installation), Includes: Ref. 46

2шт.

46

237-6010

O-RING,0.097" Thk x 0.755" ID, -910, Cl 6, 90 Duro

10-1, 90 Duro, .755" ID x .097" Thk

1шт.

47

218-5107

90 ELBOW,90 Degree Elbow, 7/8" - 14 Male JIC x 7/8" - 14 Male ORB

- 90 degree, 7/8-14 inch flare x adj. O-ring boss (Used with qty 1 of Ref. No. 45 for 3rd circuit installation), Incl. Ref. 48

1шт.

48

237-6010

O-RING,0.097" Thk x 0.755" ID, -910, Cl 6, 90 Duro

10-1, 90 Duro, .755" ID x .097" Thk

1шт.

49

A181336

TUBE

- valve to No. 5 coupling (With A181359 replaces A145905) (Use for 3rd circuit installation)

1шт.

50

A181338

TUBE

- valve to No. 6 coupling (With A181359 replaces A180046) (Use for 3rd circuit installation)

1шт.

52

13-516

BOLT,Hex, 5/16" - 18 x 1", Gr 5

1шт.

53

92-11031

LOCK WASHER,5/16"

WASHER, LOCK, 5/16"

1шт.

54

9635082

NUT,5/16" - 18, Gr 5

1шт.

55

A147507

STUD

- 3/8 NC x 9-7/8 inch (3rd section mounting)

3шт.

55

A147508

STUD

- 3/8 NC x 11-3/4 inch (4th section mounting)

3шт.

56

A147771

BRACKET

- support, tube clamp

1шт.

57

A17542

CLAMP

- tube

3шт.

58

13-416

BOLT,Hex, 1/4" - 20 x 1", Gr 5

1шт.

59

95-21031

WASHER,1/4"

- flat, 5/16 x 3/4 x 1/16 inch

1шт.

60

92-11025

LOCK WASHER,6.4mm ID x 12.37mm OD x 1.57mm Thk

WASHER, LOCK, 1/4"

3шт.

61

25-104

NUT,1/4"-20, G5

3шт.

62

A147772

CLAMP

- tube

1шт.

63

13-420

BOLT,Hex, 1/4" - 20 x 1-1/4", Gr 5

2шт.

64

A177479

CAP

- dust, coupling

2шт.

65 (cut

A180178

HOSE,7.90 mm ID x 914.40 mm, SAE J200

- drain (Cut to Length) 7.90 mm ID x 914.40 mm, SAE J200

2шт.

66

A180159

CLAMP,10.29mm - 12.32mm

- hose

2шт.

67

A180154

CLAMP

- drain hose

1шт.

68

A181359

HOSE,12.70 mm ID x 782.00 mm, SAE 100R2

- - Remote tubes to couplings (Use for 3rd or 4th circuit installation) 12.70 mm ID x 782.00 mm, SAE 100R2

2шт.

69

A181340

TUBE

- valve to No. 7 coupling (With A181359 replaces A145907) (Use for 4th circuit installation)

1шт.

70

A181341

TUBE

- valve to N0. 8 coupling (With A181359 replaces A145908) (Use for 4th circuit installation)

1шт.

Выбрано товаров: 36