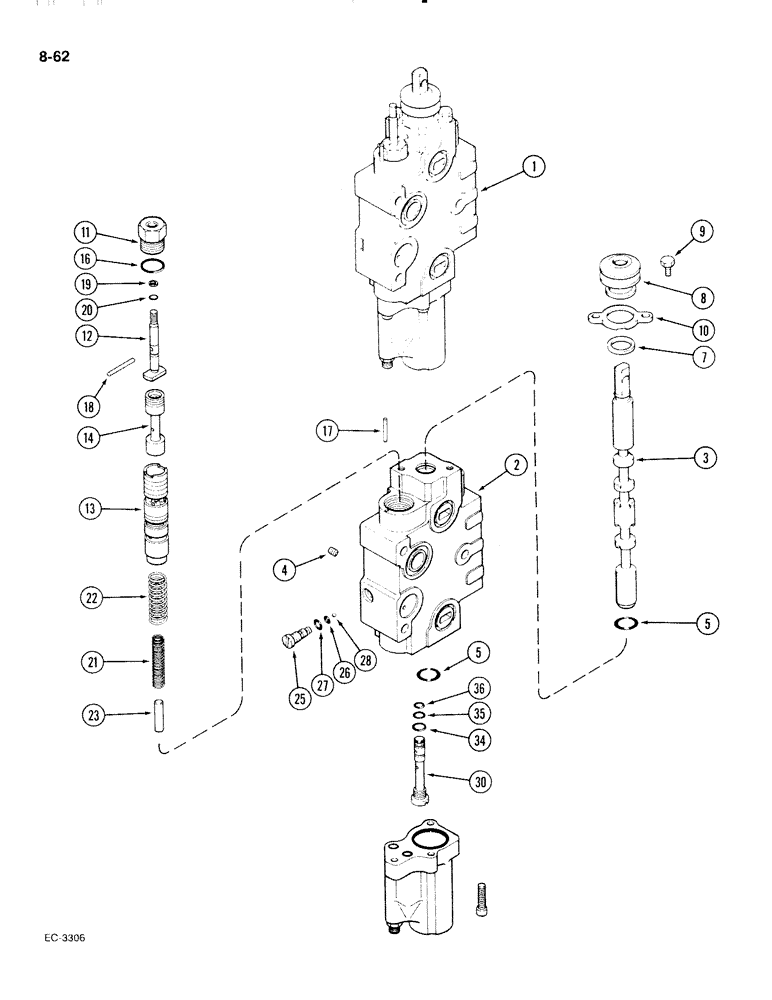
Запчасти Case IH 2096 (8-062) - REMOTE VALVE SECTION, THIRD CIRCUIT, WITHOUT LOAD CHECK (08) - HYDRAULICS

Схема запчастей Case IH 2096 - (8-062) - REMOTE VALVE SECTION, THIRD CIRCUIT, WITHOUT LOAD CHECK (08) - HYDRAULICS
26
23
20
1
22
14
11
7
12
21
18
35
27
25
8
5
5
36
34
17
4
9
2
3
13
30
16
28
10
19
FIT
1:1
100%

Артикул

Название

Примечание

Количество

1

A48945

HOUSING

SECTION - valve, without load check, Includes: Ref. 2 - 36 in this figure and parts in Figure 8-064

1шт.

2

NSS

NOT SOLD SEPARAT

BODY - valve (Order A48945)

1шт.

3

NSS

NOT SOLD SEPARAT

SPOOL - valve (Order A48945)

1шт.

4

A47105

PLUG

- expansion

1шт.

5

238-5116

O-RING,0.103" Thk x 0.75" ID, -116, Cl 5, 75 Duro

2шт.

A48938

KIT

- service, body and spool filter, Includes: Ref. 7 - 10

1шт.

7

A47205

SEAL,22.61mm ID x 32.13mm OD x 2.67mm Thk

FILTER - spool

1шт.

8

A47188

COVER

BOOT - dust

1шт.

9

86019274

SCREW,Hex, 1/4"-20 x 1/2", G5

- hex, 1/4 NC x 1/2 inch

2шт.

10

A47196

RETAINER

- dust guard

1шт.

11

A48925

PLUG

- flow control

1шт.

12

A48929

SHAFT

- adjusting

1шт.

13

A48956

TUBE

- flow control

1шт.

14

A48957

SPOOL

- flow control

1шт.

A48941

SEAL

KIT - sevice, flow control seals, Includes: Ref. 16 - 22

1шт.

16

237-6010

O-RING,0.097" Thk x 0.755" ID, -910, Cl 6, 90 Duro

10-1, 90 Duro, .755" ID x .097" Thk

1шт.

17

138-61

LOCK PIN,1/8" x 1", Slotted

PIN, 1/8" x 1", Slotted

1шт.

18

138-63

LOCK PIN,1/8" x 1 1/4", Slotted

PIN, 1/8" x 1 1/4", Slotted

1шт.

19

D71056

RING,Split, 4.47mm ID x 7.21mm OD x 1.32mm Thk

- backup

1шт.

20

238-5008

O-RING,0.07" Thk x 0.18" ID, -8, Cl 5, 75 Duro

-008, 70 Duro, .176" ID x .070" Thk

1шт.

21

A48960

SPRING

- inner, flow control

1шт.

22

A48959

SPRING

- outer, flow control

1шт.

23

A48937

PIN

- guide, spring

1шт.

A47210

PLUG

ASSEMBLY - shuttle, secondary, Includes: Ref. 25 - 27

1шт.

25

A47204

PLUG

BODY - shuttle

1шт.

A48939

KIT

- service, shuttle seals, Includes: Ref. 26 and 27

1шт.

26

238-6008

O-RING,0.07" Thk x 0.176" ID, -8, Cl 6, 90 Duro

1шт.

27

237-6003

O-RING,0.064" Thk x 0.301" ID, -903, Cl 6, 90 Duro

3-1, .301" ID x .064" Thk, 3/16 inch O.D. tube

1шт.

28

211-255

BALL,3/16 Dia

grade 50, chrome steel 3/16 Dia

1шт.

30

A47209

SPOOL

SHUTTLE ASSEMBLY - primary

1шт.

N6632

SEAL KIT

- service, shuttle seals, Includes: Ref. 34 - 36

1шт.

34

237-6004

O-RING,0.072" Thk x 0.351" ID, -904, Cl 6, 90 Duro

4-1, 90 Duro, .351" ID x .072" Thk

1шт.

35

238-6010

O-RING,0.07" Thk x 0.239" ID, -10, Cl 6, 90 Duro

1шт.

36

238-6009

O-RING,0.07" Thk x 0.208" ID, -9, Cl 6, 90 Duro

1шт.

Выбрано товаров: 34