Запчасти Case IH 2096 (8-066) - REMOTE CYLINDER, HOSES AND COUPLINGS (08) - HYDRAULICS

Схема запчастей Case IH 2096 - (8-066) - REMOTE CYLINDER, HOSES AND COUPLINGS (08) - HYDRAULICS
5
22
5
3
13
11
12
8
14
20
23
21
4
10
6
10
7
3
24
25
1
31
32
4
2
2
9
FIT
1:1
100%

Артикул

Название

Примечание

Количество

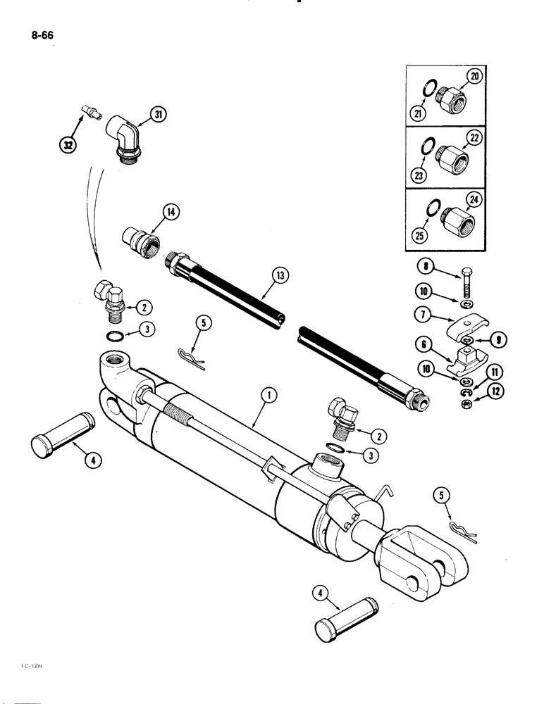
A149161

CYLINDER

- portable hydraulic, Includes: Ref. 1 - 14

1шт.

1

G33769

CYLINDER

- hydraulic (See Figure 8-070)

1шт.

A67447

KIT - hydraulic hoses, Includes: Ref. 2 - 14

1шт.

2

218-5201

90 ELBOW,90 Degree, 7/8"-14 O-Ring x 1/2" NPSM Fem

- 90 deg, 7/8-14 adj., O-ring x 1/2 inch swivel str pipe, Includes: Ref. 3

2шт.

3

237-6010

O-RING,0.097" Thk x 0.755" ID, -910, Cl 6, 90 Duro

10-1, 90 Duro, .755" ID x .097" Thk

1шт.

4

A27347

PIN

- retaining, cylinder

2шт.

5

A29054

HAIR PIN COTTER

- hair type, cylinder pin retaining

2шт.

6

D124301

CLAMP,3/4" ID

- tube, 3/4 inch

1шт.

7

D120614

CLAMP,25mm W x 68mm L x 9mm Thk

- tube, cap

1шт.

8

413-636

BOLT,Hex, 3/8" - 16 x 2-1/4", Gr 5

- hex, 3/8 NC x 2-1/4 inch

1шт.

9

495-21038

WASHER,5/16"

(flat, 3/8 x 7/8 x 5/64") 5/16"

1шт.

10

495-21044

WASHER,3/8"

(flat, 7/16 x 1 x 5/64 inch) 3/8"

2шт.

11

492-11038

LOCK WASHER,3/8"

1шт.

12

425-106

NUT,3/8"-16, Cl 5

1шт.

13

A135006

HYDRAULIC HOSE,0.50" ID x 106.00", SAE 100R1 per SAE 100 R1

0.50" ID x 106.00", SAE 100R1 per SAE 100 R1

1шт.

13

A135007

HYDRAULIC HOSE,0.50" ID x 118.00", SAE 100R1 per SAE 100 R1

0.50" ID x 118.00", SAE 100R1 per SAE 100 R1

1шт.

14

A147889

COUPLING, BREAK AWAY

COUPLING - hydraulic, male (See Figrue 8-068)

2шт.

A135687

ADAPTER

KIT - adapter, coupling (J I Case Implement hoses), hydraulic hose adapters, Includes: Ref. 20 and 21

1шт.

20

NSS

NOT SOLD SEPARAT

ADAPTER - 7/8 inch male x 7/8 inch female (Order A135687), hydraulic hose

1шт.

21

237-6010

O-RING,0.097" Thk x 0.755" ID, -910, Cl 6, 90 Duro

- 5/8 inch O.D. tube, class 6, hydraulic hose adapters

1шт.

A135688

ADAPTER

KIT - adapter, coupling (John Deere Implement hoses), hydraulic hose adapters, Includes: Ref. 22 and 23

1шт.

22

NSS

NOT SOLD SEPARAT

ADAPTER - 7/8 inch male x 3/4 inch female (Order A135688), hydraulic hose

1шт.

23

237-6010

O-RING,0.097" Thk x 0.755" ID, -910, Cl 6, 90 Duro

10-1, 90 Duro, .755" ID x .097" Thk, Hydraulic hose adapters

1шт.

24

218-5095

ADAPTER,7/8" - 14 ORB x 1/2" NPT

- straight, 7/8-14 O-ring boss x 1/2 inch female PT (International Harvester Implement hoses), hydraulic hose, Includes: Ref. 25

1шт.

25

237-6010

O-RING,0.097" Thk x 0.755" ID, -910, Cl 6, 90 Duro

10-1, 90 Duro, .755" ID x .097" Thk, Hydraulic hose adapters

1шт.

A65953

HYDRAULIC VALVE

KIT - regulator, portable cylinder, return flow, Includes: oil return regulator assembly and Ref. 31 and 32

1шт.

A65954

REGULATOR

ASSEMBLY - oil return, cylinder return flow regulator, Includes: Ref. 31 and 32

1шт.

31

A65955

ELBOW,90 Degree, 7/8"-14" O-Ring x 1/2" NPT Fem

- 90 degree, regulator, cylinder return flow

1шт.

32

A57369

SPOOL

- regulator, cylinder return flow

1шт.

Выбрано товаров: 29