Запчасти Case IH 2096 (9-118) - AIR CONDITIONING, COMPRESSOR MOUNTING AND DRIVE (09) - CHASSIS/ATTACHMENTS

Схема запчастей Case IH 2096 - (9-118) - AIR CONDITIONING, COMPRESSOR MOUNTING AND DRIVE (09) - CHASSIS/ATTACHMENTS
19
11
13
7
9
18
22
5
8
6
12
11
2
20
22
4
7
12
13
21
1
3
14
10
21
19
20
FIT
1:1
100%

Артикул

Название

Примечание

Количество

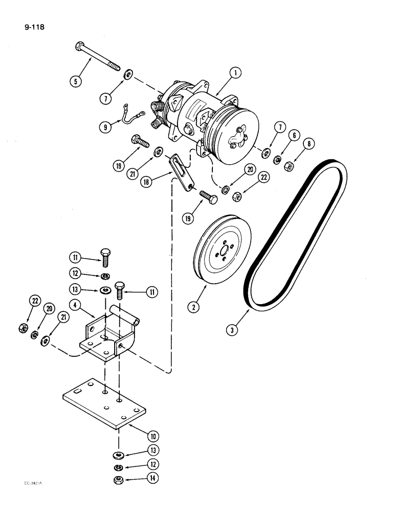
1

A177068

AIRCOND. COMPRESSOR

ASSEMBLY - air conditioning (See Figure 9-120)

1шт.

A177068R

REMAN-A/C COMPRESSOR

2096 DIESEL S/N 17897500 TO 17897505, 17897510 & AFTER (1/84-12/86)

1шт.

A177068C

CORE-DISTRIB KIT-FUE

Return Number

1шт.

2

A177276

PULLEY

- compressor drive

1шт.

3

A169970

BELT,0.50" W x 39.25" L

Drive, Compressor 0.50" W x 39.25" L

1шт.

4

A177341

BRACKET

- compressor mounting

1шт.

5

814-10130

BOLT,Hex, M10 x 1.5 x 130mm, Cl 8.8

- hex, 10 - 1.5 x 130 mm

1шт.

6

892-11010

LOCK WASHER,M10

1шт.

7

895-15010

WASHER,11mm ID x 24mm OD x 2mm Thk

2шт.

8

825-1410

NUT,M10, Cl 8

1шт.

9

1537264C1

CABLE

- earth

1шт.

10

1537178C1

SUPPORT

PLATE - base, compressor mounting (Replaces A177345)

1шт.

11

614-10035

BOLT,Hex, M10 x 1.5 x 35mm, Cl 8.8, Full Thd

- hex, 10 - 1.5 x 35 mm

5шт.

12

892-11010

LOCK WASHER,M10

5шт.

13

895-15010

WASHER,11mm ID x 24mm OD x 2mm Thk

5шт.

14

825-1410

NUT,M10, Cl 8

2шт.

18

K207316

STRAP

- compressor adjusting

2шт.

19

814-10035

BOLT,Hex, M10 x 1.5 x 35mm, Cl 8.8, Full Thd

- hex, 10 - 1.5 x 35 mm

4шт.

20

892-11010

LOCK WASHER,M10

4шт.

21

895-15010

WASHER,11mm ID x 24mm OD x 2mm Thk

4шт.

22

825-1410

NUT,M10, Cl 8

4шт.

Выбрано товаров: 21