Запчасти Case IH 2096 (9-122) - WINDSHIELD WIPER, AMERICAN BOSCH (09) - CHASSIS/ATTACHMENTS

Схема запчастей Case IH 2096 - (9-122) - WINDSHIELD WIPER, AMERICAN BOSCH (09) - CHASSIS/ATTACHMENTS
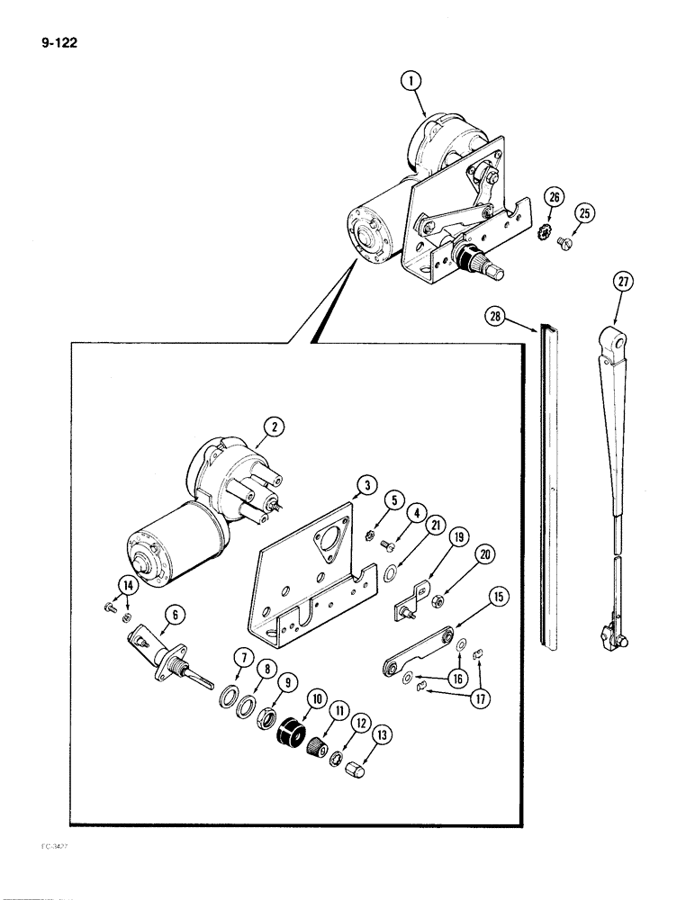
2
21
3
9
4
25
17
8
19
12
16
6
13
14
15
27
1
20
26
11
10
7
28
5
FIT
1:1
100%

Артикул

Название

Примечание

Количество

F96900

MOTOR HOUSING

WIPER ASSEMBLY - windshield, Includes: Ref. 1 - 21

1шт.

1

NSS

NOT SOLD SEPARAT

WIPER ASSEMBLY - windshield (Order F96900), Includes: Ref. 2 - 21

1шт.

2

NSS

NOT SOLD SEPARAT

MOTOR - wiper (Order F96900)

1шт.

3

NSS

NOT SOLD SEPARAT

BRACKET - wiper assembly (Order F96900)

1шт.

4

174-214

SCREW,Sl Rnd Hd, 1/4" - 28 x 5/8"

- machine, round head slotted 1/4 NF x 5/8 inch

3шт.

5

493-11026

LOCK WASHER,Ext-Int Tooth, 1/4"

3шт.

D71415

SHAFT

ASSEMBLY - pivot, wiper arm, Includes: Ref. 6 - 13

1шт.

6

NSS

NOT SOLD SEPARAT

SHAFT - wiper, with pivot (Order D71415)

1шт.

7

D71417

SPECIAL WASHER

WASHER - flat, fibre

1шт.

8

D71418

WASHER

- flat, steel

1шт.

9

D71419

NUT

- hex jam, shaft

1шт.

10

D71420

CAP

BOOT - rubber

1шт.

11

D71421

TOOL

DRIVER - knurled, wiper arm

1шт.

12

493-11052

LOCK WASHER,Ext-Int Tooth, 1/2"

WASHER - internal-external tooth lock, 5/16 inch

1шт.

13

D71422

NUT

- hex, cap

1шт.

14

D71416

SCREW

- shaft assembly

2шт.

15

D71427

LINK,85.85mm L

- connecting

1шт.

16

A22431

WASHER

- link clip, drive arm and shaft

2шт.

17

D71414

CLIP

RETAINER - spring clip, drive arm and shaft

2шт.

19

F64210

LEVER

ARM - drive

1шт.

20

F44452

LOCK NUT

- hex, keps, motor shaft arm

1шт.

21

D71411

WASHER

- wave

1шт.

25

459-1256

SCREW,Slotted Pan Hd, 1/4"-28 x 3/8"

- machine, pan head slotted, 1/4 NF x 3/8 inch

2шт.

26

493-11026

LOCK WASHER,Ext-Int Tooth, 1/4"

2шт.

27

A165060

WIPER ARM

ARM - wiper blade, 18 inch, black

1шт.

28

A165059

WIPER

BLADE - wiper, 20 inch, black

1шт.

Выбрано товаров: 26