Запчасти Case IH 2096 (5-008) - HYDROSTATIC STEERING SYSTEM (05) - STEERING

Схема запчастей Case IH 2096 - (5-008) - HYDROSTATIC STEERING SYSTEM (05) - STEERING
15
40
49
46
42
47
3
31
32
45
34
33
6
12
18
28
11
33
4
50
18
1
48
5
44
9
17
31
32
17
3
34
2
16
51
7
34
35
8
4
10
49
35
FIT
1:1
100%

Артикул

Название

Примечание

Количество

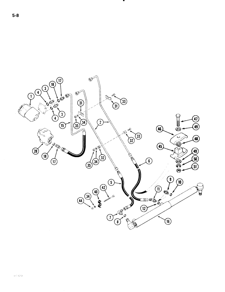
1

1978330C1

PUMP

ASSEMBLY - steering, 2WD tractor (See Figure 5-010) (Replaces A145863, see Figure 5-014)

1шт.

1

1346047C1

PUMP

ASSEMBLY - steering, 2WD tractor (See Figure 5-012), Serial Range: (Optional-1978330C1)

1шт.

1

1978332C1

PUMP

ASSEMBLY - steering, MFD tractor (See Figure 5-016) (Replaces A162639, see Figure 5-020)

1шт.

1

1346048C1

PUMP

ASSEMBLY - steering, MFD tractor (See Figure 5-018), Serial Range: (Optional-1978332C1)

1шт.

2

A167050

TUBE

ASSEMBLY - steering

2шт.

3

A149481

CONNECTOR, ELEC

UNION - straight, 1/2 inch tube x 3/4 inch NF, Includes: Ref. 4

2шт.

4

237-6008

O-RING,0.087" Thk x 0.644" ID, -908, Cl 6, 90 Duro

8-1, 90 Duro, .644" ID x .087" Thk

1шт.

5

A167051

HOSE

- steering, right turn (Standard wheel base)

1шт.

5

A176983

HOSE,9.65 mm ID x 1000.00 mm, SAE 100R1, SAE J343, SAE J517

steering, right turn (Long wheel base) 9.65 mm ID x 1000.00 mm, SAE 100R1, SAE J343, SAE J517

1шт.

5

A176983

HOSE,9.65 mm ID x 1000.00 mm, SAE 100R1, SAE J343, SAE J517

steering, right turn (MFD) 9.65 mm ID x 1000.00 mm, SAE 100R1, SAE J343, SAE J517

1шт.

6

A167052

HOSE,9.65 mm ID x 1050.00 mm, SAE 100R1

- Steering, Left turn (Standard wheel base) 9.65 mm ID x 1050.00 mm, SAE 100R1

1шт.

6

A167054

HOSE,9.65 mm ID x 1170.00 mm, SAE 100R1

- Steering, Left turn (Long wheel base) 9.65 mm ID x 1170.00 mm, SAE 100R1

1шт.

6

A176984

HOSE,9.65 mm ID x 870.00 mm, SAE 100R1, SAE J343, SAE J517

steering, left turn (MFD) 9.65 mm ID x 870.00 mm, SAE 100R1, SAE J343, SAE J517

1шт.

7

218-5106

90 ELBOW,90 Degree Elbow, 3/4" - 16 Male JIC x 3/4" - 16 Male ORB

- 90 degree, 3/4-16 inch flare x adj. O-ring boss, Includes: Ref. 8

1шт.

8

237-6008

O-RING,0.087" Thk x 0.644" ID, -908, Cl 6, 90 Duro

8-1, 90 Duro, .644" ID x .087" Thk

1шт.

9

218-5059

HYD CONNECTOR,3/4"-16, 37 Degree x 3/4"-16, O-Ring

ADAPTER - straight, 3/4-16 inch flare x O-ring boss (MFD), Incl. Ref 10

1шт.

10

237-6008

O-RING,0.087" Thk x 0.644" ID, -908, Cl 6, 90 Duro

8-1, 90 Duro, .644" ID x .087" Thk

1шт.

11

218-5136

ELBOW,45 Degree Elbow, 3/4" - 16 Male JIC x 3/4" - 16 Male ORB

- 45 degree, 3/4-16 inch flare x adj. O-ring boss (2WD), Incl. Ref 12

1шт.

12

237-6008

O-RING,0.087" Thk x 0.644" ID, -908, Cl 6, 90 Duro

8-1, 90 Duro, .644" ID x .087" Thk

1шт.

15

A166836

HYDRAULIC HOSE

HOSE - steering pump inlet

1шт.

16

REF

INSTRUCTION

CYLINDER ASSEMBLY - steering (See Figures 5-022, 5-038 and 5-048)

1шт.

17

218-5059

HYD CONNECTOR,3/4"-16, 37 Degree x 3/4"-16, O-Ring

ADAPTER - straight, 3/4-16 inch flare x O-ring boss, Incl. Ref 18

1шт.

18

237-6008

O-RING,0.087" Thk x 0.644" ID, -908, Cl 6, 90 Duro

8-1, 90 Duro, .644" ID x .087" Thk

1шт.

28

G105128

VALVE, BRAKE

VALVE ASSEMBLY - power brake (See Figure 7-006)

1шт.

31

A176586

CLAMP

- tube

2шт.

32

A169743

CLAMP

- tube

2шт.

33

614-8025

BOLT,Hex, M8 x 1.25 x 25mm, Cl 8.8, Full Thd

- hex, 8-1.25 x 25 mm

2шт.

34

492-11031

LOCK WASHER,5/16"

WASHER, LOCK, 5/16"

3шт.

35

825-1408

NUT,M8, Cl 8

2шт.

40

A57740

CLAMP

- double, 3/4 inch O.D. tube

1шт.

42

814-8120

BOLT,Hex, M8 x 1.25 x 120mm, Cl 8.8

- hex, 8-1.25 x 120 mm

1шт.

44

825-1108

NUT,Hex, M8, Cl 8

1шт.

45

D120613

CLAMP,20mm ID

- hose

1шт.

46

D120614

CLAMP,25mm W x 68mm L x 9mm Thk

- hose

1шт.

47

413-636

BOLT,Hex, 3/8" - 16 x 2-1/4", Gr 5

- hex, 3/8 NC x 2-1/4 inch

1шт.

48

895-11010

WASHER,11mm ID x 20mm OD x 2mm Thk

- flat, 11 x 21 x 2 mm

1шт.

49

495-21044

WASHER,3/8"

(flat, 7/16 x 1 x 5/64 inch) 3/8"

2шт.

50

492-11038

LOCK WASHER,3/8"

1шт.

51

425-106

NUT,3/8"-16, Cl 5

1шт.

Выбрано товаров: 39