Запчасти Case IH 2096 (5-024) - ADJUSTABLE FRONT AXLES AND SUPPORT (05) - STEERING

Схема запчастей Case IH 2096 - (5-024) - ADJUSTABLE FRONT AXLES AND SUPPORT (05) - STEERING
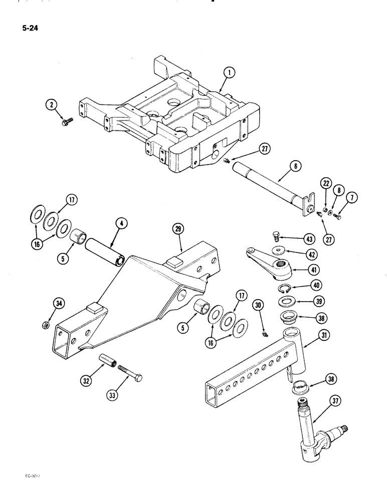
33
16
7
42
2
40
5
38
22
31
43
16
29
8
17
39
38
27
32
30
34
41
27
1
4
6
5
37
17
FIT
1:1
100%

Артикул

Название

Примечание

Количество

1

A169577

SUPPORT

- front axle

1шт.

2

A169100

BOLT

- hex flange, 16 mm x 45 mm, class 10.9

16шт.

4

A185400

SPACER

- pipe, front axle pivot (10.4" Long)

1шт.

5

A177916

BUSHING,50.3mm ID x 64.96mm OD x 50mm L

- pivot pin

2шт.

6

A169586

PIN

- axle pivot

1шт.

7

826-12040

BOLT,Hex, M12 x 1.75 x 40mm, Cl 10.9, Full Thd

- hex, 12 mm x 40 mm, class 10.9

1шт.

8

D78732

WASHER

- special, hardened, flat, 1/2 inch

1шт.

16

A177854

WASHER,50.3mm ID x 90mm OD x 1.6mm Thk

front axle pivot

1шт.

17

A177855

SEALING WASHER,50.3mm ID x 90mm OD x 4.9mm Thk

thrust, front axle pivot

2шт.

22

A185525

SPACER

- pivot pin

1шт.

27

219-55

LUBE NIPPLE,90 Degree Elbow, 1/8" - 27 NPTF

NIPPLE, LUBE, 90º, 1/8" NPT x .84" lg

2шт.

29

A176734

AXLE

- center section (Standard wheel base)

1шт.

29

A176713

AXLE

- center section (108 inch wheel base)

1шт.

30

219-1

LUBE NIPPLE,1/8" - 27 NPTF

FITTING - grease, straight, 1/8 PT x 21/32 inch

2шт.

31

A160127

SHAFT

AXLE - left end section (Standard wheel base)

1шт.

31

A143540

SHAFT

AXLE - left end section (108 inch wheel base)

1шт.

31

A160126

SHAFT

AXLE - right end section (Standard wheel base)

1шт.

31

A143537

SHAFT

AXLE - right end section (108 inch wheel base)

1шт.

32

A137107

BUSHING

SPACER - mounting bolt (Standard wheel base)

4шт.

32

A139628

BUSHING

SPACER - mounting bolt (108 inch wheel base)

4шт.

33

26-1480

BOLT,Hex, 7/8" - 9 x 5", Gr 8

- hex, 7/8 NC x 5 inch, grade 8 (Standard wheel base)

4шт.

33

13-14120

BOLT,Hex, 7/8" - 9 x 7-1/2", Gr 5

- hex, 7/8 NC x 7-1/2 inch (108 inch wheel base)

4шт.

34

25-1014

NUT,7/8"-9, G5

4шт.

37

A167024

SPINDLE

- front wheel (Standard wheel base)

2шт.

37

A161274

SPINDLE

- front wheel (108 inch wheel base)

2шт.

38

A143174

BUSHING,51mm ID x 60.45mm OD x 28.57mm L

- spindle (Standard wheel base)

4шт.

38

A143358

BUSHING,57.05mm ID x 62.08mm OD x 25.7mm L

- spindle (108 inch wheel base)

4шт.

39

A31269

WASHER,38.89mm ID x 73.03mm OD x 3.17mm Thk

- spindle retaining (Standard wheel base)

2шт.

39

A35347

SHIM,.1345" Thk

Washer - Spindle retaining (108" wheel base) .1345" Thk

2шт.

40

T37909

SNAP RING,#150, Ext

Ring, Snap, (Standard wheel base) #150, Ext

2шт.

40

D25280

SNAP RING,#175, Ext

Ring, Snap, (108 inch wheel base) #175, Ext

2шт.

41

A160125

ARM

- steering, left spindle (Standard wheel base)

1шт.

41

A147122

ARM

- steering, left spindle (108 inch wheel base)

1шт.

41

A160124

ARM

- steering, right spindle (Standard wheel base)

1шт.

41

A147121

ARM

- steering, right spindle (108 inch wheel base)

1шт.

42

A161870

WASHER

- steering arm

2шт.

43

413-1224

BOLT,Hex, 3/4" - 10 x 1-1/2", Gr 5

- hex, 3/4 NC x 1-1/2 inch

2шт.

Выбрано товаров: 37