Запчасти Case IH 21026 (08-02) - ELECTRICAL, ALTERNATOR GENERATOR AND CONNECTIONS (06) - ELECTRICAL

Схема запчастей Case IH 21026 - (08-02) - ELECTRICAL, ALTERNATOR GENERATOR AND CONNECTIONS (06) - ELECTRICAL
9
10
5
1
2
6
8
7
4
3
FIT
1:1
100%

Артикул

Название

Примечание

Количество

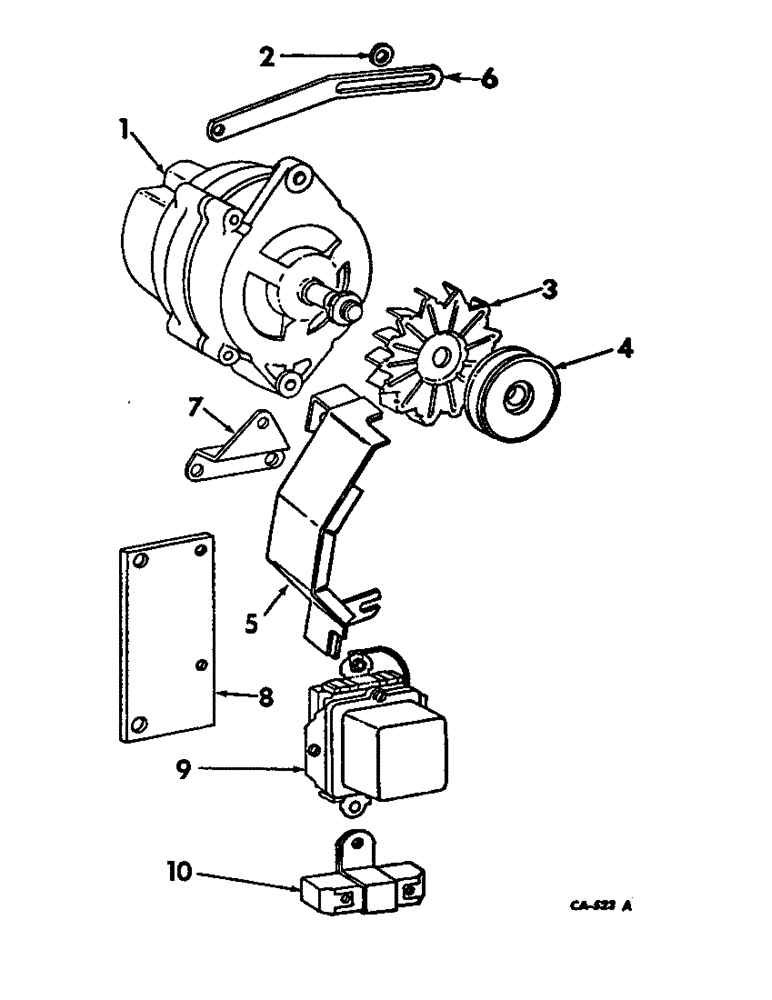
1

1100805

GENERATOR

ALTERNATOR GENERATOR ASSY, 702337C91, for components see list of parts under detail of alternator generator

1шт.

1

1100791

GENERATOR

ALTERNATOR GENERATOR ASSY, 55 ampere, 397091R91, for components see list of parts under detail of alternator generator

1шт.

1

103805A1R

REMAN-ALTERNATOR

Remanufactured Alternator, 12 volt 55 ampere

1шт.

1

103805A1C

CORE-ALTERNATOR

Return Number

1шт.

1

103806A1R

REMAN-ALTERNATOR

Remanufactured Alternator, 12 volt 60 ampere

1шт.

1

103806A1C

CORE-ALTERNATOR

Return Number

1шт.

120614

NUT,Hex, #10 - 32

NUT, #10-32

1шт.

225-14112

NUT,#12-24

NUT, 12-24 C-Z hex. mach screw

1шт.

120217

LOCK WASHER,#10

WASHER, LOCK, #10

1шт.

492-11012

LOCK WASHER,#12

Washer, Lock, #12

1шт.

2

280185R1

SPACER

SPACER, alternator generator brace

1шт.

3

1966990

FAN

FAN, alternator generator, 221425R1

1шт.

4

1960481

PULLEY

PULLEY, alternator generator, 384987R2

1шт.

5

396360R2

GUARD

SHIELD ASSY, alternator fan & pulley

1шт.

9413953

LOCK NUT,3/8"-16, GB

NUT, 3/8-16 PHC hex. lock

1шт.

179820

BOLT,Hex, 5/16" - 18 x 1 1/4", Gr 5

BOLT, Hex, 5/16"-18 x 1 1/4", G5

1шт.

186282

BOLT,Hex, 3/8" - 16 x 3 1/4", Gr 5

SCREW, 3/8-16 x 3-1/4 hex-hd cap

1шт.

103320

LOCK WASHER,5/16"

WASHER, LOCK, 5/16"

1шт.

6

385008R1

SUPPORT

BRACE, alternator generator

1шт.

NLS

NO LONGER SERVICED

1шт.

103321

LOCK WASHER,3/8"

WASHER, LOCK, 3/8"

1шт.

7

385007R1

SUPPORT

BRACKET, alternator generator mounting

1шт.

103026

NUT,3/8"-24, G5

NUT, 3/8"-24, G5

2шт.

186311

LOCK SCREW

SCREW, 3/8-16 x 3-3/4 hex-hd cap

2шт.

103321

LOCK WASHER,3/8"

WASHER, LOCK, 3/8"

2шт.

8

384989R91

SPARE PART BRACKET ASSY, voltage regulator mounting

1шт.

179797

BOLT,Hex, 1/4" - 20 x 1", Gr 5

BOLT, Hex, 1/4"-20 x 1", G5

1шт.

179805

BOLT,Hex, 1/4" - 20 x 2", Gr 5

SCREW, 1/4-20 x 1-7/8 hex-hd cap

1шт.

385544R1

SPACER,1/4" Pipe x 3/8"

SPACER, mounting bracket, short

1шт.

385545R1

SPARE PART SPACER, mounting bracket, long

1шт.

103319

LOCK WASHER,1/4"

WASHER, LOCK, 1/4"

2шт.

9

1119516

REGULATOR

REGULATOR ASSY, voltage, 384988R91, composed of (1) cover 1958151, (1) regulator 1119515, (2) screw, cover 1962733, (1) shock, bracket, package 1962629

1шт.

109084

NUT,1/4"-20, G5

NUT, 1/4"-20, G5

2шт.

103319

LOCK WASHER,1/4"

WASHER, LOCK, 1/4"

2шт.

10

1962014

RESISTOR

RESISTANCE UNIT, 260602C91

1шт.

Выбрано товаров: 35