Запчасти Case IH 21026 (04-04) - BRAKES, POWER BRAKE VALVE (5.1) - BRAKES

Схема запчастей Case IH 21026 - (04-04) - BRAKES, POWER BRAKE VALVE (5.1) - BRAKES
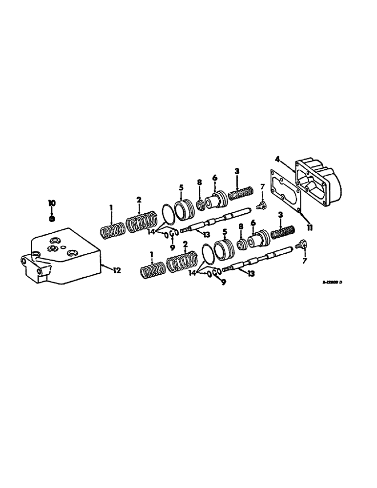
10
2
2
13
5
1
5
1
14
13
8
11
7
6
4
12
8
3
3
9
14
7
6
9
FIT
1:1
100%

Артикул

Название

Примечание

Количество

528005R92

LOCK VALVE

VALVE ASSY, power brake, replaces 384186R93

1шт.

1

384492R1

SPRING

return

2шт.

2

384493R1

SPRING

large piston

2шт.

3

384494R2

SPRING, reaction, also order package, 530888R92

2шт.

535548R1

SHIM, spring

1шт.

4

384495R1

CAP

body

1шт.

5

384496R2

PISTON ASSY.

PISTON, large

2шт.

6

384497R2

PISTON, small, also order package, 530888R92

2шт.

7

530888R92

STRIPPER PACKAGE

PACKAGE, valve sealant and screw, consists of (2) screw 530887R2 (NSS), (1) sealant 374539R1

1шт.

8

384500R1

WASHER

return spring

2шт.

9

85633R1

RING

1/2 sq snap, also order package, 530888R92

2шт.

10

384501R1

PLATE

orifice

1шт.

413-414

BOLT,Hex, 1/4" - 20 x 7/8", Gr 5

SCREW, 1/4-20 x 7/8 hex-hd cap

6шт.

11

GASKET, body cap, not serviced separately, order package, 384502R92

1шт.

12

BODY, power brake valve, not serviced separately, order valve, 528005R92

1шт.

13

SPOOL, valve, not serviced separately, order valve, 528005R92

1шт.

14

384502R92

GASKET

PACKAGE, valve o-ring and gasket service, also order package, 530888R92, consists of (1) gasket 384503R1, (4) o-ring 364839R1, (4) o-ring 399906R1 (NSS),(2) o-ring 399907R1 (NSS)

1шт.

Выбрано товаров: 0