Запчасти Case IH 21026 (06-02) - COOLING, OIL COOLER AND CONNECTIONS Cooling

Схема запчастей Case IH 21026 - (06-02) - COOLING, OIL COOLER AND CONNECTIONS Cooling
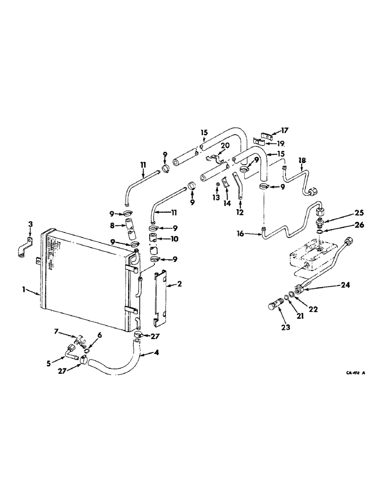
24
19
16
9
4
9
2
9
6
15
23
20
26
5
18
3
9
1
15
12
9
10
11
27
7
14
17
9
21
22
8
9
27
11
25
9
13
FIT
1:1
100%

Артикул

Название

Примечание

Количество

1

530284R1

COOLER ASSY.

COOLER ASSY, oil, Farmall tractors

1шт.

1

530285R1

SPARE PART COOLER ASSY, oil, International tractors

1шт.

127859H1

SPACER, oil cooler, International 21026 tractors

3шт.

2

406048R1

SPARE PART BRACKET ASSY, oil cooler mtg hinge

1шт.

L418C

HEADED PIN,5/16" x 2 3/8"

PIN, 5/16 x 2-3/8 headed

2шт.

103373

COTTER PIN,3/32" x 3/4"

Pin, Split (Cotter), 3/32" x 3/4"

2шт.

217911

SCREW

3/8-16 x 7/8 hex-soc-hd cap

2шт.

61-33820

HEX SOC SCREW,3/8"-16 x 1 1/4"

SCREW, 3/8-16 x 1-1/4 hex-soc-hd cap, International 21026 tractors

2шт.

Q1597

WASHER

WASHER, 13/32 x 3/4 x 16 ga

2шт.

3

406050R1

SPARE PART BRACKET ASSY, oil cooler mtg

1шт.

129-419

WING NUT,5/16"-18

NUT, 5/16-18 wing

1шт.

NLS

NO LONGER SERVICED

1шт.

179841

BOLT,Hex, 3/8" - 16 x 1 1/4", Gr 5

BOLT, 3/8-16 x 1-1/4 hex-hd cap, International 21026 tractors

1шт.

103321

LOCK WASHER,3/8"

WASHER, LOCK, 3/8"

1шт.

95-11034

WASHER,1/4"

WASHER, 11/32 x 11/16 x .051

1шт.

4

406052R1

SPARE PART HOSE, oil cooler to pivot shaft cover, Farmall tractors

1шт.

5

406053R1

TUBE

SPARE PART TUBE ASSY, relief, Farmall tractors

1шт.

6

364839R1

O-RING,0.078" Thk x 0.468" ID, -906, Cl 6, 90 Duro

O-RING, 6-1, 90 Duro, .468" ID x .078" Thk, Farmall tractors

1шт.

7

531711R1

ELBOW UNION

Union Elbow ELBOW, 9/16-18 37 deg hyd flared tube adj str thd 90 deg

1шт.

8

530921R1

SPARE PART HOSE, oil cooler supply, replaces 406504R1

1шт.

9

274085R91

HOSE CLAMP,#10, 0.56/1.06 Type F Worm

CLAMP, hose

8шт.

10

397492R1

SPARE PART HOSE, oil cooler return, replaces 401511R1

1шт.

11

406056R2

PIPE CLAMP

TUBE, oil cooler front

2шт.

12

406059R1

SPARE PART SUPPORT, oil cooler tube

1шт.

179816

BOLT,Hex, 5/16" - 18 x 3/4", Gr 5

BOLT, Hex, 5/16"-18 x 3/4", G5, Full Thd

1шт.

13

351549R1

WASHER

SPACER, oil cooler tube support

1шт.

14

406057R1

SPARE PART CLAMP, oil cooler tube

1шт.

109084

NUT,1/4"-20, G5

NUT, 1/4"-20, G5

1шт.

179798

BOLT,Hex, 1/4" - 20 x 1 1/8", Gr 5

BOLT, Hex, 1/4"-20 x 1 1/8", G5

1шт.

103319

LOCK WASHER,1/4"

WASHER, LOCK, 1/4"

1шт.

15

406058R1

SPARE PART HOSE, oil cooler

2шт.

16

532271R1

SPARE PART TUBE ASSY, oil cooler inlet

1шт.

17

406057R1

SPARE PART CLAMP, oil cooler tubes

1шт.

179797

BOLT,Hex, 1/4" - 20 x 1", Gr 5

BOLT, Hex, 1/4"-20 x 1", G5

1шт.

103319

LOCK WASHER,1/4"

WASHER, LOCK, 1/4"

1шт.

18

406061R1

SPARE PART TUBE ASSY, oil cooler return

1шт.

19

529422R1

SPARE PART CLAMP ASSY, oil cooler tubes

1шт.

20

533926R1

SPARE PART GUIDE, oil cooler hose

1шт.

88574

BOLT,Hex, 5/16" - 18 x 1/2", Gr 5, Full Thd

SCREW, 5/16-18 x 1/2 hex-hd cap

1шт.

21

364885R1

O-RING,0.097" Thk x 0.755" ID, -910, Cl 6, 90 Duro

O-RING, 3/4 x 15/16 x 3/32

1шт.

22

384376R1

O-RING,0.07" Thk x 0.926" ID, -21, Cl 6, 90 Duro

O-RING, 15/16 x 1-1/16 x 1/16

1шт.

23

378169R1

SCREW,Hex, 7/8" - 14 x 1.62"

PLUG, inlet union

1шт.

24

532270R1

SPARE PART TUBE ASSY, multi-valve inlet

1шт.

25

9410204

HYD CONNECTOR,7/8"-14, 37 Degree x 7/8"-14, O-Ring

UNION, 7/8-14 37 deg hyd flared tube short swivel

1шт.

26

364885R1

O-RING,0.097" Thk x 0.755" ID, -910, Cl 6, 90 Duro

O-RING, 3/4 x 15/16 x 3/32

1шт.

27

279025R91

HOSE CLAMP,#06, .44/.78 Type F Worm

HOSE CLAMP, , Farmall tractors #06, .44/.78 Type F Worm

2шт.

Выбрано товаров: 46