Запчасти Case IH 21206 (E-13) - FUEL SYSTEM, FUEL INJECTION PUMP DRIVE (02) - FUEL SYSTEM

Схема запчастей Case IH 21206 - (E-13) - FUEL SYSTEM, FUEL INJECTION PUMP DRIVE (02) - FUEL SYSTEM
9
8
1
7
10
6
11
4
12
5
4
2
3
FIT
1:1
100%

Артикул

Название

Примечание

Количество

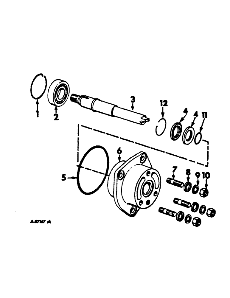
1

346876R1

BUSHING

RING, bearing retainer

1шт.

2

346893R91

BALL BEARING

BEARING ASSY, drive shaft

1шт.

3

613612C1

SHAFT

ASSY, drive w/o-ring 368030R1

1шт.

4

372762R91

OIL SEAL

SEAL ASSY, drive shaft

2шт.

5

346895R1

WIPER SEAL

SEAL, mounting adapter

1шт.

6

613990C1

ADAPTER

mounting

1шт.

7

324688R1

STUD

mounting

3шт.

8

469668R1

WASHER

mounting stud

3шт.

9

115549

LOCK WASHER,Int Tooth, 3/8"

WASHER, LOCK, Int Tooth, 3/8"

3шт.

10

280136

NUT,3/8"-16, G8

Mounting stud 3/8"-16, G8

3шт.

11

368030R1

RING

O-RING, drive shaft

1шт.

12

273026R1

SNAP RING,1.375", Int, #137

Ring, Snap, , seal 1.375", Int, #137

1шт.

Выбрано товаров: 12