Запчасти Case IH 21206 (B-03) - POWER TRAIN, SPEED TRANSMISSION AND POWER TAKE-OFF DRIVE, IN CLUTCH HOUSING (03) - POWER TRAIN

Схема запчастей Case IH 21206 - (B-03) - POWER TRAIN, SPEED TRANSMISSION AND POWER TAKE-OFF DRIVE, IN CLUTCH HOUSING (03) - POWER TRAIN
37
39
6
36
4
29
11
30
15
41
34
25
33
2
24
23
12
7
14
40
17
45
10
32
35
26
31
27
43
5
16
22
3
46
19
14
21
42
1
23
44
9
20
18
13
48
8
47
28
38
FIT
1:1
100%

Артикул

Название

Примечание

Количество

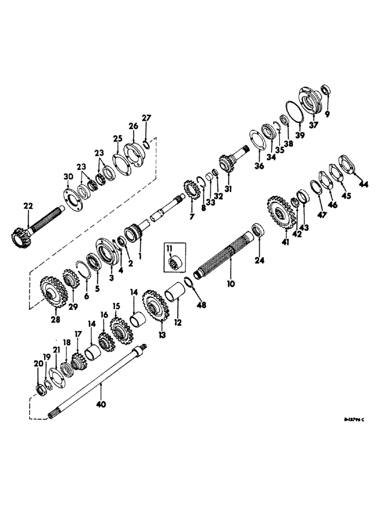
1

380076R3

SHAFT

transmission drive, 26T

1шт.

2

572181R91

NEEDLE BEARING,Needle, 38.09mm ID x 47.64mm OD x 25.4mm W

main shaft front

1шт.

3

380080R1

CAGE

constant mesh drive gear brg

1шт.

4

380081R1

PLATE

constant mesh drive gera brg cage lock

2шт.

179840

BOLT,Hex, 3/8" - 16 x 1 1/8", Gr 5

SCREW, 3/8-16 x 1-1/8 hex-hd cap

4шт.

5

ST697

BALL BEARING,75 mm ID x 130 mm OD x 22 mm

BEARING, constant mesh drive gear

1шт.

6

392683R1

RING

constant mesh drive brg cage int snap

1шт.

7

381329R2

GEAR

constant mesh drive, 26T

1шт.

8

381330R1

RING

constant mesh drive gear ext snap

1шт.

9

524598R91

BALL BEARING,20mm ID x 52mm OD x 15mm W

clutch shaft pilot

1шт.

9

524598R91GV

BEARING

Value, Ball Bearing

1шт.

10

380082R2

SHAFT

COUNTERSHAFT

1шт.

12

384091R1

BUSHING

SPACER, constant mesh gear, long, for tractors w/torque amplifier

1шт.

13

380086R2

GEAR WHEEL

GEAR, constant mesh, 47T

1шт.

14

380126R1

BUSHING

SPACER, countershaft gears

2шт.

15

390264R1

GEAR WHEEL

GEAR, 3rd speed driving, 42T

1шт.

16

390258R1

PINION

GEAR, 2nd speed driving, 32T

1шт.

17

390259R1

PINION

GEAR, 1st speed driving, 27T

1шт.

18

ST345A

BALL BEARING,60mm ID x 110mm OD x 22mm W

BEARING, countershaft rear

1шт.

19

380091R2

THRUST WASHER,59.51mm ID x 82.55mm OD x 1.52mm Thk

countershaft brg lock nut

1шт.

20

380092R1

NUT

countershaft brg lock

1шт.

21

380093R1

RETAINER

countershaft rear brg

1шт.

179839

BOLT,Hex, 3/8" - 16 x 1", Gr 5

4шт.

103321

LOCK WASHER,3/8"

WASHER, LOCK, 3/8"

4шт.

22

391827R2

SHAFT

main, 23T

1шт.

22

392235R2

SHAFT

main, 23T, tractors with torque amplifier

1шт.

23

ST2132

BEARING ASSY,55mm ID x 90mm OD x 23mm W

main shaft rear

2шт.

24

384114R91

NEEDLE BEARING

countershaft front

1шт.

25

380095R1

SHIM

main shaft rear bearing

1шт.

26

380096R2

CAGE

main shaft rear bearing

1шт.

27

380097R1

RING

main shaft rear bearing snap

1шт.

28

380124R1

GEAR

1st & 2nd speed sliding, 41 & 46T

1шт.

29

380125R2

GEAR WHEEL

GEAR, 3rd & 4th speed sliding, 31T

1шт.

30

380098R1

RETAINER

main shaft rear bearing

1шт.

179843

BOLT,Hex, 3/8" - 16 x 1 1/2", Gr 5

4шт.

31

380261R1

SHAFT

PTO drive, 28T

1шт.

32

385134R91

OIL SEAL

OIL SEAL, PTO drive shaft

1шт.

33

384185R1

BUSHING,38.18mm ID x 44.58mm OD x 12.7mm L

PTO drive shaft, tractors w/o torque amplifier

1шт.

34

ST343

BEARING

PTO drive shaft

1шт.

35

384337R1

RING

PTO shaft brg snap

1шт.

36

384184R1

RETAINER

PTO shaft brg

1шт.

297330R1

BOLT

SCREW, 3/8-16 x 1 hex-hd Nylok

3шт.

37

384079R2

CAGE

PTO drive shaft brg

1шт.

37

380101R2

CAGE

PTO drive shaft brg, tractors with torque amplifier

1шт.

179838

BOLT,Hex, 3/8" - 16 x 7/8", Gr 5, Full Thd

3/8-16 x 7/8 hex-hd cap

5шт.

38

384090R91

OIL SEAL

OIL SEAL, PTO shaft brg cage

1шт.

39

301604R1

O-RING

7-1/2 x 7-3/4 x 1/8, PTO shaft bearing cage sealing

1шт.

40

380103R21

PTO

SHAFT ASSY, PTO driven

1шт.

41

391828R1

GEAR WHEEL

GEAR, PTO driven, 58T

1шт.

42

G15215

ROLLER BEARING

BEARING ASSY, PTO driven shaft front cone

1шт.

43

619387R1

BEARING CUP

BEARING, PTO driven shaft fornt roller cup

1шт.

44

380107R1

RETAINER

PTO driven shaft brg

1шт.

297330R1

BOLT

SCREW, 3/8-16 x 1 hex-hd Nylok

4шт.

45

384382R1

SHIM

PTO shaft brg retainer, HV

1шт.

46

384106R1

SHIM

PTO driven shaft brg retainer

3шт.

47

384103R1

SEAL RETAINER

SEAL, PTO front brg retainer

1шт.

48

357035R1

RING

constant mesh gear snap, for tractors w/o torque amplifier

1шт.

372703R2

FLUID, hy-tran, quart can

1шт.

372704R2

TRANSMISSION OIL

FLUID, hy-tran, gallon can

1шт.

372705R2

FLUID

hy-tran, five gallon can

1шт.

407024R2

FLUID, hy-tran, fifteen gallon can

1шт.

Выбрано товаров: 61