Запчасти Case IH 21206 (F-22) - HYDRAULIC SYSTEM, POWER BRAKE VALVE (07) - HYDRAULIC SYSTEM

Схема запчастей Case IH 21206 - (F-22) - HYDRAULIC SYSTEM, POWER BRAKE VALVE (07) - HYDRAULIC SYSTEM
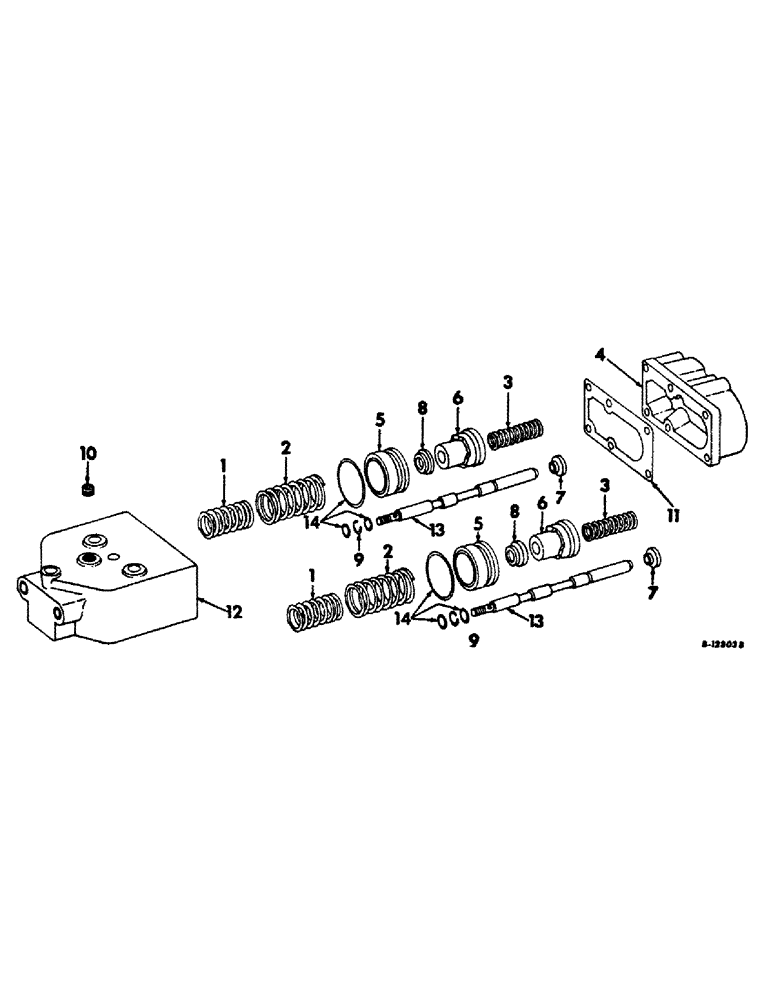
1
14
9
6
8
1
8
3
2
4
2
5
12
5
11
7
10
7
9
13
6
3
14
13
FIT
1:1
100%

Артикул

Название

Примечание

Количество

384186R92

VALVE

ASSY, power brake

1шт.

1

384492R1

SPRING

return

2шт.

2

384493R1

SPRING

large piston

2шт.

3

384494R1

SPRING, reaction, also order pkg, 384608R91

2шт.

4

384495R1

CAP

body

1шт.

5

384496R2

PISTON ASSY.

PISTON, large

2шт.

6

384497R2

PISTON, small, also order pkg, 384608R91

2шт.

7

384499R1

RETAINER

SPOOL END, valve, also order pkg, 384608R91

2шт.

8

384500R1

WASHER

return spring

2шт.

9

85633R1

RING

1/2 sq-snap, also order pkg, 384608R91

2шт.

10

384501R1

PLATE

orifice

1шт.

NLS

NO LONGER SERVICED

SCREW, 1/4-20 x 7/8 hex-hd cap

6шт.

11

GASKET, body cap, not serviced separately, order package, 384502R93

1шт.

12

BODY, power valve, not serviced separately, order valve, 384186R93

1шт.

13

SPOOL, valve, not serviced, separately, order valve, 384186R93

2шт.

14

384502R92

GASKET

PACKAGE, valve o-ring and gasket service, also order pkg, 384608R91, consists of (1) gasket 384503R1, (4) o-ring 399906R1 (NSS), (4) o-ring 364839R1, (2) o-ring 399907R1 (NSS)

1шт.

384608R91

STRIPPER PACKAGE

PACKAGE, valve sealant and screw service, consists of (2) screw 439914 (NSS), (1) sealant 374539R1 (NSS)

1шт.

Выбрано товаров: 17