Запчасти Case IH 21206 (F-25) - HYDRAULIC SYSTEM, HYDRAULIC REMOTE CONTROL, FOR TRACTORS WITH AUXILIARY VALVE (07) - HYDRAULIC SYSTEM

Схема запчастей Case IH 21206 - (F-25) - HYDRAULIC SYSTEM, HYDRAULIC REMOTE CONTROL, FOR TRACTORS WITH AUXILIARY VALVE (07) - HYDRAULIC SYSTEM
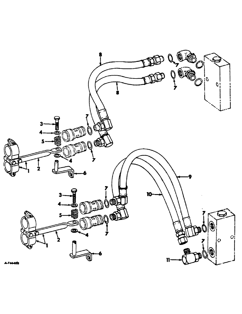
2
2
7
7
11
8
4
4
6
1
7
7
7
7
5
7
6
1
4
3
9
10
4
8
5
3
7
FIT
1:1
100%

Артикул

Название

Примечание

Количество

385927R91

PARTS ACCESSORY, RH hyd remote control, consists of all unmarked parts & those marked unit A

1шт.

391405R91

PARTS ACCESSORY, second rear manifold LH hyd remote control, International tractors with platform extension, consists of all unmarked parts & those marked unit B

1шт.

391402R91

PARTS ACCESSORY, second rear manifold LH hyd remote control, consists of all unmarked parts & those marked unit C

1шт.

391403R91

PARTS ACCESSORY, RH hyd remote control, International tractors with platform extension, consists of all unmarked parts & those marked unit D

1шт.

1

379030R91

FUNNEL

FRAME ASSY, self-sealing coupling, units A & C

1шт.

1

391406R91

FRAME ASSY, self-sealing coupling, units B & D

1шт.

413-412

BOLT,Hex, 1/4" - 20 x 3/4", Gr 5

2шт.

492-11025

LOCK WASHER,1/4"

WASHER, LOCK, 1/4"

2шт.

2

379031R1

BRACKET

self-sealing coupling frame, units A & C

1шт.

2

391407R1

BRACKET, self-sealing coupling frame, units B & D

1шт.

180083

BOLT,Hex, 5/16" - 18 x 1 1/2", Gr 5

SCREW, 5/16-18 x 1-1/2 C-Z hex-hd cap

2шт.

3

180183

BOLT,Hex, 1/2" - 13 x 2 1/4", Gr 5

SCREW, 1/2-13 x 2-1/4 C-Z hex-hd cap, units B & D

1шт.

4

PO10535

WASHER

17/32 x 1-1/4 x 11 ga, units A & C, 2 for units B & D

1шт.

120378

NUT,Hex, 1/2" - 13, Gr 5

NUT, 1/2"-13, G5

2шт.

5

353213R2

SPRING

coupling frame cushion

1шт.

6

394331R11

BRACKET ASSY, self-sealing coupling, units A & C

1шт.

108630

COTTER PIN,1/8" x 7/8"

Pin, Split (Cotter), 1/8" x 7/8"

1шт.

13-1026

BOLT,Hex, 5/8" - 11 x 1-5/8", Gr 5, Full Thd

SCREW, 5/8-11 x 1-5/8 hex-hd cap

1шт.

570879R1

BOLT,Hex, 5/8" - 11 x 2 1/4", Gr 8

SCREW, 5/8-11 x 2-1/4 hex-hd cap, type 4, tractors with three point hitch

1шт.

7

364885R1

O-RING,0.097" Thk x 0.755" ID, -910, Cl 6, 90 Duro

34 x 15/16 x 3/32

4шт.

8

385928R91

HOSE,12.7mm ID x 406.4mm L, SAE 100R1

ASSY, hyd remote control, 2 for units A & B, also order elbow, 371357R91 if required for check valve

1шт.

9

372584R91

HOSE

ASSY, hyd remote control upper port, units C & D

1шт.

10

653317R91

HOSE ASSY.

HOSE ASSY, hyd remote control lower port, units C & D

1шт.

11

9410978

ELBOW,90 Degree, 7/8"-14, 37 Degree x 7/8"-14, O-Ring

7/8-14 C-Z 37 deg hyd flared tube adj str thd 90 deg, lower port, units C & D

1шт.

Выбрано товаров: 24