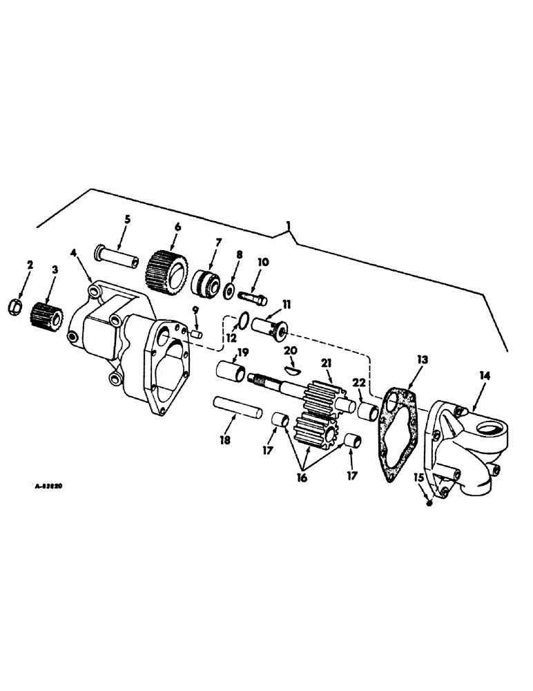
Запчасти Case IH 21206 (D-08) - DIESEL ENGINES, LUBRICATING OIL PUMP (01) - ENGINE

Схема запчастей Case IH 21206 - (D-08) - DIESEL ENGINES, LUBRICATING OIL PUMP (01) - ENGINE
4
12
6
13
21
18
22
17
20
3
16
14
7
19
5
11
10
8
15
9
2
17
1
FIT
1:1
100%

Артикул

Название

Примечание

Количество

1

332520R94

PUMP

PUMP ASSY, lubricating oil

1шт.

1

735248C91

REMAN-ENG OIL PUMP

REMAN-ENGINE OIL PUMP Remanufactured Oil Pump; For N.A. only

1шт.

1

1928217C1

CORE-ENGINE OIL PUMP

CORE-ENGINE OIL PUMP Return number - For N.A. only

1шт.

179840

BOLT,Hex, 3/8" - 16 x 1 1/8", Gr 5

SCREW, 3/8 x 1-1/8 hex-hd cap

2шт.

186283

BOLT,Hex, 3/8" - 16 x 3 1/2", Gr 5

SCREW, 3/8 x 3-1/2 hex-hd cap

2шт.

103321

LOCK WASHER,3/8"

WASHER, LOCK, 3/8"

4шт.

2

19263R1

LOCK NUT,Hex, 5/8" - 18

NUT, 5/8NF ESNA

1шт.

3

332523R1

SPARE PART GEAR, oil pump drive

1шт.

4

332521R11

SPARE PART BODY W/BUSHING, 345291R1, w/shaft, 332524R1 and 19841R1, oil pump

1шт.

5

332528R1

SHAFT

SHAFT, oil pump drive idler

1шт.

6

332529R1

PINION

GEAR, oil pump drive idler

1шт.

7

347299R91

BEARING ASSY

BEARING ASSY

1шт.

8

332530R1

WASHER

WASHER, shaft

1шт.

9

19841R1

DOWEL,1/4" x 1/2"

PIN, 1/4 x 1/2 dowel

1шт.

10

338774R2

12 PT SCREW,Flg, 3/8"-24 x 1 1/4"

BOLT, 3/8-24 x 1-1/4, 12 PT

1шт.

11

345161R91

VALVE

VALVE ASSY, relief

1шт.

12

349055R2

RING

O-RING, relief valve, 13/16 x 1 x 3/32

1шт.

13

601381C1

GASKET

GASKET, oil pump

1шт.

14

332527R21

COVER ASSY

COVER W/BUSHING, 345292R1 and plug, 9409954, oil pump

1шт.

332527R21R

REMAN-HOUSING

REMANUFACTURED HOUSING - NA Only

1шт.

332527R21C

CORE-HOUSING

Return Number, HOUSING - NA Only

1шт.

179819

BOLT,Hex, 5/16" - 18 x 1 1/8", Gr 5

BOLT, Hex, 5/16"-18 x 1 1/8", G5

3шт.

179828

BOLT,Hex, 5/16" - 18 x 2 1/2", Gr 5

BOLT, Hex, 5/16"-18 x 2 1/2", G5

1шт.

186270

BOLT,Hex, 5/16" - 18 x 3 1/2", Gr 5

BOLT, Hex, 5/16"-18 x 3 1/2", G5

1шт.

413-548

BOLT,Hex, 5/16" - 18 x 3", Gr 5

BOLT, Hex, 5/16"-18 x 3", G5

1шт.

103320

LOCK WASHER,5/16"

WASHER, LOCK, 5/16"

6шт.

15

9409954

PLUG,Hex Soc, 1/16"-27

PLUG, 1/16 hex-soc pipe

1шт.

16

326767R21

PINION

GEAR W/TWO BUSHING, 326768R1, oil pump idler

1шт.

17

326768R1

BUSHING

BUSHING, idler gear

2шт.

18

332524R1

SHAFT

SHAFT, idler gear

1шт.

19

345291R1

BUSHING

BUSHING, drive shaft, body end

1шт.

20

124545

WOODRUFF KEY,#5, 1/8" x 5/8", HT

WOODRUFF KEY, #5, 1/8" x 5/8", HT

1шт.

21

332522R12

SHAFT

SHAFT W/GEAR, oil pump drive

1шт.

22

345292R1

BEARING

BUSHING, drive shaft, cover end

1шт.

Выбрано товаров: 34