Запчасти Case IH 21206 (D-15) - DIESEL ENGINES, TURBOCHARGER AND CONNECTIONS (01) - ENGINE

Схема запчастей Case IH 21206 - (D-15) - DIESEL ENGINES, TURBOCHARGER AND CONNECTIONS (01) - ENGINE
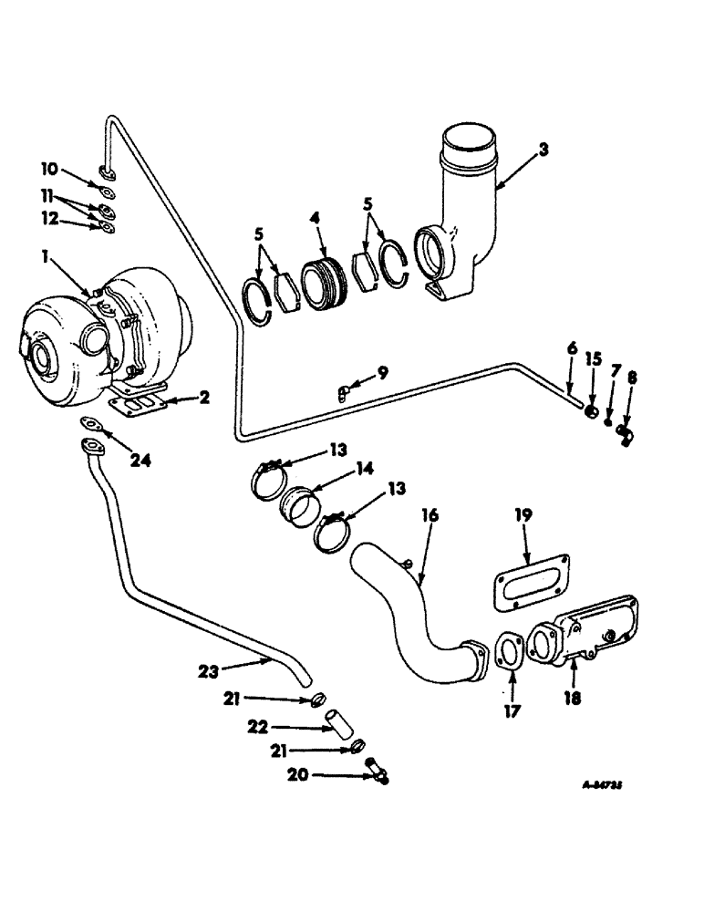
3
15
23
13
5
20
11
14
24
19
16
1
12
4
13
10
6
21
9
7
5
8
22
18
17
2
21
FIT
1:1
100%

Артикул

Название

Примечание

Количество

1

900173C91

TURBOCHARGER ASSY, for components see list of parts under details of turbocharger

1шт.

304451R1

NUT

3/8-24 special lock

4шт.

181371

BOLT

SCREW, 3/8-24 x 1-3/8 hex-hd cap

4шт.

2

304391R2

GASKET

turbocharger

1шт.

3

607282C1

ELBOW

exhaust outlet

1шт.

304451R1

NUT

3/8-24 special lock

4шт.

181371

BOLT

SCREW, 3/8-24 x 1-3/8 hex-hd cap

4шт.

4

607283C1

SLEEVE CYLINDER

SLEEVE, exhaust outlet elbow

1шт.

5

606918C91

SEAL

SEAL ASSY, exhaust outlet elbow

2шт.

6

607287C11

TUBE

oil inlet

1шт.

179839

BOLT,Hex, 3/8" - 16 x 1", Gr 5

2шт.

103321

LOCK WASHER,3/8"

WASHER, LOCK, 3/8"

2шт.

7

277741R2

SLEEVE CYLINDER

SLEEVE, oil inlet tube

1шт.

8

336014R1

ELBOW UNION

ELBOW, oil inlet tube

1шт.

9

363487R1

CLIP

oil inlet tube

1шт.

10

253660R1

GASKET

oil inlet tube flange

1шт.

11

601005C91

SCREEN ASSY, oil run-in

1шт.

12

253660R1

GASKET

oil run-in screen

1шт.

13

279038R91

HOSE CLAMP,#32, 1.56/2.50 Type F Worm

CLAMP ASSY, outlet hose

2шт.

14

310385R1

FLEXIBLE HOSE

HOSE, Air Outlet

1шт.

15

277742R1

NUT

oil inlet tube

1шт.

16

607285C11

TUBE ASSY, air outlet

1шт.

413-716

BOLT,Hex, 7/16" - 14 x 1", Gr 5

SCREW, 7/16-14 x 1 hex-hd cap

2шт.

110405

WASHER, 7/16 light spring lock

2шт.

17

369497R2

GASKET

air outlet tube flange

1шт.

18

607286C11

ELBOW W/PLUG, 117244, air intake

1шт.

444577

DRAIN PLUG,Sq Hd, 1/4"-18 NPTF

PLUG, 1/4-18 auto sq-hd pipe

1шт.

NLS

NO LONGER SERVICED

2шт.

186282

BOLT,Hex, 3/8" - 16 x 3 1/4", Gr 5

SCREW, 3/8-16 x 3-1/4 hdx-hd cap

2шт.

103321

LOCK WASHER,3/8"

WASHER, LOCK, 3/8"

4шт.

19

327755R1

GASKET

air intake elbow

1шт.

20

343750R91

CONNECTOR ASSY, oil drain hose

1шт.

21

122316R91

HOSE CLAMP,#12, 0.69/1.25 Type F Worm

CLAMP ASSY, oil drain hose

2шт.

22

336681R1

HOSE

oil drain

1шт.

23

607284C11

TUBE ASSY, oil drain

1шт.

179839

BOLT,Hex, 3/8" - 16 x 1", Gr 5

2шт.

103321

LOCK WASHER,3/8"

WASHER, LOCK, 3/8"

2шт.

24

341464R1

GASKET

oil drain tube flange

1шт.

Выбрано товаров: 38